Mid-Size Proline Gear Traction Unit, 12.5 hp
Product Information
- Model #: 30165
- Serial #: 790001 - 799999
- Product Type: Walk Behind Mowers
Loading...
Assembly Drawings
Search for a part within assembly drawings:
-
Service Manual
-
Operator's Manual
-
Parts Catalog
18 Inch Atomic Blade (Part # 104-1301)
Toro OEM Atomic blade. The Toro Atomic blade is commonly referenced as a “Gator Style” or “Gator Blade”. Provides the best quality of cut while mulching. This Toro blade has multiple applications. Be sure to verify model and serial number to ensure the correct part.
Bag Kit (Part # 30127)
Discontinued (Part # 30128)
Genuine OEM Part
Bag Kit (Part # 30129)
36" Side Discharge Mower (Part # 30138)
37" Recycler Mower (Part # 30139)
44" Side Discharge Mower (Part # 30145)
52" Mower (Part # 30152)
-
Model #
30165 -
Serial #
790001 - 799999 -
Product Name
Mid-Size Proline Gear Traction Unit, 12.5 hp -
Product Brand
Toro -
Product Type
Walk Behind Mowers -
Product Series
Mid-Size ProLine Mower -
Swath
Deck Optional -
Discharge
Deck Optional -
Engine/Motor Manufacturer
Kawasaki -
Engine/Motor Size
12.5 hp -
Engine/Motor Type
4 Cycle CARB1 -
Engine Starter
Recoil -
Transmission Type
Gear
-
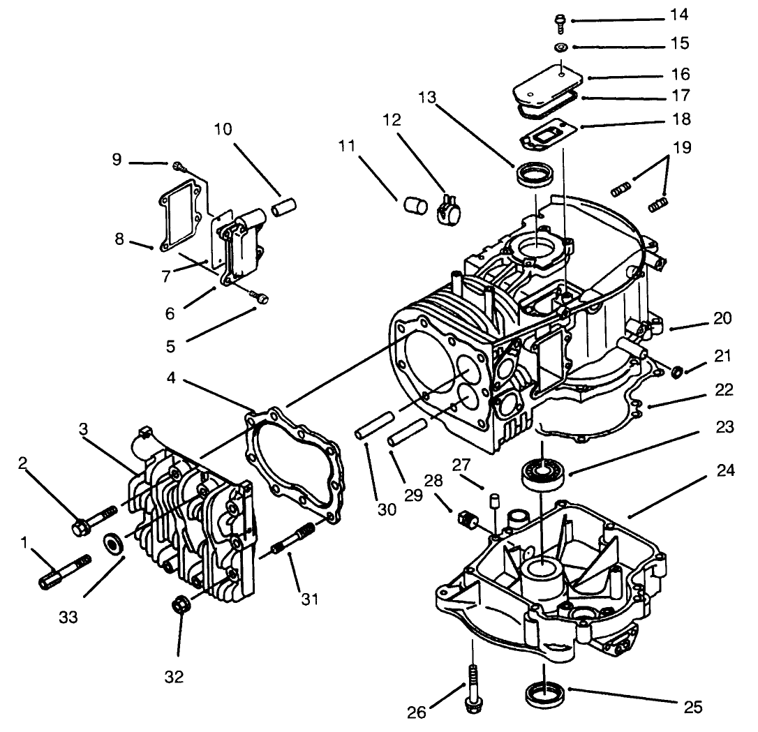
Engine: Displacement
28.1 cu.in. (460cc) -
Engine: Bore
3.50" (89mm) -
Engine: Stroke
2.91" (74mm) -
Engine: Compression Ratio
6.4:1 -
Engine: Max. Output
12.5 hp @ 3600 rpm -
Engine: Max. Torque
20.1 ft.lbs. @ 2300 rpm -
Engine: Direction of Rotation
Counter Clockwiise Facing PTO -
Engine: Fast Idle Speed
3350 rpm -
Engine: Slow Idle Speed
1400 rpm -
Engine: Lubrication
Pressurised Lubrication -
Engine: Balancing
Reciprocating Weight -
Engine: Throttle Control
Remote Cable -
Engine: Choke Control
Automatic -
Engine: Starter
Electric Starter or Recoil -
Engine: Carburetor
Float Type Fixed Main Jet -
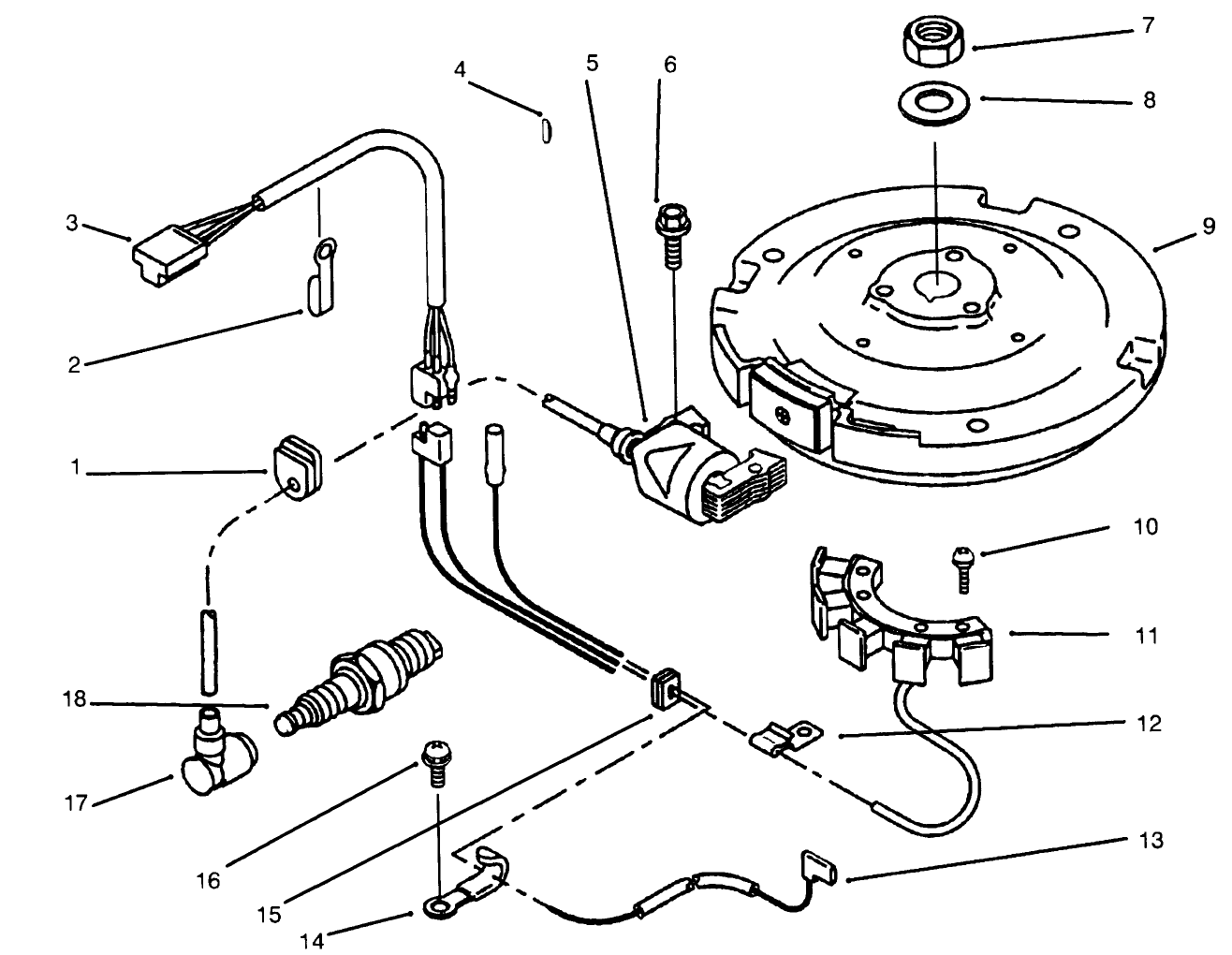
Engine: Ignition
Transistorized Flywheel Magneto -
Engine: Charging Coil
12 Volt 13 Amp. with Regulator -
Engine: Governor
Mechanical Governor -
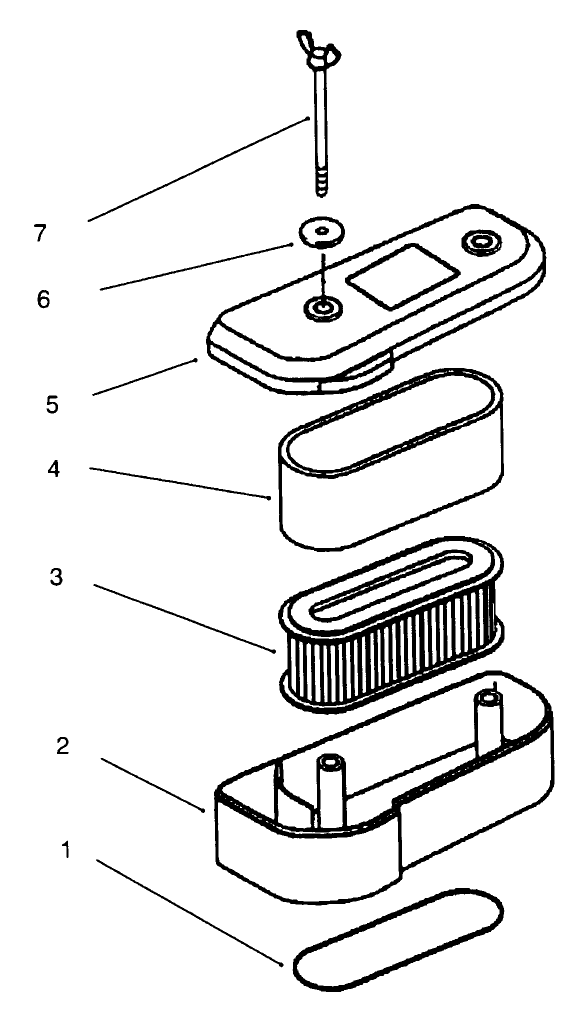
Engine: Air Cleaner
Semi cyclone type with dual element -
Engine: Weight
79.36 lbs. (36kg) -
Engine: Spark Plug
Champion RCJ8 or NGK BMR4A -
Engine: Spark Plug Gap
.024-.028" (.6-.7mm) -
Engine Torque: Spark Plug Torque
20 ft.lbs. (28Nm) -
Engine Torque: Flywheel Nut Torque
62/65 ft.lbs. (83/88Nm) -
Engine Torque: Crankcase Cover Torque
12/17 ft.lbs. (17/23Nm) -
Engine Torque: Cylinder Head Torque
25/29 ft.lbs. (34/39Nm) -
Engine Torque: Oil Pump Cover
12/17 ft.lbs. (17/23Nm) -
Engine Torque: Rod Cap
14/15 ft.lbs. (19/20Nm) -
Engine Torque: Connecting Rod Bolts
14/15 ft.lbs. (19/20Nm) -
Engine: Engine Speed
3600±100 RPM -
Engine: Ignition Coil Air Gap
.012" / .3mm -
Drive System: Gearbox Lubricant
Peerless Bentonite Grease -
Chassis: Tire Pressure
15 psi -
Drive System: Ground Speed
Fwd. 1.9 / 3.0 / 3.9 / 4.5 Rev. 2.2 mph -
Engine: Engine Oil Type
48 oz. (1.42 Liter) SAE 30 -
Engine: Spark Plug Gap
.024-.027" (.6-.7mm)




















