Groundsmaster 325-D 4 Wheel Drive
Product Information
- Model #: 30795
- Serial #: 200000001 - 200999999
- Product Type: Riding Products
Loading...
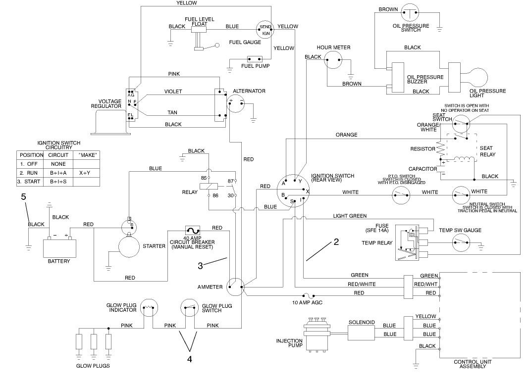
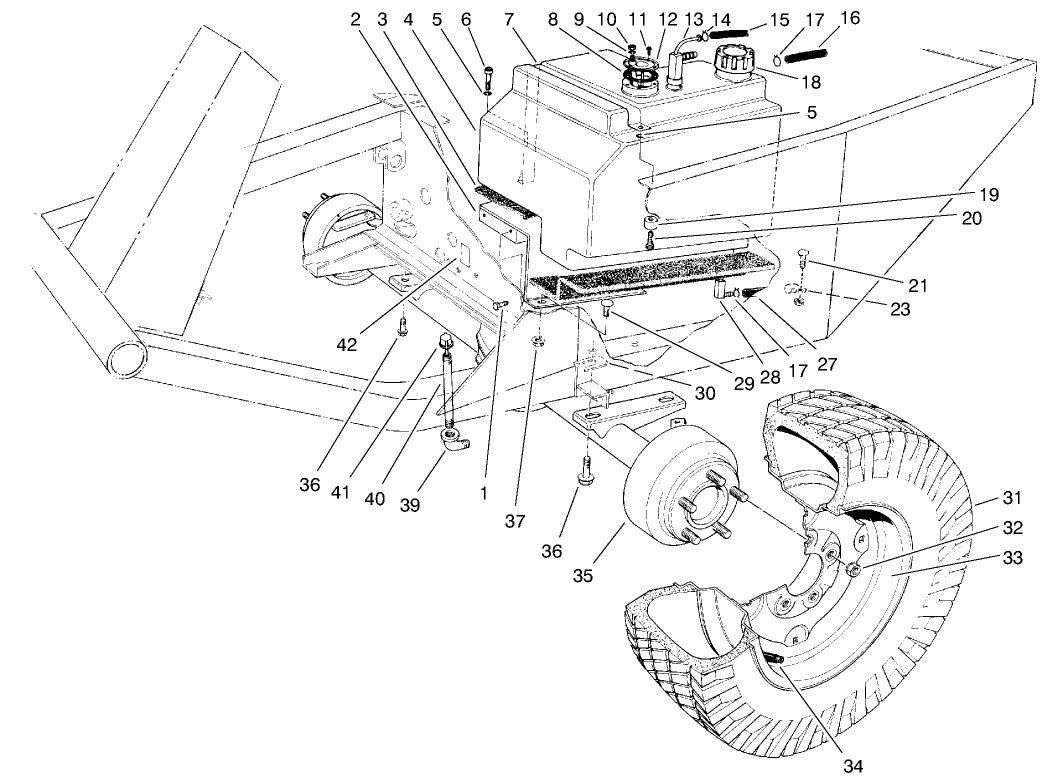
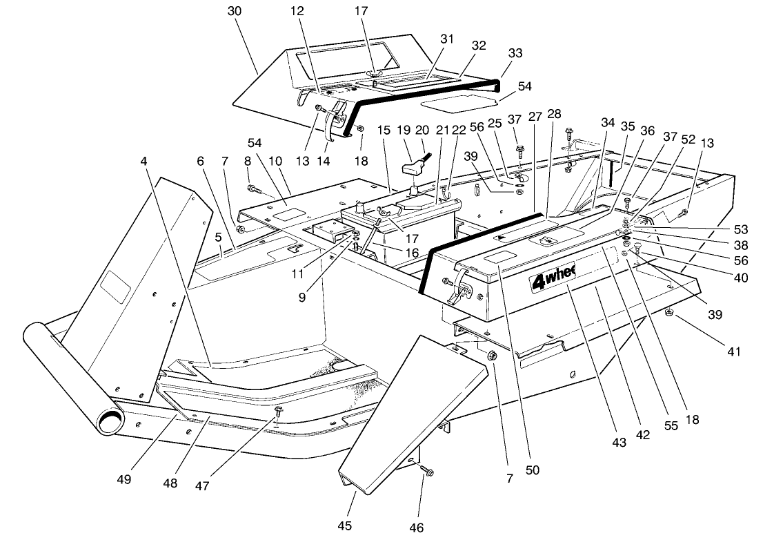
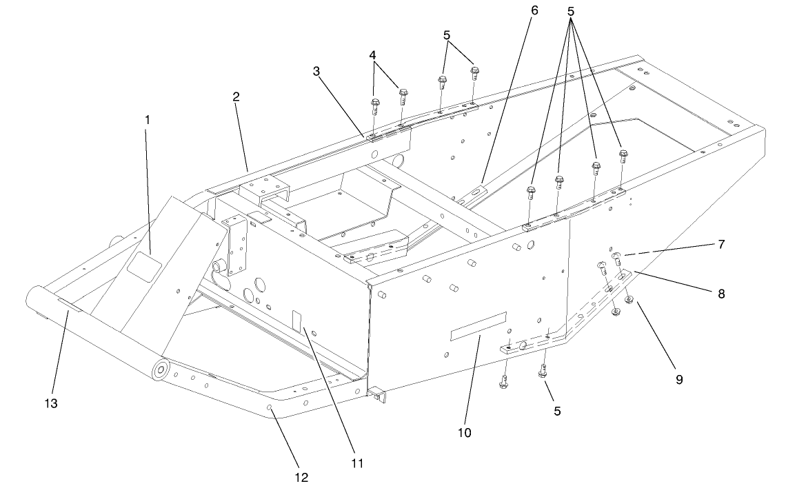
Assembly Drawings
Search for a part within assembly drawings:
-
Service Manual
-
Operator's Manual
-
Parts Catalog
-
Service Bulletin
Tire Chains 23x8.50-12 (Part # 11-0390)
TROJAN WHEEL WGHT (Part # 11-0440)
Pneumatic Caster Wheel (Part # 12-1509)
High Sail Blade (Part # 23-2410)
REAR WEIGHT KIT (Part # 24-5780)
WEIGHT-REAR (Part # 24-5790)
Cruise Control Kit, Groundsmaster 300 Series (Part # 30677)
Arm Rest Kit (Part # 30707)
Built for comfort.
Standard Seat Kit, Groundsmaster (Part # 30708)
Deluxe Seat Adapter Kit, Groundsmaster 300 Series (Part # 30709)
72in Rear Discharge Mower, Groundsmaster 300 Series (Part # 30710)
Quick Attach Adapter Kit, Groundsmaster 300 Series (Part # 30711)
72in Guardian Recycler Mower, Groundsmaster 300 Series (Part # 30716)
Debris Blower Quick Attach Adapter Kit, Groundsmaster 300 Series (Part # 30717)
Mowers and Boom Quick Attach Adapter Kit, Groundsmaster 300 Series (Part # 30719)
72in Side Discharge Mower, Groundsmaster 300 Series (Part # 30722)
Rotary Broom Actuator, Groundsmaster 300 (Part # 30728)
Recycler Mower Quick Attach Adapter Kit, Groundsmaster 300 Series (Part # 30729)
Snowthrower Quick Attach Adapter Kit, Groundsmaster 300 Series (Part # 30731)
Mulch Kit (Part # 30733)
Rotary Broom, Groundsmaster 300 Series (Part # 30743)
48" V-Plow, Groundsmaster 72 and 200/300 Series (Part # 30750)
48" V-Plow Mounting Kit, Groundsmaster 300 Series (Part # 30757)
Deluxe Seat (Part # 30772)
Mulching Kit, 72" Mower (Groundsmaster) (Part # 30799)
Debris Blower, Groundsmaster 300 Series (Part # 30855)
67 Blower Mounting Kit, Groundsmaster 300 Series (Part # 44535)
Snow Blower 150, Groundsmaster 300 Series (Part # 44910)
WIDE WHEEL AND 4-PLY TIRE ASM (Part # 62-7020)
3" Lift Cylinder (Part # 66-1250)
WIDE WHEEL AND 6-PLY TIRE ASM (Part # 69-9870)
Drive Shaft Kit, 4-Wheel Drive Groundsmaster 300 Series (Part # 72-3741)
Jack Pad Kit, Groundsmaster 300 Series (Part # 76-0900)
Tire Chains, Groundsmaster 322-D 4 Wheel Drive (Part # 76-1840)
DRIVESHAFT KIT-GM 3XX (Part # 92-9075)
10 Inch Foam Filled Pneumatic Caster Wheel Assembly (Part # 93-5973)
10 Inch Foam Filled Pneumatic Caster Wheel Assembly. Pneumatic OEM replacement caster wheel features a smooth maneuvering pneumatic tire and metal wheel assembly with high-quality components. Pneumatic tires offer more shock absorption then solid ties which gives them a smoother ride. These tires are non-marking, foam filled and engineered for long service life.
8 Inch Foam Filled Pneumatic Caster Wheel Assembly (Part # 93-5974)
Toro 8 Inch Foam Filled Pneumatic Caster Wheel Assembly. Pneumatic OEM replacement caster wheel features a smooth maneuvering pneumatic tire and metal wheel assembly with high-quality components. Pneumatic tires offer more shock absorption then solid ties which gives them a smoother ride. These tires are non-marking, foam filled and engineered for long service life.
10 Inch Carrier Frame Caster Wheel Assembly (Part # 95-3082)
Contains 62-4340 @ 1, 92-1655 @ 1, 325-22 @ 1, 3256-6 @ 2, 32128-23 @ 1
8 Inch Carrier Frame Caster Wheel Assembly (Part # 95-3083)
Contains 62-4340 @ 1, 85-5760 @ 1, 325-22 @ 1, 3256-6 @ 2, 32128-23 @ 1
6.25 Inch Carrier Frame Caster Wheel Assembly (Part # 95-3084)
Contains 63-1770 @ 1, 63-8400 @ 1, 325-18 @ 1, 3256-6 @ 2, 32128-23 @ 1
8 Inch Carrier Frame Caster Wheel Assembly (Part # 95-3085)
Contains 62-4340 @ 4, 85-5760 @ 2, 92-1655 @ 2, 325-22 @ 4, 3256-6 @ 8, 32128-23 @ 4
11 Inch Carrier Frame Caster Wheel Assembly (Part # 95-3086)
Contains 62-4340 @ 2, 63-1770 @ 2, 63-8400 @ 2, 92-1655 @ 2, 325-18 @ 2, 325-22 @ 2, 3256-6 @ 8, 32128-23 @ 4
Blade and Belt Kit (Part # 95-3087)
Contains 21-0890 @ 3, 29-5530-03 @ 3
Blade and Belt Kit (Part # 95-3088)
Contains 85-6040-03 @ 3, 93-8457 @ 1
Left Hand (LH) Spindle Assembly (Part # 95-3089)
Toro OEM Left Hand (LH) Spindle Assembly.
Center Spindle Assembly (Part # 95-3090)
Contains 32128-21 @ 8, 3234-1 @ 8, 3256-24 @ 8, 84-2040 @ 1
*OBS* SPINDLE KIT (Part # 95-3091)
Toro OEM Spindle Kit [GM3XX].
400 Hour Filter Kit (Part # 95-3092)
400 Hour Filter Kit GM 345 (Part # 95-3093)
Blade and Belt Kit (Part # 95-3094)
Contains 23-2410-03 @ 3, 21-0890 @ 3
Right Hand (RH) Spindle Assembly (Part # 95-3095)
Toro OEM Right Hand (RH) Spindle Assembly.
-
Model #
30795 -
Serial #
200000001 - 200999999 -
Product Name
Groundsmaster 325-D 4 Wheel Drive -
Product Brand
Toro -
Product Type
Riding Products -
Product Series
Groundsmaster 300 Series










































