Z320 Z Master, With 48" Mower and Bagger
Product Information
- Model #: 74181
- Serial #: 891200 - 899999
- Product Type: Riding Products
Loading...
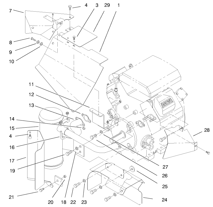
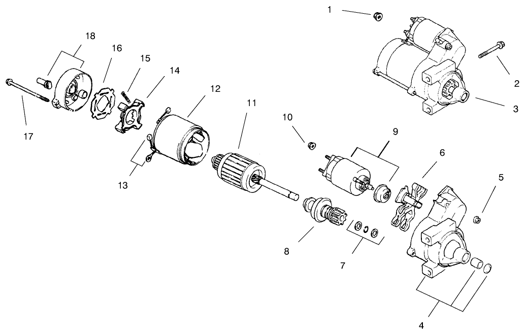
Assembly Drawings
Search for a part within assembly drawings:
-
Service Manual
-
Operator's Manual
-
Parts Catalog
Arm Rest Kit (Part # 30707)
Built for comfort.
Please contact your local dealer
-
Model #
74181 -
Serial #
891200 - 899999 -
Product Name
Z320 Z Master, With 48" Mower and Bagger -
Product Brand
Toro -
Product Type
Riding Products -
Product Series
Zero Radius Turn, 300 Series -
Swath
48 inch -
Discharge
Rear Bagger -
Engine/Motor Manufacturer
KOHLER -
Engine/Motor Size
20 hp -
Engine Starter
Electric -
Transmission Type
Hydrostatic






























