Greensmaster 3100 2 Wheel Drive
Product Information
- Model #: 04356
- Serial #: 220000001 - 220001000
- Product Type: Riding Products
Loading...
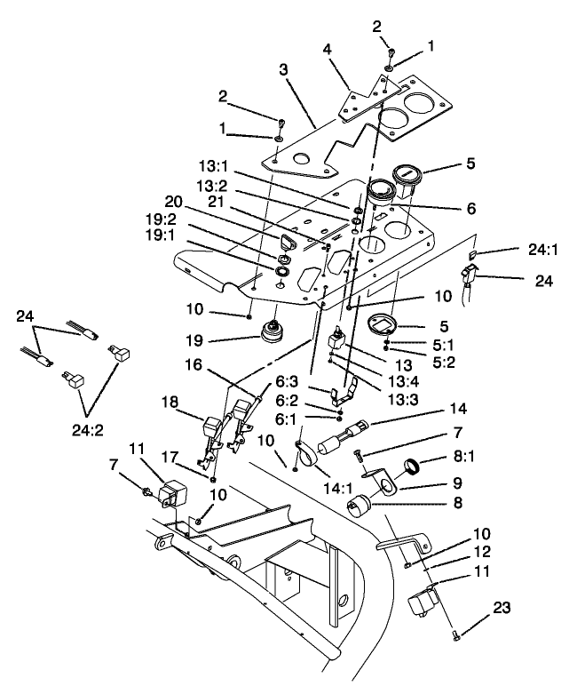
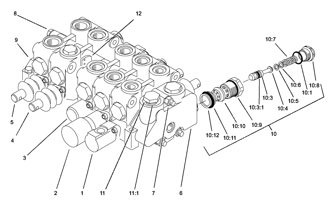
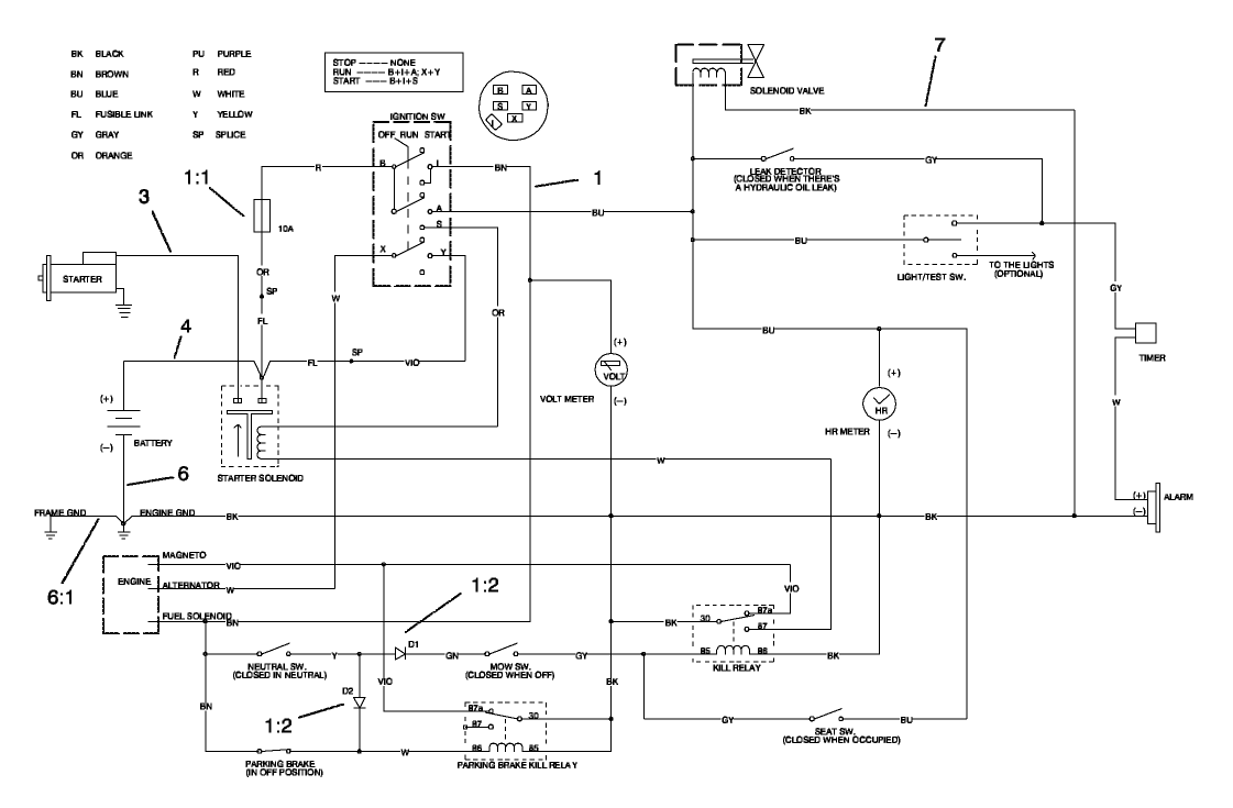
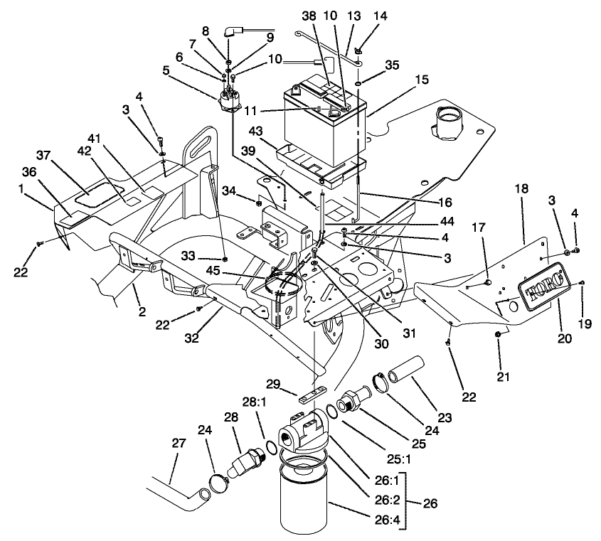
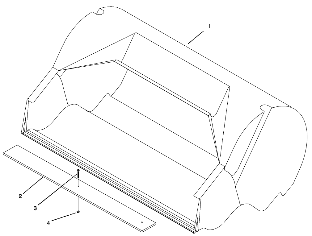
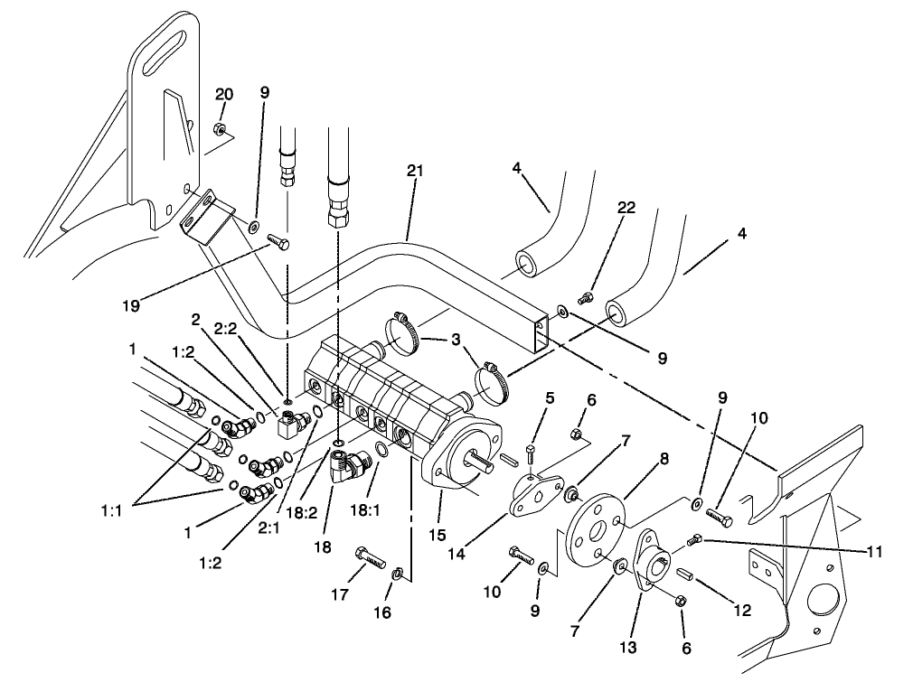
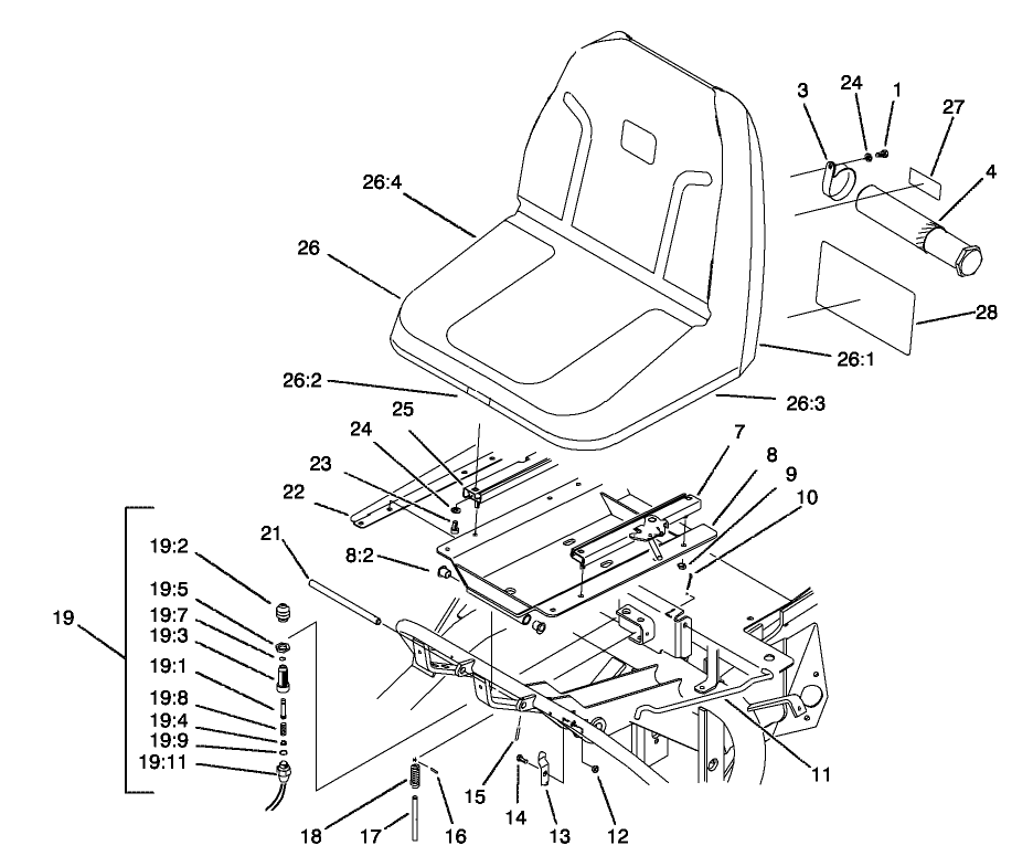
Assembly Drawings
Search for a part within assembly drawings:
-
Service Manual
-
Operator's Manual
-
Parts Catalog
-
EU Declaration of Conformity
-
Service Bulletin
GR3000 8BLD 4BOLT HD (Part # 04404)
GR3000 11BL 4BLT CU (Part # 04406)
GR3000 8 bld 4BOLT CU (Part # 04408)
Full Front Roller Kit, Greensmaster 3000 Series (Part # 04412)
Swaged Roller Kit, Greensmaster 3000 Series (Part # 04414)
VARITRA CONT GR3100 (Part # 04422)
Wiehle Roller Kit, Greensmaster 3000 Series (Part # 04424)
Aluminum Wiehle Roller, Greensmaster 3000 Series (Part # 04426)
GR3000 11BD CU S.P.A (Part # 04450)
Quick Height Of Cut Kit, Greensmaster 3000 (Part # 04451)
Grooming Reel, Greensmaster 3000 Series (Part # 04455)
GR3000 8BL CU SPA (Part # 04468)
3200 THATCHING REEL (Part # 04493)
GR3XXX SPIKER KIT (Part # 04494)
GR3XXX TRI-ROLLER KIT (Part # 04495)
KIT-3WD, GR3100 (Part # 100-6441)
LIGHT KIT-GR3100/3050 (Part # 105-3848)
Light Kit, Greensmaster 3150 (Part # 105-8336)
Scraper Comb Assembly (Part # 11-0070)
Toro OEM Scraper Comb Assembly.
5 Blade Heavy Duty, Reel Assembly (Part # 14-0659)
Wiehle Roller (Part # 21-6540)
Tire-Traction (Part # 231-124)
Variable Quick Height-Of-Cut, Greensmaster 3 (Part # 24-9400)
GM3 BASKET REINF KIT (Part # 26-0900)
REEL SHUTOFF KIT (Part # 28-2150)
Quick Height Of Cut Kit, 4-Bolt Reel Mower (Greensmaster 3000) (Part # 29-5910)
Scraper Brush Assembly (Part # 33-1000)
Toro OEM Scraper Brush Assembly.
Roller Scraper Kit, Greensmaster 3 (Part # 42-4820)
Roller Scraper Kit, Greensmaster 300/3000 SPA Cutting Units (Part # 53-9240)
Fairway Bedknife (Part # 63-8600)
21.25 Inch Fairway Cut Standard Bedknife (Part # 63-8610)
Toro 21.25 Inch OEM Fairawy Cut Standard Bedknife. You can count on the quality and reliability of this replacement Fairway Cut bedknife. Be sure to verify the make and serial number to ensure correct part.
Groomer Brush, Greensmaster 1000 (Part # 65-8330)
Pull Arm Extension (Part # 88-6870)
Groomer Pull Arm Kit, Greensmaster 3000 And 3100 (Part # 92-4953)
Roller Brush Kit, Greensmaster 3000 Single Point Adjustment Cutting Un (Part # 92-9160)
BACKLAP KIT-GR3000 (Part # 92-9656)
Roller Brush Kit, Greensmaster 3000 4-Bolt Cutting Units (Part # 93-0110)
21.25 Inch Micro Cut Standard Bedknife (Part # 93-4262)
Toro 21.25 Inch OEM Micro Cut Standard Bedknife. You can count on the quality and reliability of this replacement Micro Cut bedknife. Be sure to verify the make and serial number to ensure correct part.
21.25 Inch Tournament Cut Standard Bedknife (Part # 93-4263)
Toro 21.25 Inch OEM Tournament Cut Standard Bedknife. You can count on the quality and reliability of this replacement Tournament Cut bedknife. Be sure to verify the make and serial number to ensure correct part.
21.25 Inch Low Cut Standard Bedknife (Part # 93-4264)
Toro 21.25 Inch OEM Low Cut Standard Bedknife. You can count on the quality and reliability of this replacement Low Cut bedknife. Be sure to verify the make and serial number to ensure correct part.
Traction Return Kit (Part # 93-9932)
BACKLAP KIT-GR3XXX (Part # 94-1870)
21.25 Inch High Cut Standard Bedknife (Part # 94-6392)
Toro 21.25 Inch OEM High Cut Standard Bedknife. You can count on the quality and reliability of this replacement High Cut bedknife. Be sure to verify the make and serial number to ensure correct part.
21.25 Inch Tournament Cut Standard Bedknife (Part # 94-6394)
Toro 21.25 Inch OEM Tournament Cut Standard Bedknife. You can count on the quality and reliability of this replacement Tournament Cut bedknife. Be sure to verify the make and serial number to ensure correct part.
21.25 Inch Low Cut Standard Bedknife (Part # 94-6395)
Toro 21.25 Inch OEM Low Cut Standard Bedknife. You can count on the quality and reliability of this replacement Low Cut bedknife. Be sure to verify the make and serial number to ensure correct part.
21.25 Inch High Cut Standard Bedknife (Part # 94-6396)
Toro 21.25 Inch OEM High Cut Standard Bedknife. You can count on the quality and reliability of this replacement High Cut bedknife. Be sure to verify the make and serial number to ensure correct part.
-
Model #
04356 -
Serial #
220000001 - 220001000 -
Product Name
Greensmaster 3100 2 Wheel Drive -
Product Brand
Toro -
Product Type
Riding Products -
Product Series
GR 3000 Series


















































