Multi-Pro 5700-D Turf Sprayer
Product Information
- Model #: 41582
- Serial #: 310000301 - 310999999
- Product Type: Riding Products
Loading...
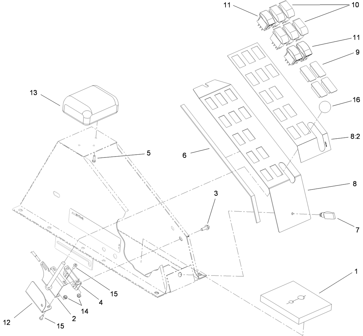
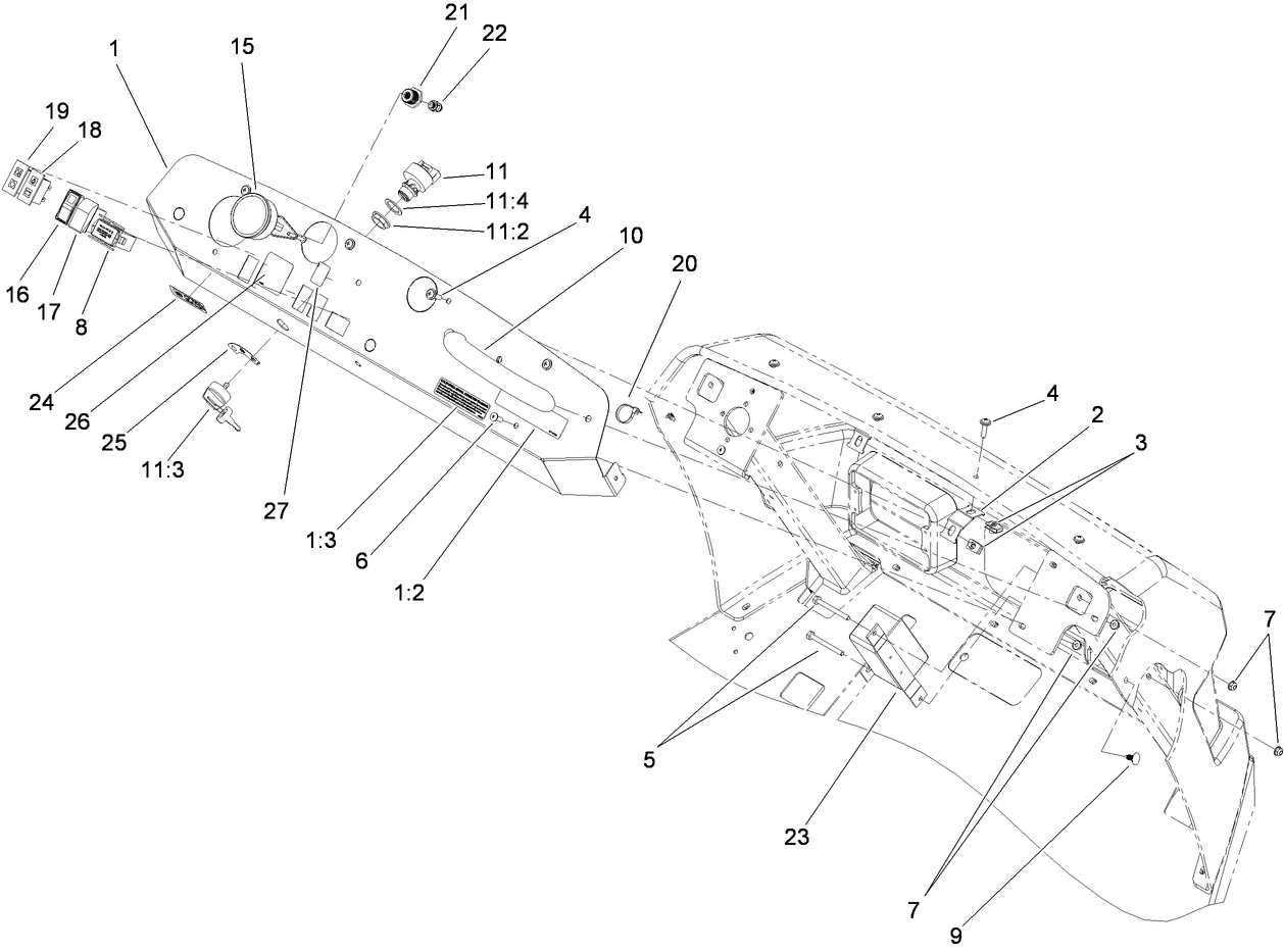
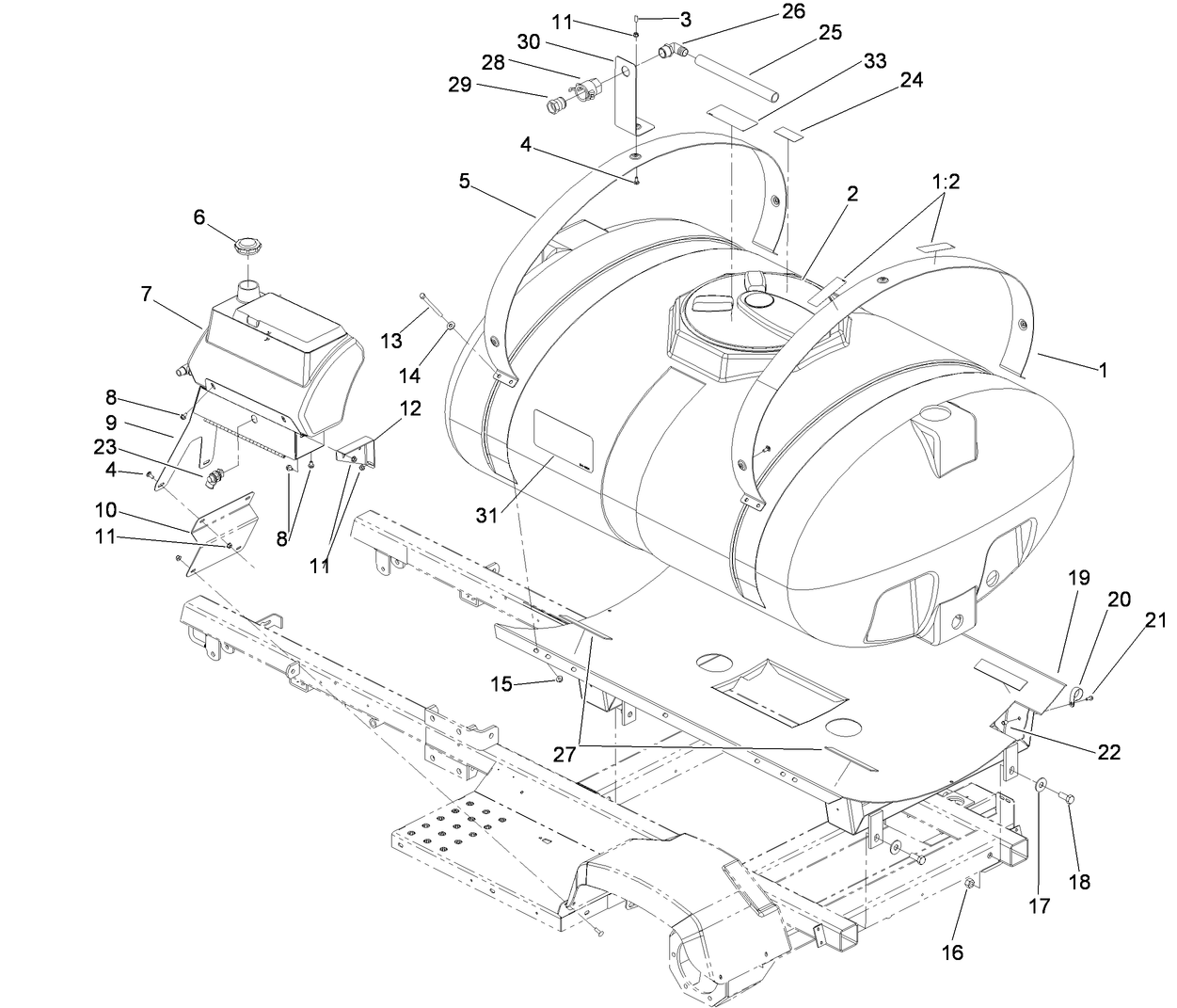
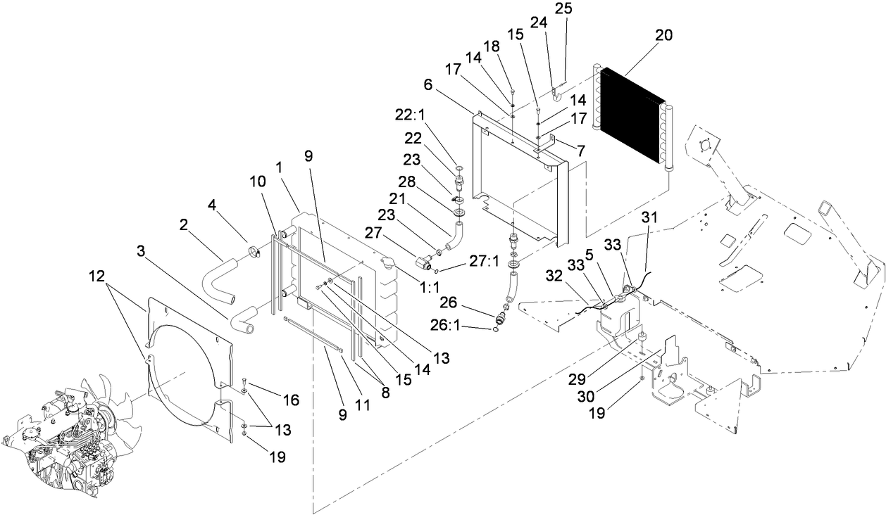
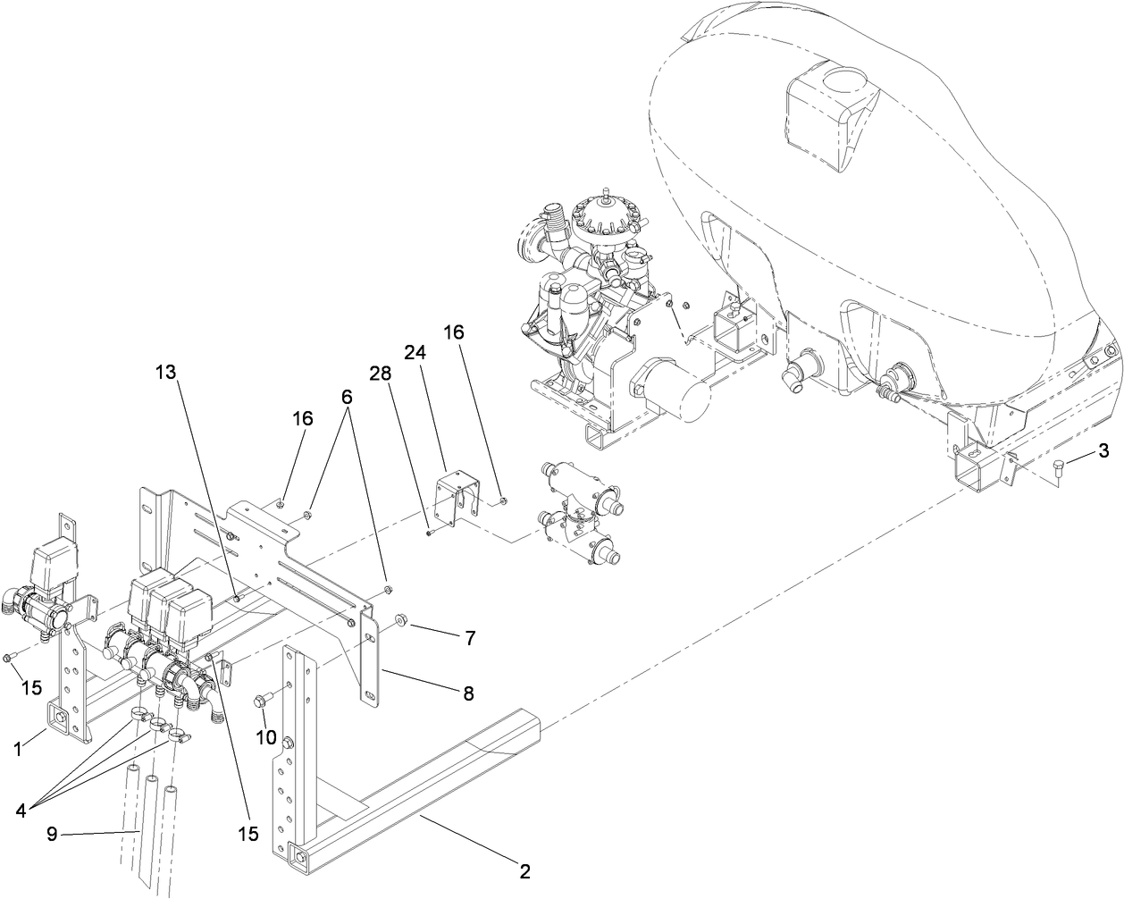
Assembly Drawings
Search for a part within assembly drawings:
-
Service Manual
-
Operator's Manual
-
Parts Catalog
-
EU Declaration of Conformity
-
Reference Guide
-
Service Bulletin
SPEEDOMETER KIT, MP5700 (Part # 106-4839)
HEAT SHIELD BLANKET KIT (Part # 106-4843)
O-RING KIT, SPRAYER VALVES (Part # 106-4846)
Toro 55 Gallon Premium All-Season Hydraulic Fluid (Part # 108-1177)
Toro 55 Gallon Premium All-Season Hydraulic Fluid. Designed for use in Toro equipment created by Toro engineers. If you are unsure of your equipment needs, do a model extreme serial number search to verify that this is the correct oil type for your equipment.
Toro 5 Gallon Premium All Season Hydraulic Fluid (Part # 108-1178)
Toro 5 Gallon Premium All Season Hydraulic Fluid. Designed for use in Toro equipment created by Toro engineers. If you are unsure of your equipment needs, do a model extreme serial number search to verify that this is the correct oil type for your equipment.
PREMIUM ENGINE OIL 10W30 DRUM (Part # 108-1179)
PREMIUM ENGINE OIL 10W30 PAIL (Part # 108-1180)
Premium Heavy Duty All-Season Gear Lube (Part # 108-1188)
Toro 14 oz. All-Purpose Grease (Part # 108-1190)
Toro 14 oz. All-Purpose Grease. Designed for use in Toro equipment created by Toro engineers. If you are unsure of your equipment needs, do a model extreme serial number search to verify that this is the correct oil type for your equipment.
Toro 32 oz. Premium All-Season Gear Lube 85W-140 (Part # 108-1591)
Toro 32 oz. Premium All-Season Gear Lube 85W-140. Designed for use in Toro equipment created by Toro engineers. If you are unsure of your equipment needs, do a model extreme serial number search to verify that this is the correct oil type for your equipment.
Repair Kit - Seal (Part # 108-3263)
Contains 108-3267 @ 1, 108-3266 @ 1
MOUNT-FOAM MARKER TANK (Part # 112-7812)
Heat Shield Kit, Multi-Pro 5700-D Turf Sprayer (Part # 117-5840)
Single Nozzle Kit, Multi-Pro Turf Sprayers (Part # 41024)
Pro Control Spray System, Multi-Pro 5600 (Part # 41086)
Pro Foam Concentrate (Part # 41157)
Sonic Boom Kit, Multi-Pro Turf Sprayers (Part # 41217)
Foam Marker Kit, Multi-Pro 1200, 1250, 5600 and 5700 Turf Sprayers and (Part # 41236)
Roll-Over Protection System, Multi-Pro 5000 Series Turf Sprayer (Part # 41566)
Electric Hose Reel Kit, Multi-Pro 5600/5700 Turf Sprayer (Part # 41569)
Spray Gun Kit, Multi-Pro 5600/5700 Turf Sprayer (Part # 41580)
Pro-Foam Concentrate (1 Gallon) (Part # 41607)
-
Model #
41582 -
Serial #
310000301 - 310999999 -
Product Name
Multi-Pro 5700-D Turf Sprayer -
Product Brand
Toro -
Product Type
Riding Products -
Product Series
Turf Maintenance Equipment













































































