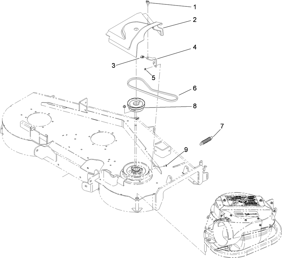
Blower and Drive Kit, 48in E-Z Vac for Z Master Mower
Product Information
- Model #: 78551
- Serial #: 313000001 - 313999999
- Product Type: Attachments
Loading...
Assembly Drawings
Search for a part within assembly drawings:
-
Parts Catalog
-
Installation Instructions
-
Model #
78551 -
Serial #
313000001 - 313999999 -
Product Name
Blower and Drive Kit, 48in E-Z Vac for Z Master Mower -
Product Brand
Toro -
Product Type
Attachments -
Product Series
Attachments & Kits, LCE Riding

