Commercial Walk-Behind Mower, 16HP, T-Bar, Gear Drive with 91cm TURBO FORCE Cutting Unit
Product Information
- Model #: 30070
- Serial #: 315000001 - 315999999
- Product Type: Walk Behind Mowers
Loading...
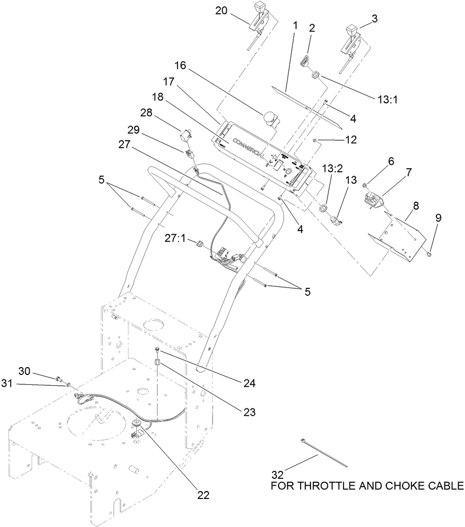
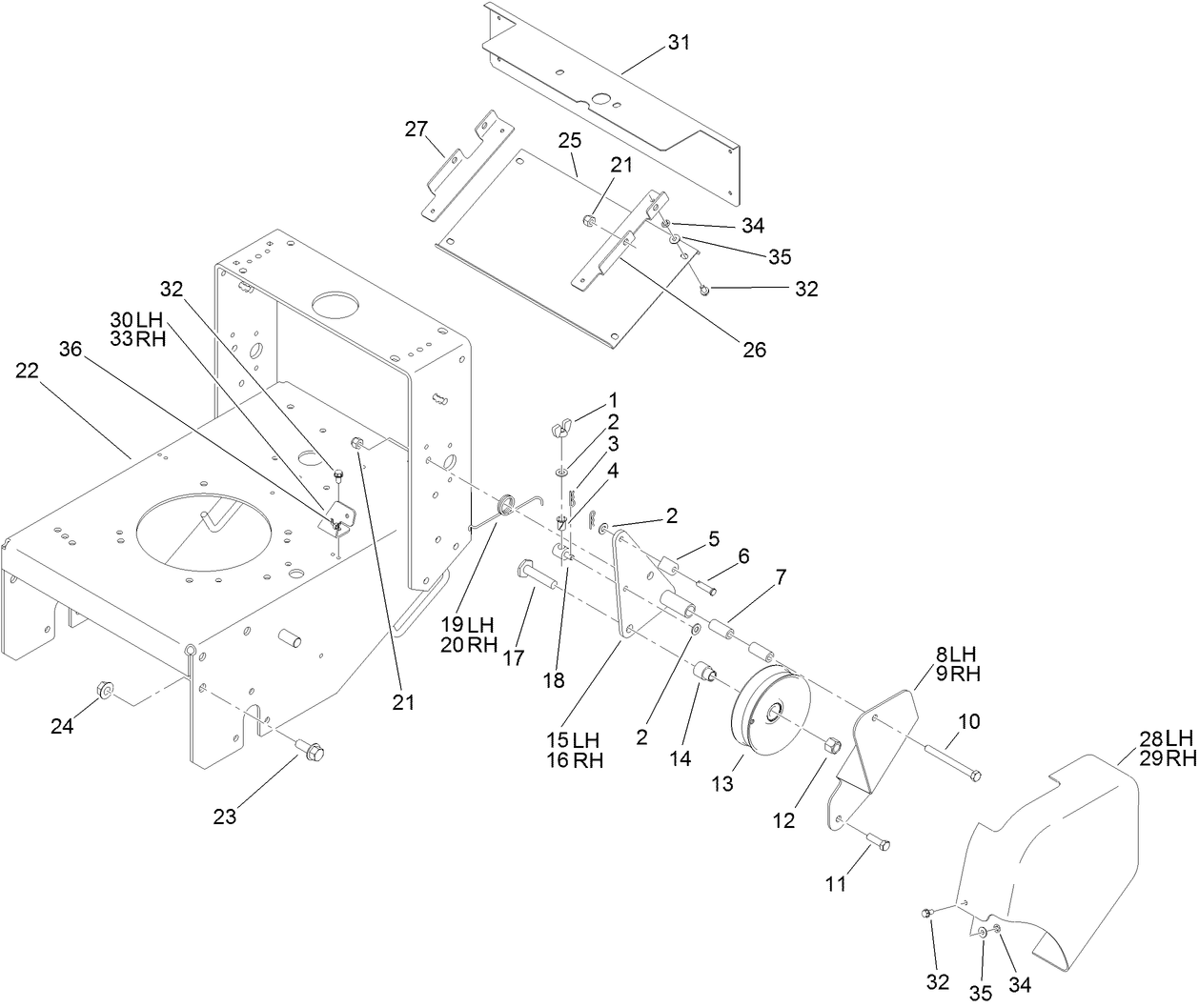
Assembly Drawings
Search for a part within assembly drawings:
-
Operator's Manual
-
Parts Catalog
-
EU Declaration of Conformity
-
Setup Instructions
18 Inch Recycler Blade (Part # 105-7779-03)
Toro OEM Recycler blade. Recycler straight edge, standard discharge blade. The blade is designed for a High quality cut and long-lasting durability. These blades are designed with “wings,” called “accelerators” that kind of act like a fan — forcing the tiny bits of grass back into the earth. This Toro blade has multiple applications. Be sure to verify model and serial number to ensure the correct part.
18 Inch Medium Flow Blade (Part # 105-7794-03)
Toro OEM Medium Flow blade. Medium Flow mower straight edge, standard discharge blade. These blades have slight upward angle on the edges. Great blades for use when horsepower is a concern. Produce medium Flow but requires less horsepower than Hi-Flow blades. This Toro blade has multiple applications. Be sure to verify model and serial number to ensure the correct part.
18 Inch Low Flow Blade (Part # 105-7795-03)
Toro OEM Low Flow blade. Low Flow mower blades have slightly curved ends that keep air Flow to a minimum. The lack of suction allows cut grass to exit the mower while keeping dust and debris levels down. Toro Low Flow mower blades cause less engine strain than Hi-Flow blades. This Toro blade has multiple applications. Be sure to verify model and serial number to ensure the correct part.
18 Inch Atomic Blade (Part # 105-7796-03)
Toro OEM Atomic blade. The Toro Atomic blade is commonly referenced as a “Gator Style” or “Gator Blade”. Provides the best quality of cut while mulching. This Toro blade has multiple applications. Be sure to verify model and serial number to ensure the correct part.
18 Inch High Flow Blade (6 Pack) (Part # 108-1117)
This sharp replacement Hi-Flow lawn mower blade provides a crisp, clean cut time after time. You can count on the quality and reliability of this Toro replacement Hi-Flow lawn mower blade. This Toro blade has multiple applications. Be sure to verify model and serial number to ensure the correct part.
Atomic Blade Pack (6) (Part # 108-1118)
Toro OEM Atomic blade pack. (6) 18 Inch Atomic blades. Atomic blade is commonly referenced as a “Gator Style” or “Gator Blade”. Provides the best quality of cut while mulching. This Toro blade has multiple applications. Be sure to verify model and serial number to ensure the correct part.
Low Flow 18 Inch Blade Pack (6) (Part # 110-0406)
Toro 18 Inch OEM Low Flow blade pack. (6) Low Flow blades. Low Flow mower blades have slightly curved ends that keep air Flow to a minimum. The lack of suction allows cut grass to exit the mower while keeping dust and debris levels down. Toro Low Flow mower blades cause less engine strain than Hi-Flow blades. This Toro blade has multiple applications. Be sure to verify model and serial number to ensure the correct part.
Recycler 18 Inch Blade Pack (6) (Part # 110-0408)
Toro 18 Inch OEM Recycler blade pack. (6) Recycler blades. Recycler straight edge, standard discharge blade. The blade is designed for a High quality cut and long-lasting durability. These blades are designed with “wings,” called “accelerators” that kind of act like a fan — forcing the tiny bits of grass back into the earth. This Toro blade has multiple applications. Be sure to verify model and serial number to ensure the correct part.
Mid Flow 18 Inch Blade Pack (6) (Part # 110-0409)
Toro 18 Inch OEM Medium Flow blade pack. (6) Medium Flow blades. Medium Flow mower straight edge, standard discharge blade. These blades have slight upward angle on the edges. Great blades for use when horsepower is a concern. Produce medium Flow but requires less horsepower than Hi-Flow blades. This Toro blade has multiple applications. Be sure to verify model and serial number to ensure the correct part.
36 inch Bagger Enhancement Kit (Part # 110-2026)
Genuine OEM Part
36 Inch GrandStand Recycler Kit (Part # 110-2080)
By adding the Toro Recycler system to your Toro GrandStand riding mower, you create your own natural fertilizer. The 36 in. Recycler Kit, when installed on compatible 36 in. deck Toro zero turn riding mowers, gives it the capability to mulch grass by cutting it multiple times turning it into fine clipping pieces. These are returned under the mower back into the soil to serve as natural fertilizer.
Please contact your local dealer
GrandStand 15 lbs Cast Weight (Part # 112-7059-01)
GrandStand 15 lbs Cast Weight for Toro Grandstand models. Helps distribute weight for a smooth ride and an even cut on rough terrain. When it comes to reliability, Toro delivers replacement parts designed to the exact engineering specifications of our equipment. For peace of mind, insist on Toro genuine parts.
Midsize Chute Gate Kit (Part # 115-4190)
Genuine OEM Part
*OBS* Toro full synthetic 10W-30 engine oil (Part # 117-0066)
Toro full synthetic 10W-30 engine oil. The easy engine oil choice for any outdoor power equipment
to increase performance and reliability.
Oil Filter (Part # 119-5852)
Your Toro engine’s oil filter removes waste, captures harmful debris, dirt, and metal fragments in your motor oil to keep the engine running smoothly. Without the oil filter, harmful particles can get into your motor oil and damage the engine. Installing genuine Toro engine oil filters on a regular service intervals keeps your Toro equipment running at its best!
Fuel Filter (Part # 120-2235)
The fuel filter prevents dust particles and fuel contaminants from entering the engine which could damage the cylinders, pistons and other components that will result in the need of costly repairs. Replacing these filters with a genuine Toro fuel filter prevents problems and ensures longer engine life.
Air Filter Element - Primary (Part # 120-7447)
Having a properly functioning air filter is an engine’s first line of defense against the dirt and debris that is kicked up during the operation. When the air filter is in good condition and working properly, it prevents dirt from entering the engine through the carburetor. Count on Toro genuine OEM air cleaners and air cleaner assemblies to keep your gasoline powered equipment running at peak performance.
3 Bushell Soft Collection Bag for GrandStand Mowers (Part # 30104)
3 Bushell Soft Collection Bag for GrandStand Mowers. To best protect your investment and maintain optimal performance of your equipment, count on Toro genuine parts and accessories.
Please contact your local dealer
Please contact your local dealer
SAE 30 4-Cycle Lawn Mower Engine Oil 32 oz (Part # 38903)
Toro SAE 30 4-cycle engine oil passed the strictest requirements in thousands of hours of testing in hundreds of engines before you filled your lawn mower. This oil meets or exceeds performance requirements of all OEM engines (Toro, Briggs & Stratton, KOLHER, Honda, and Tecumseh). The use of Toro SAE 30 4-cycle lawn mower oil minimizes molecular shearing for extended life in hot-air-cooled applications vs multi-grades (i.e., 10W-30).
Spark Plug (Part # 92-2153)
Replacement part.
-
Model #
30070 -
Serial #
315000001 - 315999999 -
Product Name
Commercial Walk-Behind Mower, 16HP, T-Bar, Gear Drive with 91cm TURBO FORCE Cutting Unit -
Product Brand
Toro -
Product Type
Walk Behind Mowers -
Product Series
Mid-Size ProLine Mower -
Chassis Type
Mid-size - Floating Deck -
Swath
91cm -
Discharge
Side -
Engine/Motor Manufacturer
Kawasaki -
Engine/Motor Size
16 hp -
Engine/Motor Type
4 Cycle -
Engine Starter
Recoil -
Transmission Type
Gear -
Traction Type
2wd
-
Engine: Spark Plug
NGK BPR4ES -
Engine: Spark Plug Gap
.030"/ .76mm -
Engine: Engine Speed
2800±100 RPM -
Drive System: Gearbox Lubricant
Peerless Bentonite Grease -
Engine: Ignition Coil Air Gap
.008-.016" / .2-.4mm -
Chassis: Height of Cut Range
1-4.5", 1/4" increments -
Chassis: Tire Pressure
12-14 psi rear -
Drive System: Ground Speed
Fwd. 2.0 / 2.6 / 3.4 / 4.1 / 6.1 Rev. 3.0 mph -
Engine: Engine Oil Type
67 oz. (2.1 Liter) SAE 10W-30 or 10W-40















