Z Master Professional 7000 Series Riding Mower, With 132cm TURBO FORCE Side Discharge Mower
Product Information
- Model #: 72264TE
- Serial #: 411700000 - 999999999
- Product Type: Riding Products
Loading...
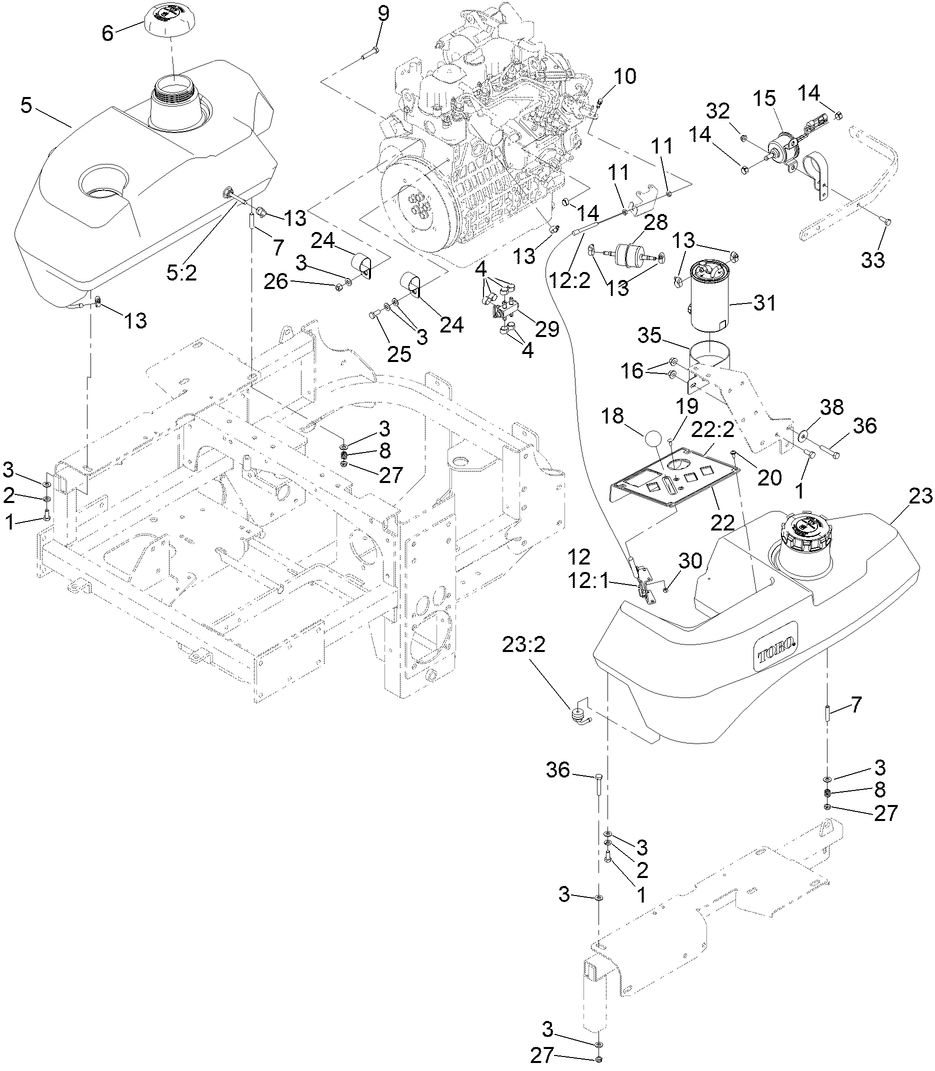
Assembly Drawings
Search for a part within assembly drawings:
-
Service Manual
-
Operator's Manual
-
Parts Catalog
-
Product Warranty
-
Setup Instructions
-
EU/UK Declaration of Conformity
Z-Master Spark Arrestor (Part # 105-1672)
Toro OEM spark arrestor prevents carbon build ups from being ejected from the engine and igniting a fire.
Please contact your local dealer
Rubber Striping Kit (Part # 107-1630)
Toro OEM A mower striping kit. The ultimate way to enhance the striping ability of your Z-Master. When it comes to reliability, Toro delivers replacement parts designed to the exact engineering specifications of our equipment. For peace of mind, insist on Toro genuine parts.
GrandStand Turbo Baffle Kit (Part # 107-1634)
GrandStand Turbo Baffle Kit. To best protect your investment and maintain optimal performance of your equipment, count on Toro genuine parts and accessories.
Z-Master Light Kit (Part # 107-9880)
Extend your mowing day with these Toro genuine high-intensity, low amperage LED light kit. This lighting kit is built in durable cast aluminum alloy housing with stainless steel mounting hardware and wiring harness and lighted rocker switch. When it comes to reliability, Toro delivers replacement parts designed to the exact engineering specifications of our equipment. For peace of mind, insist on Toro genuine parts.
Roller Striping Kit (Part # 108-2162)
Toro OEM A mower striping kit. The ultimate way to enhance the striping ability of your Z-Master. When it comes to reliability, Toro delivers replacement parts designed to the exact engineering specifications of our equipment. For peace of mind, insist on Toro genuine parts.
Hypr-Oil™ 500 (quart) (Part # 114-4713)
High Performance Hydro Oil
Hypr-Oil™ 500 (gallon) (Part # 114-4714)
High Performance Hydro Oil
Hypr-Oil™ 500 Hydraulic Oil (5 gallon) (Part # 114-4715)
Maximize commercial mower performance with Hypr-Oil™ 500. Tested and approved by Toro Engineering.
Bimini Folding Sunshade Assembly (Part # 115-4510)
Toro genuine Optional fabric sun shade provides protection and comfort by shielding the operator from the elements.
Seat Cover w/Arm Rest (Part # 117-0095)
Toro OEM Seat Cover W/Arm Rest will fit Z Masters. Make your old seat look like new! Plus, the extra padding offers a more comfortable ride.
18 Inch Hi-Flow Blade (Part # 140-1242)
Toro OEM Hi-Flow blade. This sharp replacement Hi-Flow lawn mower blade provides a crisp, clean cut time after time. You can count on the quality and reliability of this Toro replacement Hi-Flow lawn mower blade. This Toro blade has multiple applications. Be sure to verify model and serial number to ensure the correct part.
18 Inch Medium Flow Mower Blade (Part # 140-4856)
Toro 18 Inch OEM Medium Flow blade. Medium Flow mower straight edge, standard discharge blade. These blades have slight upward angle on the edges. Great blades for use when horsepower is a concern. Produce medium Flow but requires less horsepower than Hi-Flow blades. This Toro blade has multiple applications. Be sure to verify model and serial number to ensure the correct part.
18 Inch Low Flow Mower Blade (Part # 140-4857)
Toro 18 Inch OEM Low Flow blade. Low Flow mower blades have slightly curved ends that keep air Flow to a minimum. The lack of suction allows cut grass to exit the mower while keeping dust and debris levels down. Toro Low Flow mower blades cause less engine strain than Hi-Flow blades. This Toro blade has multiple applications. Be sure to verify model and serial number to ensure the correct part.
18 Inch Atomic Blade (Part # 140-4858)
Toro 18 Inch OEM Atomic blade. The Toro Atomic blade is commonly referenced as a “Gator Style” or “Gator Blade”. Provides the best quality of cut while mulching. This Toro blade has multiple applications. Be sure to verify model and serial number to ensure the correct part.
18 Inch Recycler Blade (Part # 140-4859)
Toro18 Inch OEM Recycler blade. Recycler straight edge, standard discharge blade. The blade is designed for a High quality cut and long-lasting durability. These blades are designed with “wings,” called “accelerators” that kind of act like a fan — forcing the tiny bits of grass back into the earth. This Toro blade has multiple applications. Be sure to verify model and serial number to ensure the correct part.
Hi-Flow 18 Inch Blade Pack (6) (Part # 140-4882)
Toro 18 Inch OEM Hi-Flow blade pack. (6) Hi-Flow blades. This sharp replacement Hi-Flow lawn mower blade provides a crisp, clean cut time after time. You can count on the quality and reliability of this Toro replacement Hi-Flow lawn mower blade. This Toro blade has multiple applications. Be sure to verify model and serial number to ensure the correct part.
Mid Flow 18 Inch Blade Pack (6) (Part # 140-4883)
Toro 18 Inch OEM Medium Flow blade pack. (6) Medium Flow blades. Medium Flow mower straight edge, standard discharge blade. These blades have slight upward angle on the edges. Great blades for use when horsepower is a concern. Produce medium Flow but requires less horsepower than Hi-Flow blades. This Toro blade has multiple applications. Be sure to verify model and serial number to ensure the correct part.
Low Flow 18 Inch Blade Pack (6) (Part # 140-4884)
Toro 18 Inch OEM Low Flow blade pack. (6) Low Flow blades. Low Flow mower blades have slightly curved ends that keep air Flow to a minimum. The lack of suction allows cut grass to exit the mower while keeping dust and debris levels down. Toro Low Flow mower blades cause less engine strain than Hi-Flow blades. This Toro blade has multiple applications. Be sure to verify model and serial number to ensure the correct part.
Atomic 18 Inch Blade Pack (6) (Part # 140-4885)
Toro OEM Atomic blade pack. (6) 18 Inch Atomic blades. Atomic blade is commonly referenced as a “Gator Style” or “Gator Blade”. Provides the best quality of cut while mulching. This Toro blade has multiple applications. Be sure to verify model and serial number to ensure the correct part.
Recycler 18 Inch Blade Pack (6) (Part # 140-4886)
Toro 18 Inch OEM Recycler blade pack. (6) Recycler blades. Recycler straight edge, standard discharge blade. The blade is designed for a High quality cut and long-lasting durability. These blades are designed with “wings,” called “accelerators” that kind of act like a fan — forcing the tiny bits of grass back into the earth. This Toro blade has multiple applications. Be sure to verify model and serial number to ensure the correct part.
Z-Master 52 inch Operator Chute Gate Kit (Part # 78521)
Toro OEM chute gate kit. Protect people and property from flying debris, keep grass out of flower beds and driveways, reducing raking, blowing and re-mowing.
Please contact your local dealer
Toro Filter Gauge for Kohler Engines (Part # 99-4664)
Toro genuine filter gauge. This Toro filter gauge shows when filters are nearing restriction limits, graduated indicators help you maximize filter life and effectively schedule service intervals. Toro would like to remind you that fitment can vary by sub model, serial number, and/or production date of your equipment. Please refer to the original owners manual in order to verify this is correct part for your machine.
Hitch Kit (Part # 99-8925)
Add versatility to your Toro Z-Master with this easy to install hitch kit . This genuine Toro part provides towing capability for spreaders, carts and other attachments.
-
Model #
72264TE -
Serial #
411700000 - 999999999 -
Product Name
Z Master Professional 7000 Series Riding Mower, With 132cm TURBO FORCE Side Discharge Mower -
Product Brand
Toro -
Product Type
Riding Products -
Product Series
Zero Radius Turn, Professional 7000 Series -
Chassis Type
ZRT - LCE -
Swath
52 inch / 132 cm -
Discharge
Side Discharge -
Engine/Motor Manufacturer
Kubota -
Engine/Motor Size
25 hp -
Engine/Motor Type
4 Cycle Diesel -
Engine Starter
Electric -
Transmission Type
Hydrostatic -
Traction Type
Rear WD
-
Chassis: Height of Cut Range
1.5" - 5" (38-127mm) -
Chassis: Tire Pressure
13 psi / 90 kPa -
Engine: Battery
12V 450 CCA -
Engine: Engine Oil Type
w/filter chg 3.9 qt. / 3.7L, SAE20, 10w30, 10w40 -
Drive System: Gearbox Lubricant
132 oz. (3.9 liters) 15w50 synthetic motor oil -
Engine: Engine Speed
3350+20/-50 RPM -
Drive System: Ground Speed
0-11 mph / 0-17.5kph






















































