7500-G Series 96 in. (244 cm) 38 hp
Product Information
- Model #: 74090
- Serial #: 418324029 - 418908981
- Product Type: Riding Products
Loading...
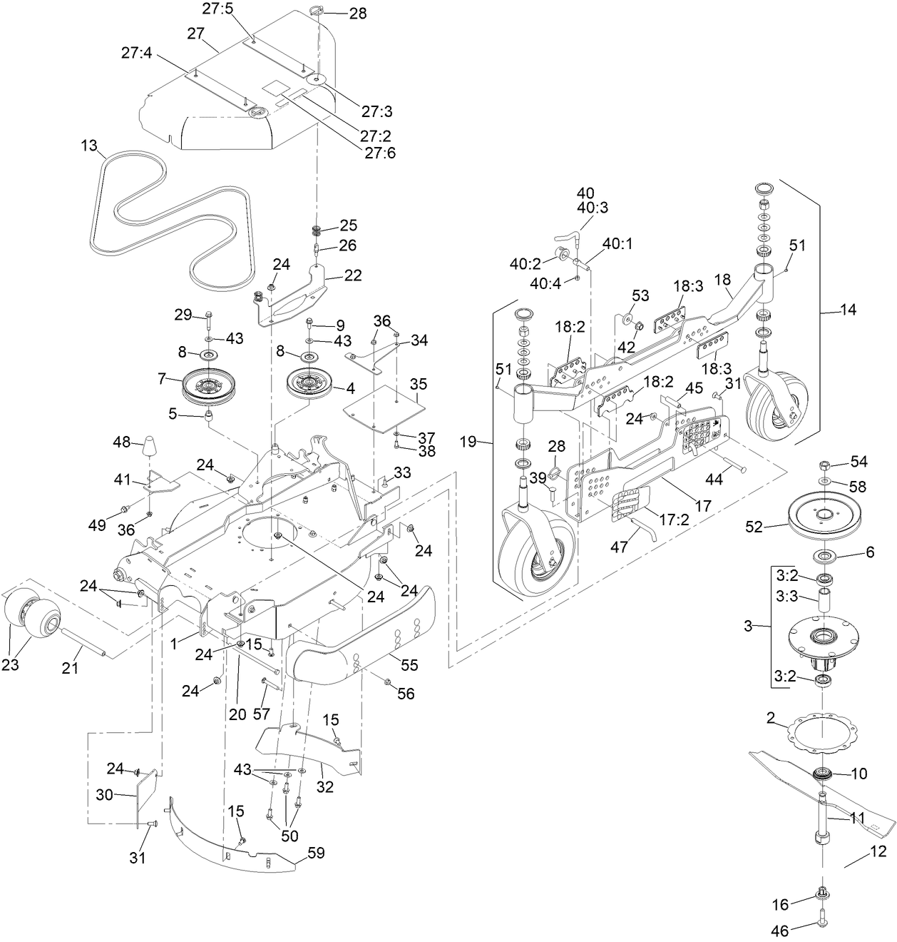
Assembly Drawings
Search for a part within assembly drawings:
-
Service Manual
-
Operator's Manual
-
Parts Catalog
-
Product Warranty
-
Setup Instructions
-
Software Guide
-
ACMA Declaration of Conformity
Toro 55 Gallon Premium Transmission/Hydraulic Fluid (Part # 108-1183)
Toro 55 Gallon Premium Transmission/Hydraulic Fluid. Designed for use in Toro equipment created by Toro engineers. If you are unsure of your equipment needs, do a model extreme serial number search to verify that this is the correct oil type for your equipment.
Please contact your local dealer
Toro 5 Gallon Premium Transmission/Hydraulic Fluid (Part # 108-1184)
Toro 5 Gallon Premium Transmission/Hydraulic Fluid. Designed for use in Toro equipment created by Toro engineers. If you are unsure of your equipment needs, do a model extreme serial number search to verify that this is the correct oil type for your equipment.
Hypr-Oil™ 500 (quart) (Part # 114-4713)
High Performance Hydro Oil
Hypr-Oil™ 500 (gallon) (Part # 114-4714)
High Performance Hydro Oil
Please contact your local dealer
Hypr-Oil™ 500 Hydraulic Oil (5 gallon) (Part # 114-4715)
Maximize commercial mower performance with Hypr-Oil™ 500. Tested and approved by Toro Engineering.
Seat Cover w/Arm Rest (Part # 117-0095)
Toro OEM Seat Cover W/Arm Rest will fit Z Masters. Make your old seat look like new! Plus, the extra padding offers a more comfortable ride.
Suspension Seat and Mount Kit (Part # 121-7596)
Toro suspension seat increases operator comfort and boosts productivity in ways you’ve never imagined. Mow longer without stopping and cut around even the most intricate landscaping at faster speeds with better results. When it comes to reliability, Toro delivers replacement parts designed to the exact engineering specifications of our equipment. For peace of mind, insist on Toro genuine parts.
Riding Mower Jack Kit (Part # 127-6666)
Genuine Toro jack mount kit. Mounts to the front of the mower and allows the owner to raise the mower to gain access to the underside of the deck to check blades or wash the deck. To best protect your investment and maintain optimal performance of your turf equipment, count on Toro genuine parts. When it comes to reliability, Toro delivers replacement parts designed to the exact engineering specifications of our equipment. For peace of mind, insist on Toro genuine parts.
Please contact your local dealer
Please contact your local dealer
KIT - SERVICE TOOL (Part # 137-9220)
Genuine OEM Part
24.5" Mulching Blade (Part # 140-1246)
Toro 24.5" OEM mulching blade. Toro mulching blades feature more curves and an increased cutting edge. The curved surface and increased cutting edge allows the blade to cut the grass and bring it into the deck where it is cut several more times before falling back onto the lawn in much smaller pieces. . This Toro blade has multiple applications. Be sure to verify model and serial number to ensure the correct part.
Riding Mower Toe board Weights (Part # 140-4958)
Toro genuine riding mower weight kit. Provides added stability on uneven terrain or when using rear mounted bagging attachments. When it comes to reliability, Toro delivers replacement parts designed to the exact engineering specifications of our equipment. For peace of mind, insist on Toro genuine parts.
Toro Titan Deluxe Cover (Part # 490-7319)
Toro OEM deluxe rider cover keeps your Titan riding lawn mower protected from the elements when not in use. Cover is made to withstand wear and tear and features elastic cord to keep cover in place. Perfect for equipment stored outside or for seasonal use. When it comes to reliability, Toro delivers replacement parts designed to the exact engineering specifications of our equipment. For peace of mind, insist on Toro genuine parts.
Toro Rider Arm Rest Bag (Part # 490-7320)
Toro genuine rider arm rest bag. When it comes to reliability, Toro delivers replacement parts designed to the exact engineering specifications of our equipment. For peace of mind, insist on Toro genuine parts.
Toro Filter Gauge for Kohler Engines (Part # 99-4664)
Toro genuine filter gauge. This Toro filter gauge shows when filters are nearing restriction limits, graduated indicators help you maximize filter life and effectively schedule service intervals. Toro would like to remind you that fitment can vary by sub model, serial number, and/or production date of your equipment. Please refer to the original owners manual in order to verify this is correct part for your machine.
-
Model #
74090 -
Serial #
418324029 - 418908981 -
Product Name
7500-G Series 96 in. (244 cm) 38 hp -
Product Brand
Toro -
Product Type
Riding Products -
Product Series
Zero Radius Turn, Professional 7500-D Series -
Chassis Type
ZRT - LCE -
Swath
96 inch / 244 cm -
Discharge
Recycler -
Engine/Motor Manufacturer
Kohler -
Engine/Motor Size
38 hp -
Engine/Motor Type
4 Cycle AC EFI -
Engine Starter
Electric -
Transmission Type
Hydrostatic -
Traction Type
Rear WD
-
Engine: Spark Plug Gap
.030"/ .76mm -
Engine: Ignition Coil Air Gap
.008-.016" / .2-.4mm -
Engine: Battery
12V -
Engine: Engine Oil Type
61 oz. (1.8 Liter) SAE 10W-30 or 10W-40 -
Engine: Spark Plug
Champion XC12YC -
Chassis: Height of Cut Range
1" - 5.5" (25-140mm) -
Drive System: Ground Speed
0-10 mph / 0-16kph -
Drive System: Gearbox Lubricant
HYPR-OIL 500 / 15w-50 Synthetic Motor Oil -
Engine: Engine Speed
3650 RPM -
Chassis: Tire Pressure
Rear 18 psi









































