Workman 3200
Product Information
- Model #: 07200
- Serial #: 40001 - 40499
- Product Type: Vehicles
Loading...
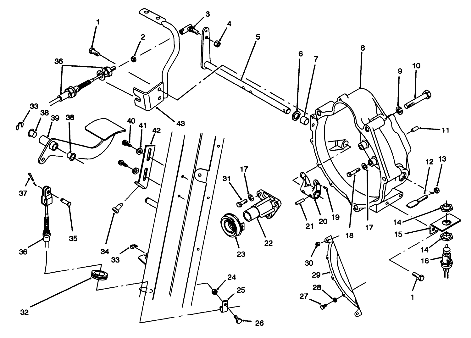
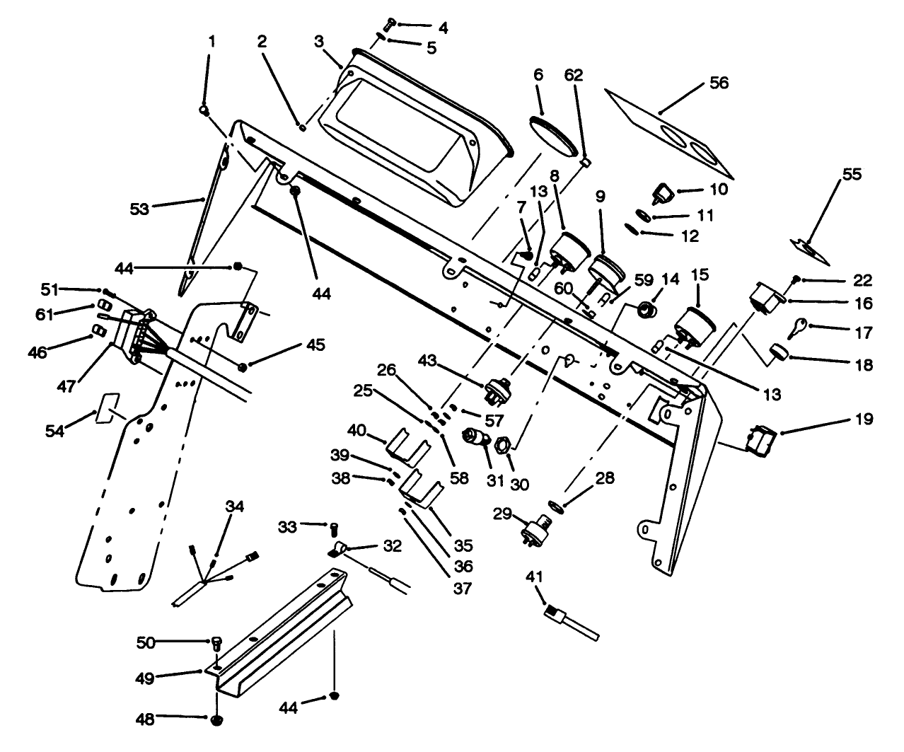
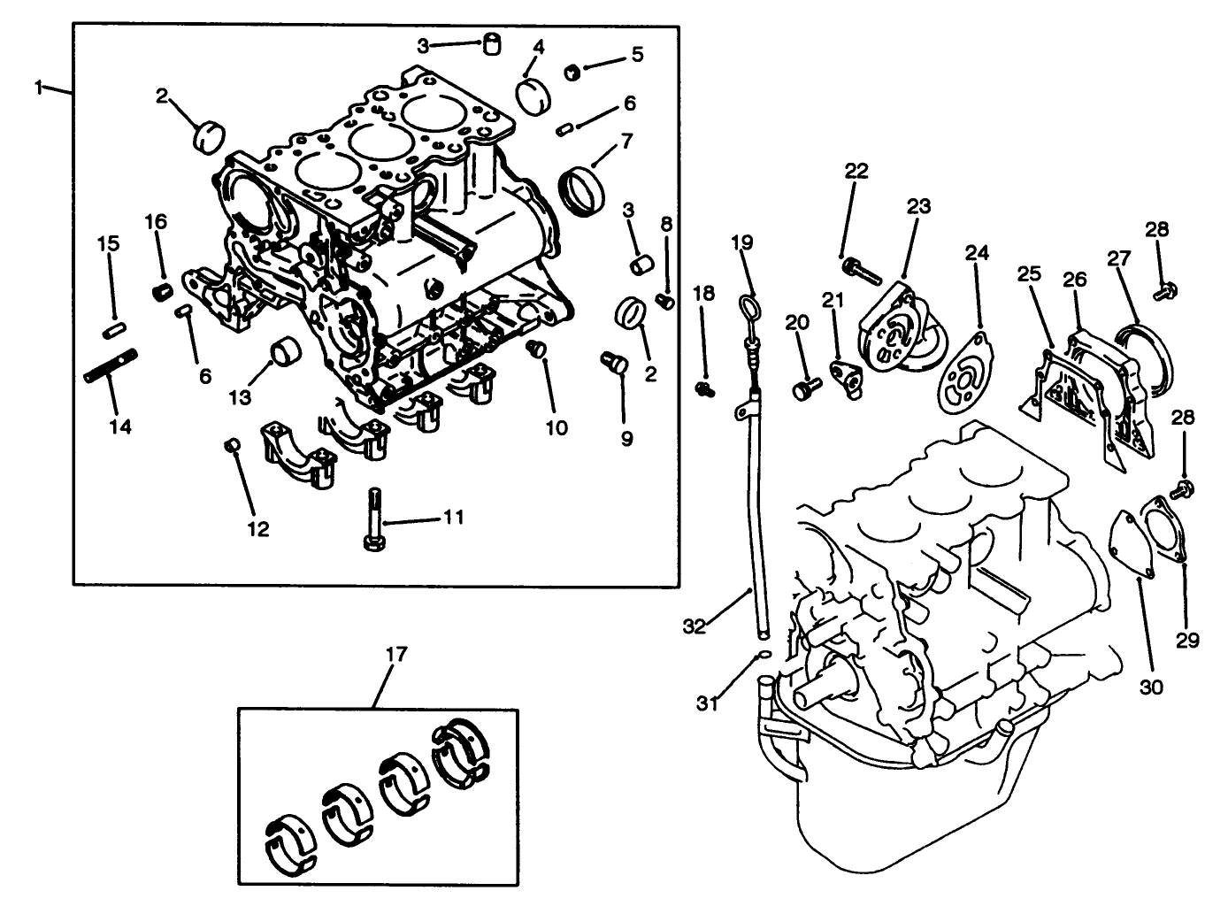
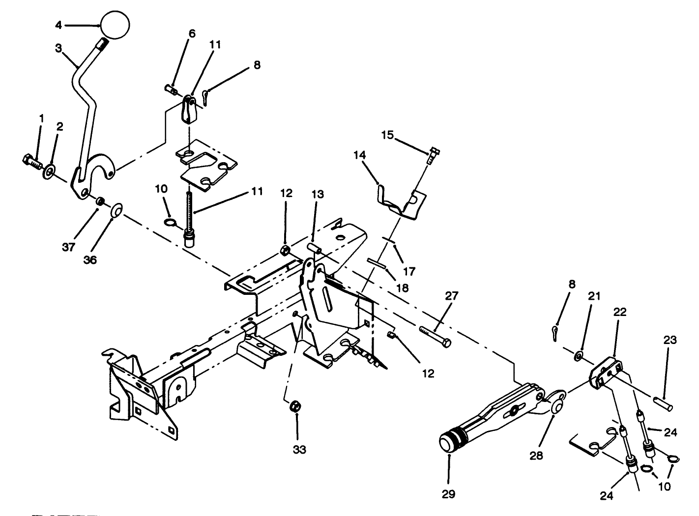
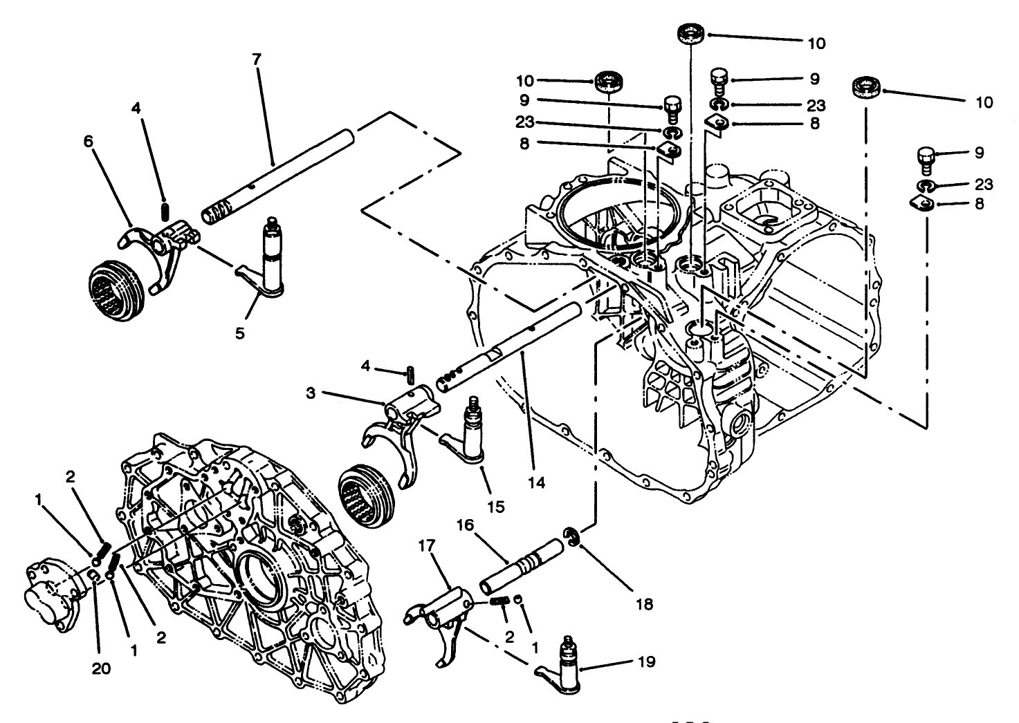
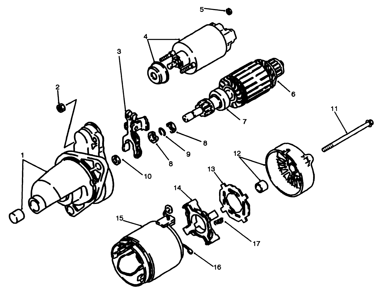
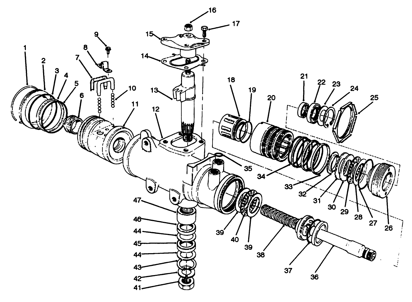
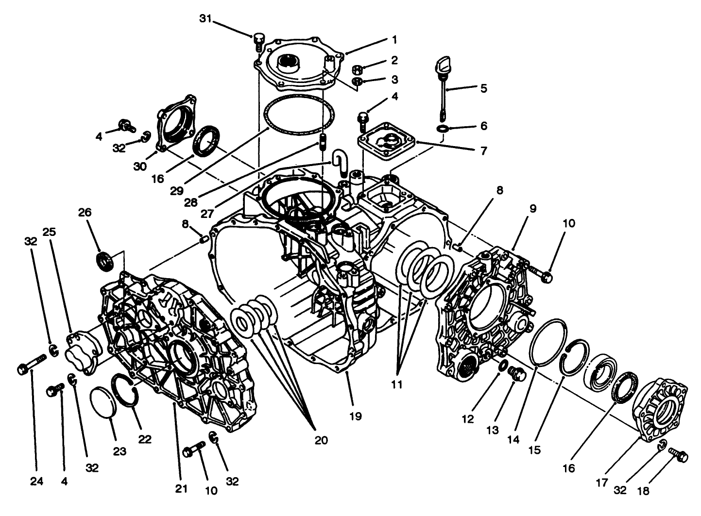
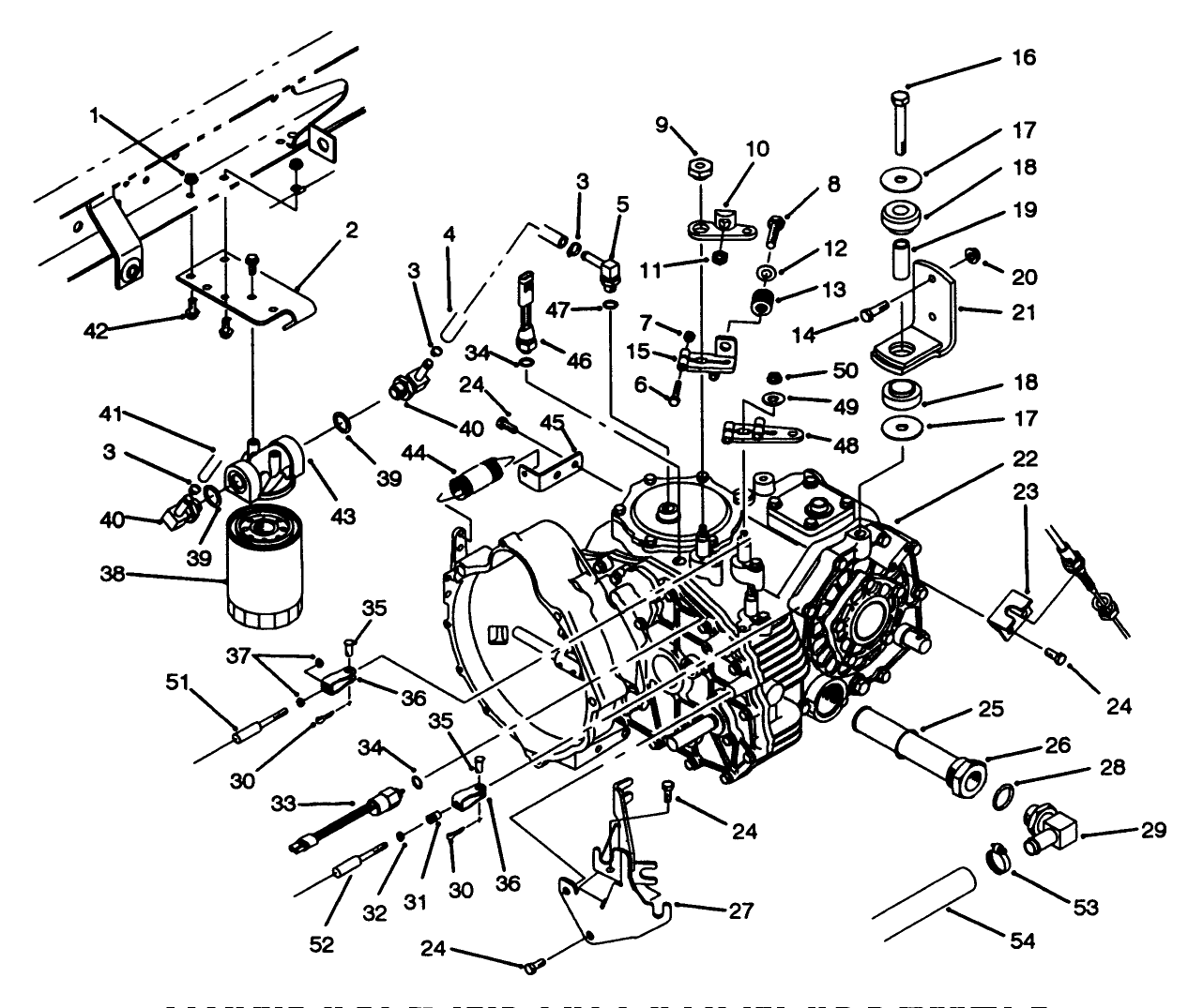
Assembly Drawings
Search for a part within assembly drawings:
-
Service Manual
-
Operator's Manual
-
Parts Catalog
-
Service Bulletin
-
Model #
07200 -
Serial #
40001 - 40499 -
Product Name
Workman 3200 -
Product Brand
Toro -
Product Type
Vehicles -
Product Series
Workman Series

























































