Workman 3200
Product Information
- Model #: 07200
- Serial #: 30001 - 39999
- Product Type: Vehicles
Loading...
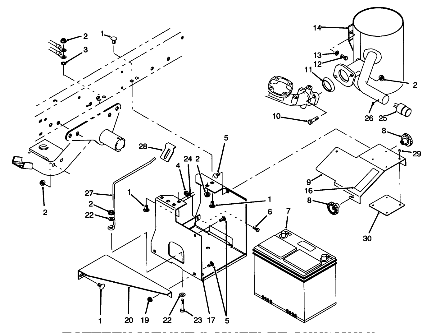
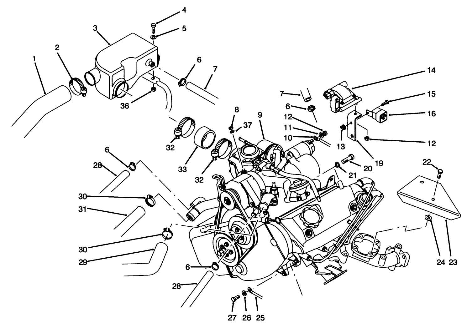
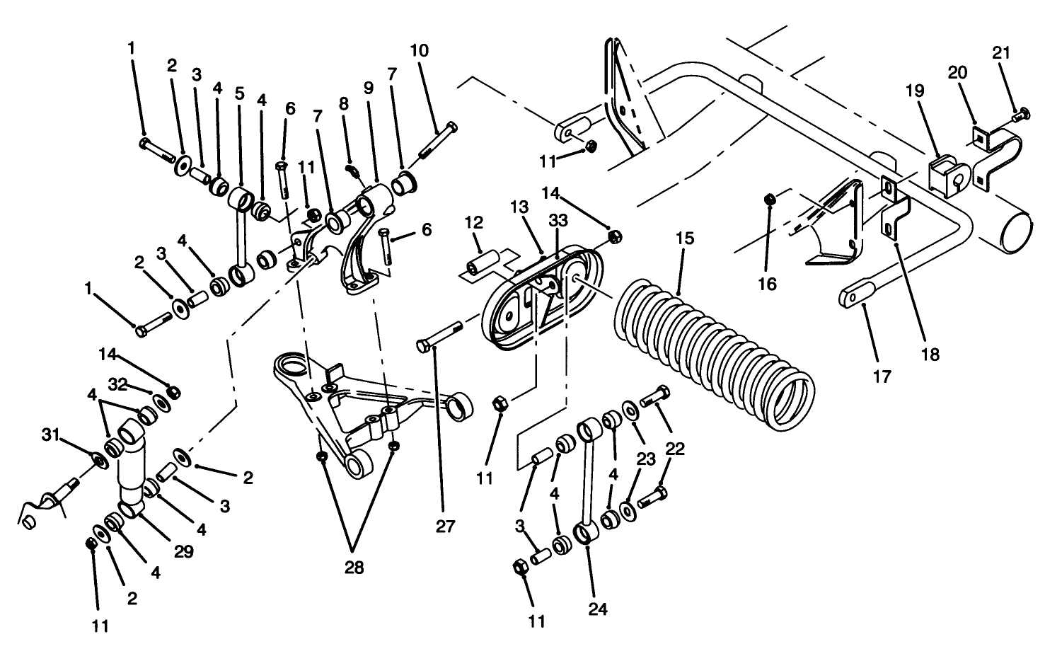
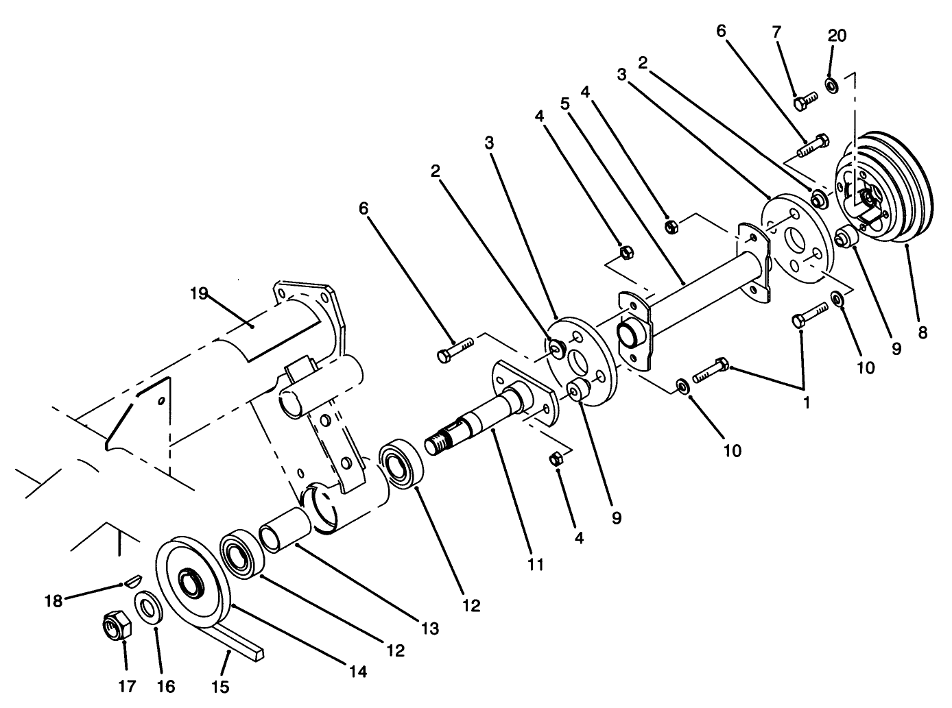
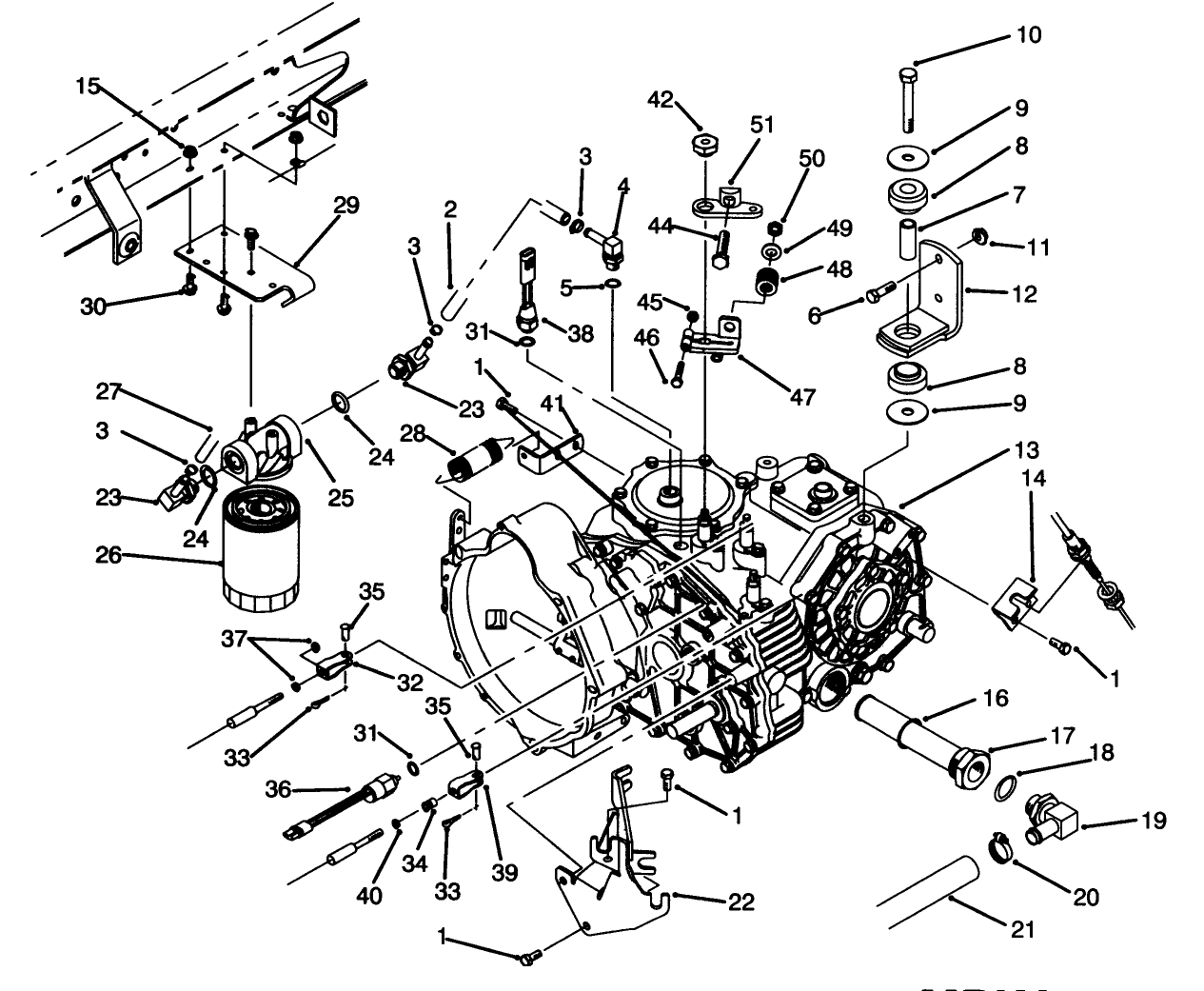
Assembly Drawings
Search for a part within assembly drawings:
-
Service Manual
-
Operator's Manual
-
Parts Catalog
-
Service Bulletin
-
Model #
07200 -
Serial #
30001 - 39999 -
Product Name
Workman 3200 -
Product Brand
Toro -
Product Type
Vehicles -
Product Series
Workman Series























































