Groundsmaster 223-D 4 Wheel Drive
Product Information
- Model #: 30243
- Serial #: 210000001 - 210999999
- Product Type: Riding Products
Loading...
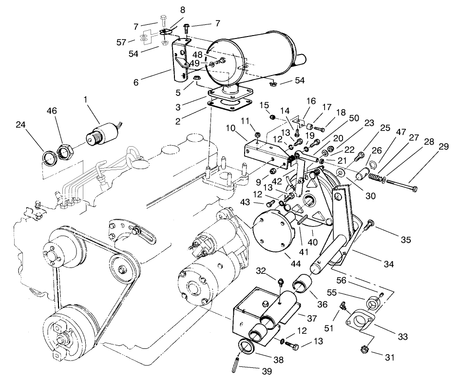
Assembly Drawings
Search for a part within assembly drawings:
-
Service Manual
-
Operator's Manual
-
Parts Catalog
-
Service Bulletin
Tire Chains 23x8.50-12 (Part # 11-0390)
TROJAN WHEEL WGHT (Part # 11-0440)
WHEEL (Part # 12-1519)
REAR WEIGHT KIT (Part # 24-5780)
WEIGHT-REAR (Part # 24-5790)
8 Inch Carrier Frame Castor Wheel (Part # 27-1050)
Toro 8 Inch OEM replacement carrier frame caster wheels features a smooth maneuvering tire and metal wheel assembly with high-quality components. These flat-free tires are non-marking and have the feel of pneumatic tires without ever getting flat.
Deluxe Seat Kit, Groundsmaster 1000L (Part # 30239)
52 Inch Blower Kit (Part # 30502)
9.0 cu. ft. Bagger Kit (Part # 30504)
15 Cubic Foot Bagger Kit, Groundsmaster 200 (Part # 30505)
62in Blower Kit, Groundsmaster 200 Series Side Discharge Mowers (Part # 30506)
62in Side Discharge Mower, Groundsmaster 200, 3320 and 3280-D Series T (Part # 30551)
72in Side Discharge Mower, Groundsmaster 200 Series (Part # 30553)
52" Side Discharge Mower, Groundsmaster 200 Series (Part # 30555)
52” Rear Discharge Mower (Part # 30568)
62in Guardian Recycler Mower, Groundsmaster 200 Series (Part # 30569)
Shield Kit, Groundsmaster 200 Series (Part # 30578)
Standard Seat Kit, Groundsmaster 200 Series (Part # 30624)
Deluxe Seat Kit, Groundsmaster 200 and 300 Series (Part # 30625)
Mulcher Kit, 52" Mower (Part # 30700)
Arm Rest Kit (Part # 30707)
Built for comfort.
V Plow Mounting Kit (Part # 30749)
48" V-Plow, Groundsmaster 72 and 200/300 Series (Part # 30750)
Standard Seat (Part # 30769)
Deluxe Seat (Part # 30772)
Mulching Kit 72” Mower (Part # 30779)
Leaf Mulcher 62" (Part # 30792)
Debris Blower, Groundsmaster 200 Series (Part # 30823)
18.00 Inch High Sail/Flow Blade (Part # 44-5480)
Toro 18.00 Inch OEM High Sail/Flow blade. This Sharp replacement blade provides a crisp, clean cut time after time. You can count on the reliability of this Toro replacement High Sail/Flow rotary mower blade. This Toro blade has multiple applications. Be sure to verify model and serial number to ensure the correct part.
67 Blower Mounting Kit, Groundsmaster 220D (Part # 44533)
XRef: 56-2390-03 (Part # 56-2390)
LOW COST MULCHER (Part # 57-0700)
52"DECK RECYCLER KIT (Part # 59225)
WIDE WHEEL AND 4-PLY TIRE ASM (Part # 62-7020)
*OBS* 52" FRONT BAFFLE KIT (Part # 68-7210)
8 Inch Carrier Frame Tire & Bearing Assembly (Part # 68-8970)
Toro 8 Inch OEM Pneumatic Carrier Frame Tire & Bearing Assembly. Toro OEM replacement wheel and pneumatic tire assembly. An ideal replacement traction tire for commercial Lawn equipment. This drive wheel and tire assembly delivers superior traction on turf, grass & Pavement.
WIDE WHEEL AND 6-PLY TIRE ASM (Part # 69-9870)
Z-Master Spark Arrestor (Part # 75-6880)
Toro OEM spark arrestor prevents carbon build ups from being ejected from the engine and igniting a fire.
High Sail Blade (Part # 77-6710)
KIT-VALVE (Part # 80-4900)
8 Inch Carrier Frame Caster Wheel Assembly (Part # 85-5760)
Toro 8 Inch OEM replacement carrier frame caster wheels features a smooth maneuvering tire and metal wheel assembly with high-quality components. These flat-free tires are non-marking and have the feel of pneumatic tires without ever getting flat.
WEIGHT KIT - 20 LB (Part # 92-8763)
DRIVESHAFT KIT-GM 3XX (Part # 92-9075)
72" FRNT BAFFLE KIT-GM2XX (Part # 93-3213)
Blade and Belt Kit (Part # 95-3070)
Contains 27-1160 @ 1, 27-0990-03 @ 3,
Blade and Belt Kit (Part # 95-3071)
Contains 44-6260 @ 1, 44-6250-03 @ 3
Blade and Belt Kit (Part # 95-3072)
Contains 57-0240 @ 1, 94-1861-03 @ 3
Blade and Belt Kit (Part # 95-3073)
Contains 92-5588 @ 1, 92-5608-03 @ 3
400 HR FILTER KIT (Part # 95-3074)
400 HR FILTER KIT (Part # 95-3075)
8 Inch Carrier Frame Caster Wheel Assembly (Part # 95-3076)
Contains 85-5760 @ 4, 62-4340 @ 4, 325-22 @ 4, 32128-23 @ 4, 3256-6 @ 8
8 Inch Pneumatic Caster Wheel Assembly (Part # 95-3077)
Contains 68-8970 @ 2, 325-19 @ 2, 32153-5 @ 2, 68-8980 @ 2, 3256-6 @ 4
Spindle Kit - GM2XX 52" (Part # 95-3078)
Contains 27-0870 @ 1, 3231-22 @ 6, 32128-21 @ 6, 3256-24 @ 6, 92-5816 @ 1, 72-9361 @ 1
SPINDLE KIT (Part # 95-3079)
Contains 44-6370 @ 1, 3231-22 @ 6, 32128-21 @ 6, 3256-24 @ 6, 92-5816 @ 1, 72-9361 @ 1
SPINDLE KIT ASM [- GM2XX 72"SDD] (Part # 95-3080)
Spindle Kit (Part # 95-3081)
Contains 17-5989 @ 1, 3231-27 @ 2, 3256-24 @ 6, 32128-21 @ 6, 72-9361 @ 1
KIT - 62" FRONT BAFFLE (Part # 99-5151)
-
Model #
30243 -
Serial #
210000001 - 210999999 -
Product Name
Groundsmaster 223-D 4 Wheel Drive -
Product Brand
Toro -
Product Type
Riding Products -
Product Series
Groundsmaster 62" / 200 Series












































