Z340 Z Master, With 40in 7-Gauge Side Discharge Mower
Product Information
- Model #: 74409
- Serial #: 270000001 - 270000700
- Product Type: Riding Products
Loading...
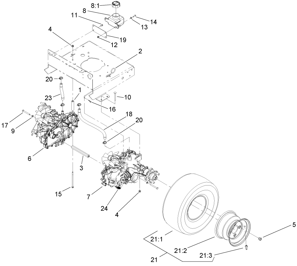
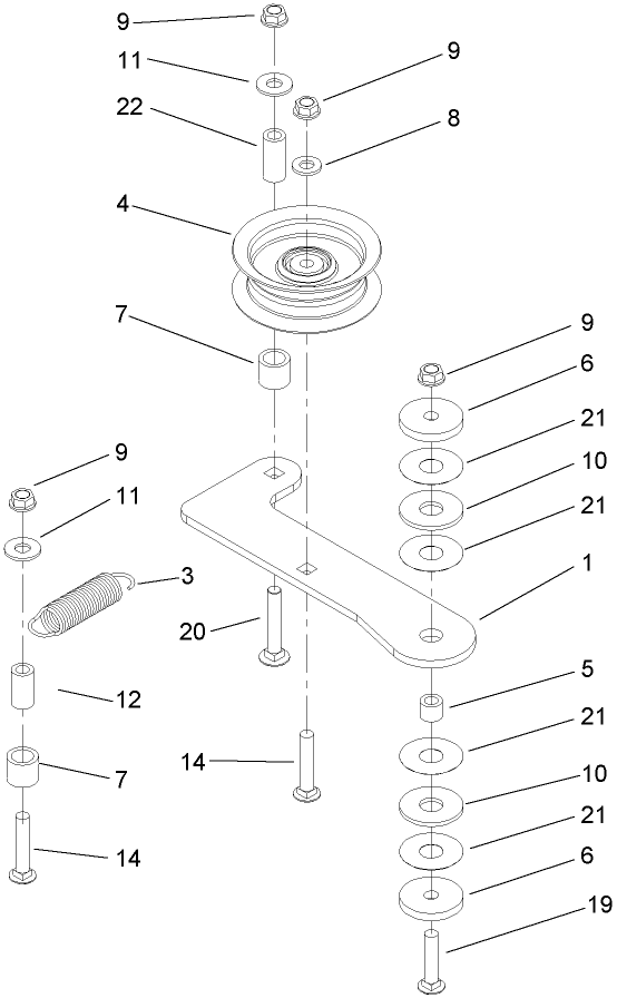
Assembly Drawings
Search for a part within assembly drawings:
-
Service Manual
-
Operator's Manual
-
Parts Catalog
-
Setup Instructions
14 Inch High Sail Blade for Z Master/GrandStand Mower (Part # 108-4081-03)
This 14-inch high sail blade is used on 40-inch/102cm Z Master and GrandStand lawnmowers.
14 Inch Recycler Blade (Part # 108-4089-03)
Toro 14 Inch OEM Recycler blade. Recycler straight edge, standard discharge blade. The blade is designed for a High quality cut and long-lasting durability. These blades are designed with “wings,” called “accelerators” that kind of act like a fan — forcing the tiny bits of grass back into the earth. This Toro blade has multiple applications. Be sure to verify model and serial number to ensure the correct part.
14 Inch Medium Flow Blade (Part # 108-4110-03)
Toro 14 Inch OEM Medium Flow blade. Medium Flow mower straight edge, standard discharge blade. These blades have slight upward angle on the edges. Great blades for use when horsepower is a concern. Produce medium Flow but requires less horsepower than Hi-Flow blades. This Toro blade has multiple applications. Be sure to verify model and serial number to ensure the correct part.
14 Inch Low Flow Blade (Part # 108-4111-03)
Toro 14 Inch OEM Low Flow blade. Low Flow mower blades have slightly curved ends that keep air Flow to a minimum. The lack of suction allows cut grass to exit the mower while keeping dust and debris levels down. Toro Low Flow mower blades cause less engine strain than Hi-Flow blades. This Toro blade has multiple applications. Be sure to verify model and serial number to ensure the correct part.
Please contact your local dealer
14 Inch Atomic Blade (Part # 108-4112-03)
Toro 14 Inch OEM Atomic blade. The Toro Atomic blade is commonly referenced as a “Gator Style” or “Gator Blade”. Provides the best quality of cut while mulching. This Toro blade has multiple applications. Be sure to verify model and serial number to ensure the correct part.
40 Inch GrandStand Recycler Kit (Part # 110-2070)
By adding the Toro Recycler system to your Toro GrandStand riding mower, you create your own natural fertilizer. The 40 in. Recycler Kit, when installed on compatible 40 in. deck Toro zero turn riding mowers, gives it the capability to mulch grass by cutting it multiple times turning it into fine clipping pieces. These are returned under the mower back into the soil to serve as natural fertilizer.
14 Inch Recycle Blade Pack - 6 Blades (Part # 114-4961)
Toro 14 Inch OEM Recycler blade pack. (6) Recycler blades. Recycler straight edge, standard discharge blade. The blade is designed for a High quality cut and long-lasting durability. These blades are designed with “wings,” called “accelerators” that kind of act like a fan — forcing the tiny bits of grass back into the earth. This Toro blade has multiple applications. Be sure to verify model and serial number to ensure the correct part.
14 Inch Low Flow Blade Pack - 6 Blades (Part # 114-4962)
Toro 14 Inch OEM Low Flow blade pack. (6) Low Flow blades. Low Flow mower blades have slightly curved ends that keep air Flow to a minimum. The lack of suction allows cut grass to exit the mower while keeping dust and debris levels down. Toro Low Flow mower blades cause less engine strain than Hi-Flow blades. This Toro blade has multiple applications. Be sure to verify model and serial number to ensure the correct part.
Please contact your local dealer
Med Flow Blade Pack - 6 Blades (Part # 114-4963)
Toro OEM Medium Flow blade pack. (6) Medium Flow blades. Medium Flow mower straight edge, standard discharge blade. These blades have slight upward angle on the edges. Great blades for use when horsepower is a concern. Produce medium Flow but requires less horsepower than Hi-Flow blades. This Toro blade has multiple applications. Be sure to verify model and serial number to ensure the correct part.
14 Inch Hi-Flow Blade Pack - 6 Blades (Part # 114-4964)
Toro 14 Inch OEM Hi-Flow blade pack. (6) Hi-Flow blades. This sharp replacement Hi-Flow lawn mower blade provides a crisp, clean cut time after time. You can count on the quality and reliability of this Toro replacement Hi-Flow lawn mower blade. This Toro blade has multiple applications. Be sure to verify model and serial number to ensure the correct part.
14 Inch Atomic Blade Pack - 6 Blades (Part # 114-4965)
Toro OEM Atomic (6) blade pack. Atomic blade is commonly referenced as a “Gator Style” or “Gator Blade”. Provides the best quality of cut while mulching. This Toro blade has multiple applications. Be sure to verify model and serial number to ensure the correct part.
Titan Hydraulic Filter and Service Kit (Part # 121-3783)
Hydraulic filters protect your Toro hydraulic system components from damage due to contamination, leakages, rust and damaged seals. Replacing these filters with a genuine Toro hydraulic filter prevents problems, protects the hydraulic system and keeps your Toro equipment at peak performance. When it comes to reliability, Toro delivers replacement parts designed to the exact engineering specifications of our equipment. For peace of mind, insist on Toro genuine parts.
3 Bushell Soft Collection Bag for GrandStand Mowers (Part # 30104)
3 Bushell Soft Collection Bag for GrandStand Mowers. To best protect your investment and maintain optimal performance of your equipment, count on Toro genuine parts and accessories.
Please contact your local dealer
Cover for TimeCutter Models (Part # 490-7516)
The Toro Z mower cover protects your investment by offering all-season protection. Toro covers are constructed of tough, waterproof, tear and abrasion-resistant 600-Denier polyester and will provide years of carefree protection for your mower. Toro covers protect against snow, sun damage, rain, dust, birds, tree sap and more. Toro covers also feature vents to minimize condensation and heat build-up and an elastic opening to ensure a snug, secure fit.
-
Model #
74409 -
Serial #
270000001 - 270000700 -
Product Name
Z340 Z Master, With 40in 7-Gauge Side Discharge Mower -
Product Brand
Toro -
Product Type
Riding Products -
Product Series
Zero Radius Turn, 300 Series -
Chassis Type
ZRT - LCE -
Swath
40 inch -
Discharge
Side -
Engine/Motor Manufacturer
Kawasaki -
Engine/Motor Size
19 hp -
Engine/Motor Type
4 Cycle CARB3 2006, EPA2 -
Engine Starter
Electric -
Transmission Type
Hydrostatic






























