CE Kit
Product Information
- Model #: 30658
- Serial #: None - None
- Product Type: Riding Products
Loading...
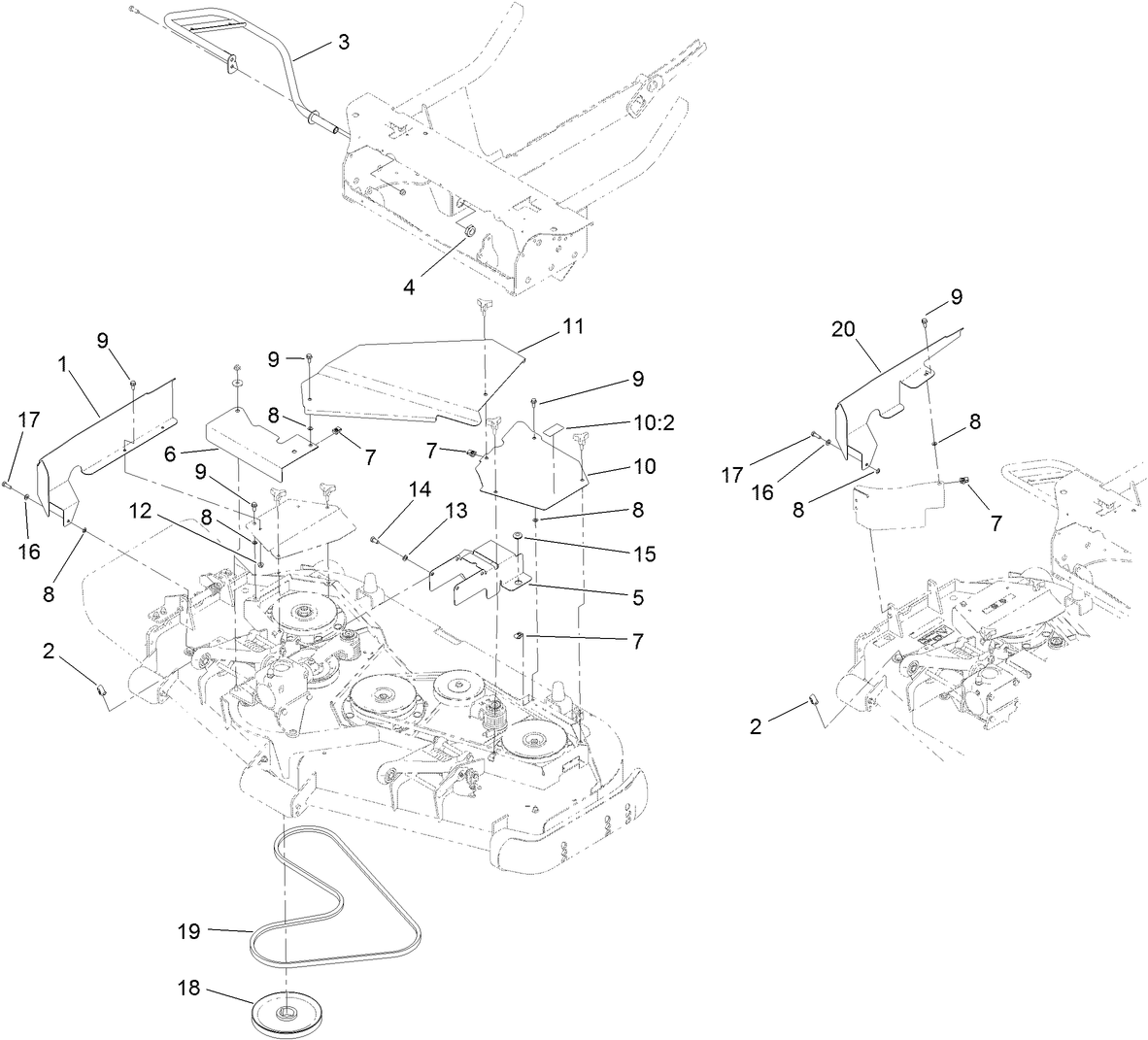
Assembly Drawings
Search for a part within assembly drawings:
-
Parts Catalog
-
Installation Instructions
-
Model #
30658 -
Serial #
None - None -
Product Name
CE Kit -
Product Brand
Toro -
Product Type
Riding Products
