Greensmaster® eTriFlex® 3360
Product Information
- Model #: 04580
- Serial #: 412600000 - 412999999
- Product Type: Riding Products
Loading...
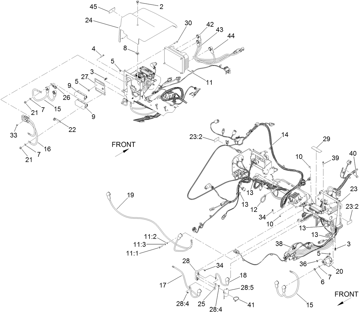
Assembly Drawings
Search for a part within assembly drawings:
-
Service Manual
-
Operator's Manual
-
Parts Catalog
-
Schematic Drawing - Electrical
-
Service Bulletin
-
ACMA Declaration of Conformity
-
EU/UK Declaration of Conformity
Turf Evaluator (Part # 04399)
Mirror device used to assess turf conditions
LED Light Kit (Part # 04500)
Allows operator to mow in low light conditions.
3-Wheel Drive Kit (Part # 04503)
Features 3WD assist to positive electric 2WD traction on
side and uphill operations.
Standard Seat Kit (Part # 04508)
Comes standard on models 3300 & 3320
8-Blade Cutting Unit (Part # 04651)
Designed for mowing on higher heights of cut, such as approaches, fairways or tee boxes.
11-Blade Cutting Unit (Part # 04653)
Designed for mowing on lower heights of cut, such as greens.
14-Blade Cutting Unit (Part # 04655)
Designed for mowing extremely low heights of cut applications.
11 BLADE TRIFLEX FWY CUTTING UNIT (Part # 04658)
Off-Greens Kit (Anti-Bobbing) (Part # 04716)
Patent-pending design with unprecedented results to
reduce bobbing and reduce bobbing marks.
Thatching Reel Kit (Part # 04720)
Vertically cuts into turf to reduce thatch and control horizontal grass growth
Greens Tri-Roller Kit (Part # 04722)
Used to roll greens and smooth surface of turf for an
improved after cut appearance and ball roll
Greens Spiker Kit (Part # 04723)
Used to relieve soil compaction, control organic matter, and
maintain turf health
Premium Seat (Part # 04729)
Provides alternative operator comfort
Wireless Hourmeter System (Part # 115-4754)
Oil Filter (Part # 119-5852)
Your Toro engine’s oil filter removes waste, captures harmful debris, dirt, and metal fragments in your motor oil to keep the engine running smoothly. Without the oil filter, harmful particles can get into your motor oil and damage the engine. Installing genuine Toro engine oil filters on a regular service intervals keeps your Toro equipment running at its best!
Premium Armrest Kit (Part # 119-7105)
Enhance operator comfort.
Weight Kit (Part # 119-7129)
Air Filter Element - Primary (Part # 120-7447)
Having a properly functioning air filter is an engine’s first line of defense against the dirt and debris that is kicked up during the operation. When the air filter is in good condition and working properly, it prevents dirt from entering the engine through the carburetor. Count on Toro genuine OEM air cleaners and air cleaner assemblies to keep your gasoline powered equipment running at peak performance.
Air Filter Element (Part # 120-7448)
Arm Rest Kit - Left Hand (Part # 121-3660)
Fuel Filter (Part # 121-4570)
The fuel filter prevents dust particles and fuel contaminants from entering the engine which could damage the cylinders, pistons and other components that will result in the need of costly repairs. Replacing these filters with a genuine Toro fuel filter prevents problems and ensures longer engine life.
Rear Light Kit (Part # 137-7945)
Rear facing light kit for enhanced visibility in low light conditions
Spark Arrestor (Part # 137-8098)
Utility Bag Kit (Part # 137-8130)
Onboard storage for raincoat, water bottle, trash, etc.
Bimini Sunshade (Part # 138-8579)
Helps keep operator cool in the sun and dry in the rain
Fuses Kit (Part # 139-8482)
Replacement Tire (Part # 144-3665)
20 X 10.00-8
Greensmaster eTriFlex 400 Hour MVP Kit (Part # 44971)
Contains 119-5852 @ 4, 120-7448 @ 2
Spark Plug (Part # 92-2153)
Replacement part.
Height of Cut Kit (Part # 94-9010)
Height of cut range 0.285”– 1.00” (7.2 – 25.4 mm), set of one
-
Model #
04580 -
Serial #
412600000 - 412999999 -
Product Name
Greensmaster® eTriFlex® 3360 -
Product Brand
Toro -
Product Type
Riding Products


































