Workman 3300-D 2 Wheel Drive Liquid Cooled
Product Information
- Model #: 07205
- Serial #: 40334 - 49999
- Product Type: Vehicles
Loading...
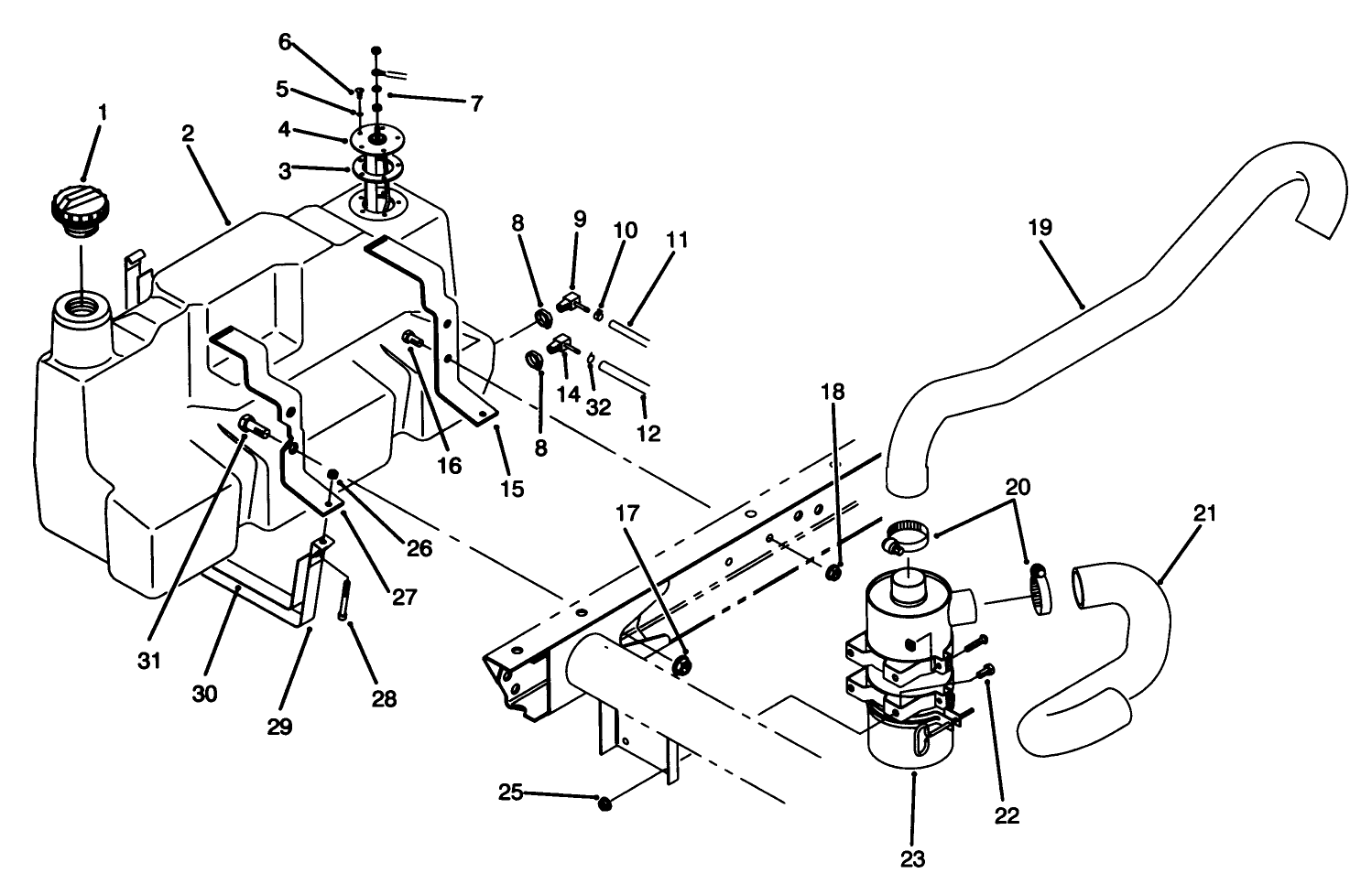
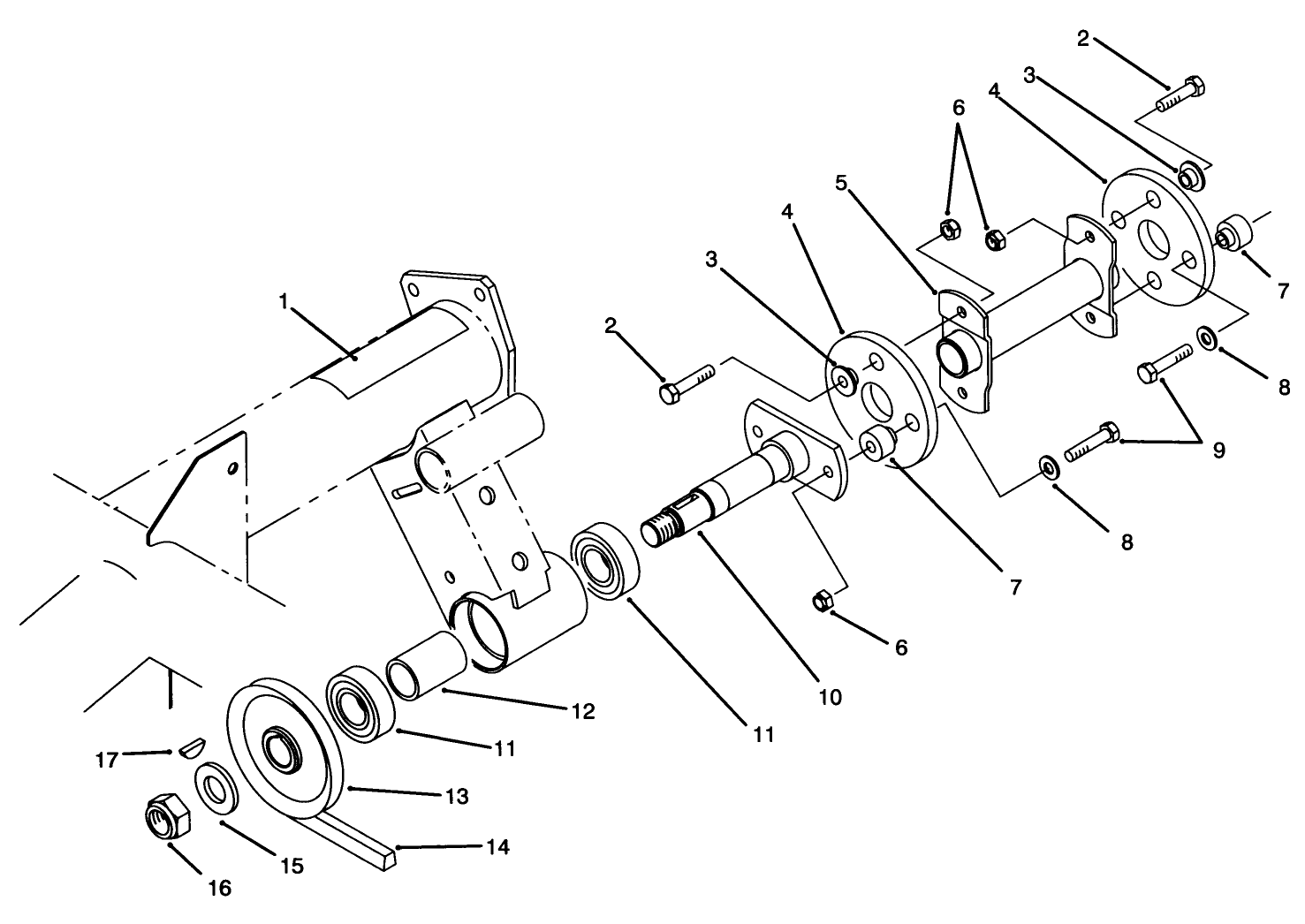
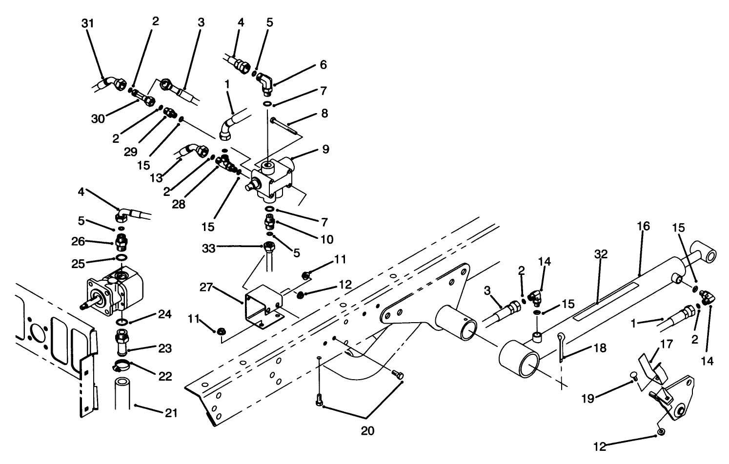
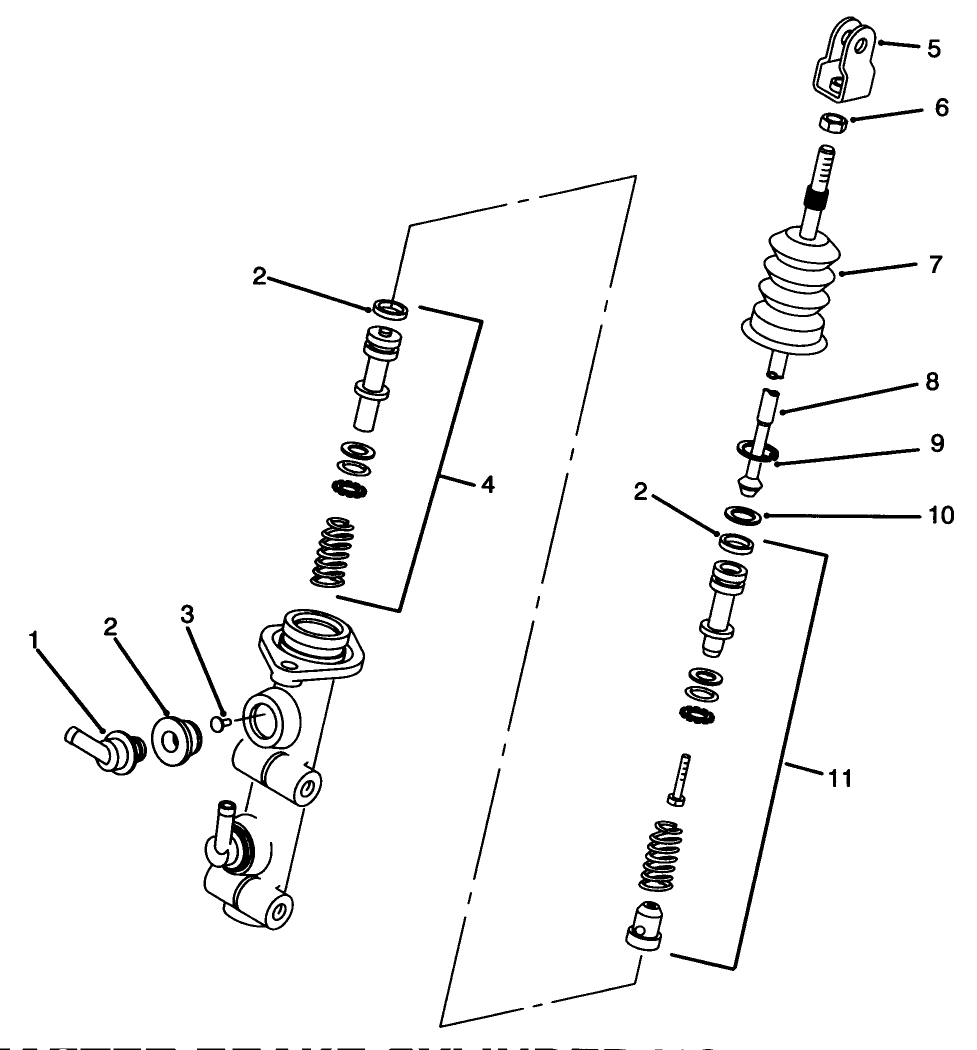
Assembly Drawings
Search for a part within assembly drawings:
-
Service Manual
-
Operator's Manual
-
Parts Catalog
-
Service Bulletin
-
Model #
07205 -
Serial #
40334 - 49999 -
Product Name
Workman 3300-D 2 Wheel Drive Liquid Cooled -
Product Brand
Toro -
Product Type
Vehicles -
Product Series
Workman Series

















































