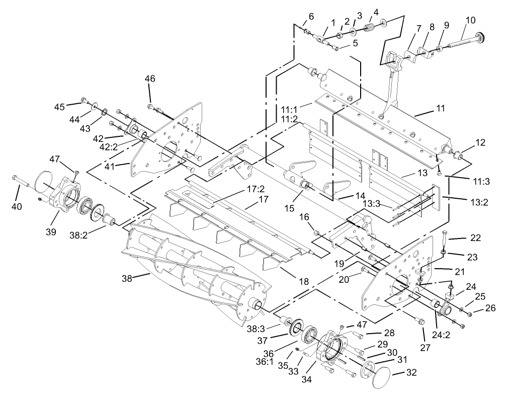
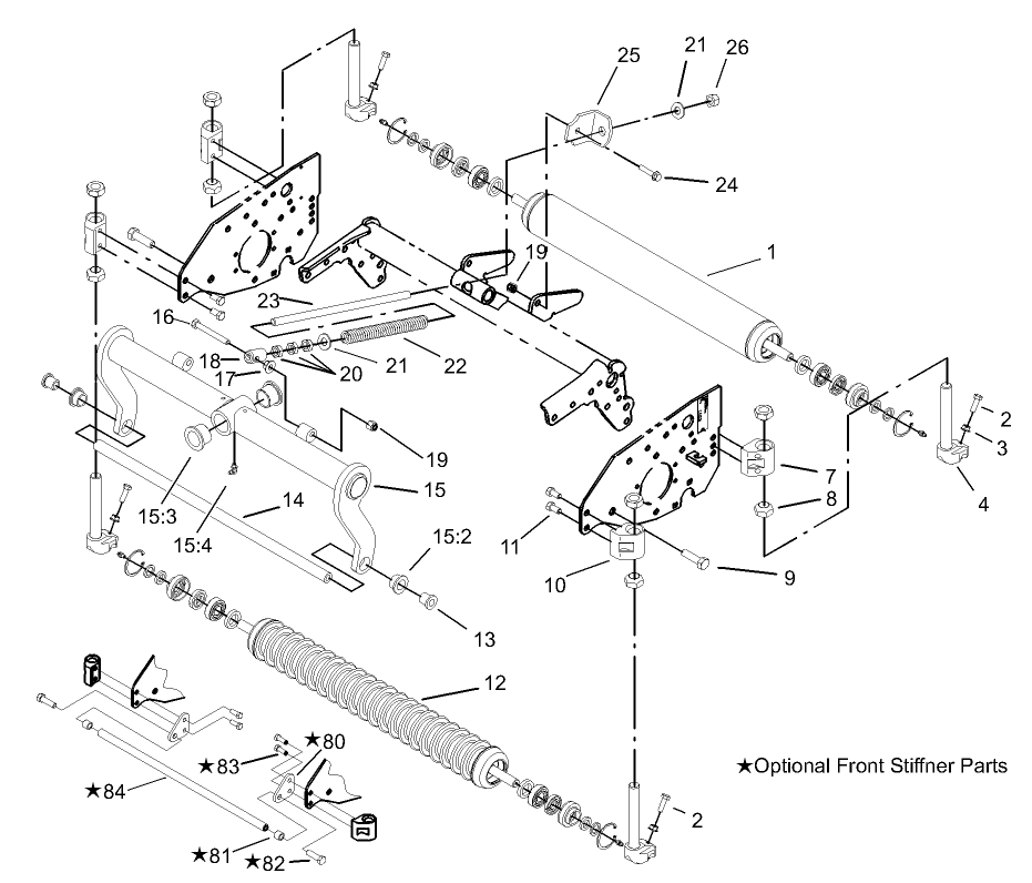
7-Blade Reel Mower, Reelmaster 5500-D and 6000-D Series
Product Information
- Model #: 03861
- Serial #: 230000001 - 230999999
- Product Type: Attachments
Loading...
Assembly Drawings
Search for a part within assembly drawings:
-
Operator's Manual
-
Parts Catalog
-
EU Declaration of Conformity
-
Service Bulletin
-
Model #
03861 -
Serial #
230000001 - 230999999 -
Product Name
7-Blade Reel Mower, Reelmaster 5500-D and 6000-D Series -
Product Brand
Toro -
Product Type
Attachments -
Product Series
RM Cutting Units






