4000 Series 48 in. (122 cm) 24.5 hp 852cc
Product Information
- Model #: 74000
- Serial #: 414269700 - 414301504
- Product Type: Riding Products
Loading...
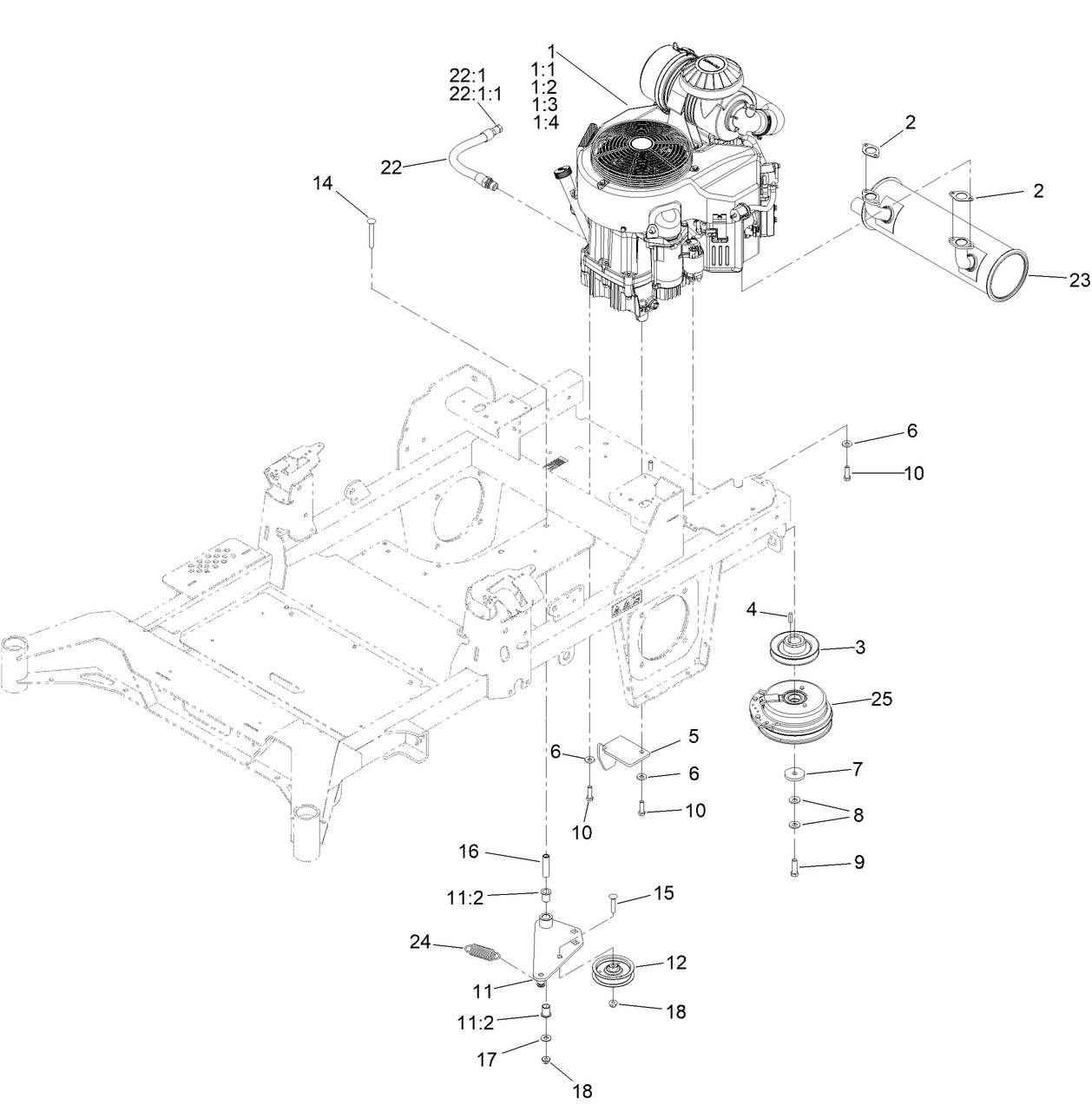
Assembly Drawings
Search for a part within assembly drawings:
-
Service Manual
-
Operator's Manual
-
Parts Catalog
-
Product Warranty
-
Setup Instructions
Z-Master Anti-Scalp Kit (Trim Side) (Part # 108-4140)
Toro OEM anti-scalp deck wheels. These wheels help prevent the deck from coming in contact with the ground when passing over a high spot, thus preventing the blade from slicing off or "scalping" large clumps of grass.
Please contact your local dealer
Hypr-Oil™ 500 (quart) (Part # 114-4713)
High Performance Hydro Oil
Hypr-Oil™ 500 (gallon) (Part # 114-4714)
High Performance Hydro Oil
Hypr-Oil™ 500 Hydraulic Oil (5 gallon) (Part # 114-4715)
Maximize commercial mower performance with Hypr-Oil™ 500. Tested and approved by Toro Engineering.
Please contact your local dealer
Riding Mower Jack Kit (Part # 127-6666)
This genuine Toro OEM riding mower jack kit is designed to safely lift and support your Toro riding mower or zero turn, giving you safe, stable under-deck access for blade changes, belt replacements, and routine maintenance. It is one of the most practical purchase-stage accessories for any new mower owner — investing in a proper jack from day one avoids improvised lifting methods that risk injury and equipment damage. Verify your model and serial number before ordering.
MICHELIN® X® TWEEL® Turf Airless Radial Tires (24") (Part # 139-3649)
A MICHELIN® X® TWEEL® airless radial tire is a single unit that replaces the current tire and wheel assembly. There is no need for complex mounting equipment and once they are bolted on, there is no air pressure to maintain The unique energy transfer within the poly-resin spokes helps reduce the “bounce” associated with pneumatic tires, while providing outstanding handling characteristics. They are designed to perform like pneumatic tires, without the inconvenience and downtime caused by flat tires. When it comes to reliability, Toro delivers replacement parts designed to the exact engineering specifications of our equipment. For peace of mind, insist on Toro genuine parts.
48 inch Recycler Kit (GrandStand) (Part # 139-6650)
This genuine Toro OEM 48-inch Recycler kit is designed for Toro GrandStand stand-on mowers and converts the deck to full Recycler mulching operation. Once installed, the patented Recycler system cuts clippings 6 to 8 times and returns them to the lawn as fine, nutrient-rich natural fertilizer — eliminating the need to bag or rake in most conditions. One of the most popular purchase-stage upgrades for new GrandStand owners who want to maximize the value of their machine from day one. Verify your model and serial number before ordering.
16.5 Inch Hi-Flow Blade (Part # 140-1243)
Toro 16.5 Inch OEM Hi-Flow blade. This sharp replacement Hi-Flow lawn mower blade provides a crisp, clean cut time after time. You can count on the quality and reliability of this Toro replacement Hi-Flow lawn mower blade. This Toro blade has multiple applications. Be sure to verify model and serial number to ensure the correct part.
16.5 Inch Medium Flow Blade (Part # 140-4860)
Toro 16.5 Inch OEM Medium Flow blade. Medium Flow mower straight edge, standard discharge blade. These blades have slight upward angle on the edges. Great blades for use when horsepower is a concern. Produce medium Flow but requires less horsepower than Hi-Flow blades. This Toro blade has multiple applications. Be sure to verify model and serial number to ensure the correct part.
16.5 Inch Low Flow Blade (Part # 140-4861)
Toro 16.5 Inch OEM Low Flow blade. Low Flow mower blades have slightly curved ends that keep air Flow to a minimum. The lack of suction allows cut grass to exit the mower while keeping dust and debris levels down. Toro Low Flow mower blades cause less engine strain than Hi-Flow blades. This Toro blade has multiple applications. Be sure to verify model and serial number to ensure the correct part.
16.5 Inch Atomic Blade (Part # 140-4862)
Toro 16.5 Inch OEM Atomic blade. The Toro Atomic blade is commonly referenced as a “Gator Style” or “Gator Blade”. Provides the best quality of cut while mulching. This Toro blade has multiple applications. Be sure to verify model and serial number to ensure the correct part.
16.5 Inch Recycler Blade (Part # 140-4863)
Toro 16.5 Inch OEM Recycler blade. Recycler straight edge, standard discharge blade. The blade is designed for a High quality cut and long-lasting durability. These blades are designed with “wings,” called “accelerators” that kind of act like a fan — forcing the tiny bits of grass back into the earth. This Toro blade has multiple applications. Be sure to verify model and serial number to ensure the correct part.
Hi-Flow 16.5 Inch Blade Pack (6) (Part # 140-4887)
Toro 16.5 Inch OEM Hi-Flow blade pack. (6) Hi-Flow blades. This sharp replacement Hi-Flow lawn mower blade provides a crisp, clean cut time after time. You can count on the quality and reliability of this Toro replacement Hi-Flow lawn mower blade. This Toro blade has multiple applications. Be sure to verify model and serial number to ensure the correct part
Mid Flow 16.5 Inch Blade Pack (6) (Part # 140-4888)
Toro 16.5 Inch OEM Medium Flow blade pack. (6) Medium Flow blades. Medium Flow mower straight edge, standard discharge blade. These blades have slight upward angle on the edges. Great blades for use when horsepower is a concern. Produce medium Flow but requires less horsepower than Hi-Flow blades. This Toro blade has multiple applications. Be sure to verify model and serial number to ensure the correct part.
Low Flow 16.5 Inch Blade Pack (6) (Part # 140-4889)
Toro 16.5 Inch OEM Low Flow blade pack. (6) Low Flow blades. Low Flow mower blades have slightly curved ends that keep air Flow to a minimum. The lack of suction allows cut grass to exit the mower while keeping dust and debris levels down. Toro Low Flow mower blades cause less engine strain than Hi-Flow blades. This Toro blade has multiple applications. Be sure to verify model and serial number to ensure the correct part.
Atomic 16.5 Inch Blade Pack (6) (Part # 140-4890)
Toro OEM Atomic blade pack. (6) 16.5 Atomic blades. Atomic blade is commonly referenced as a “Gator Style” or “Gator Blade”. Provides the best quality of cut while mulching. This Toro blade has multiple applications. Be sure to verify model and serial number to ensure the correct part.
Recycler 16.5 Inch Blade Pack (6) (Part # 140-4891)
Toro 16.5 Inch OEM Recycler blade pack. (6) Recycler blades. Recycler straight edge, standard discharge blade. The blade is designed for a High quality cut and long-lasting durability. These blades are designed with “wings,” called “accelerators” that kind of act like a fan — forcing the tiny bits of grass back into the earth. This Toro blade has multiple applications. Be sure to verify model and serial number to ensure the correct part.
4000 Series Base Light Kit (Part # 144-0389)
Genuine OEM Parts
Please contact your local dealer
Voodoo Trac Tire (Part # 144-6988)
Genuine OEM Part
Handle Extension Kit (Part # 145-3615)
Genuine OEM Part
MICHELIN® X® TWEEL® Turf Airless Caster Wheels (13") (Part # 147-6294)
The MICHELIN® X® TWEEL® Turf Caster Wheel is the next “revolution” in commercial mowing. The MICHELIN X TWEEL Turf Caster Wheel has all the qualities you would want in a pneumatic tire but it never needs air. No more flats, downtime, patch kits or replacement tires. And in the area of wear and tear, this “tire” has a wear life that is three times that of a pneumatic.
Please contact your local dealer
Z-Master Spark Arrestor (Part # 75-6880)
Toro OEM spark arrestor prevents carbon build ups from being ejected from the engine and igniting a fire.
BAGGER KIT, Z MASTER 2000 / 4000 (Part # 78439)
4000 Series E-Z Vac Blower & Drive Kit for 48" Deck (Part # 78464)
4000 Series E-Z Vac Blower & Drive Kit for 48" Deck - use with 4000 Series Twin Soft Bagger 48 - 60" Deck (#78463)
Please contact your local dealer
-
Model #
74000 -
Serial #
414269700 - 414301504 -
Product Name
4000 Series 48 in. (122 cm) 24.5 hp 852cc -
Product Brand
Toro -
Product Type
Riding Products -
Product Series
Zero Radius Turn, Commercial 4000 Series -
Chassis Type
ZRT - LCE -
Swath
48 inch / 122 cm -
Discharge
Side Discharge -
Engine/Motor Manufacturer
Kawasaki -
Engine/Motor Size
24.5 hp -
Engine/Motor Type
4 Cycle -
Engine Starter
Electric -
Transmission Type
Hydrostatic -
Traction Type
Rear WD
-
Engine: Battery
12V 300CCA -
Engine: Engine Speed
3600±100 RPM -
Engine: Spark Plug
NGK BPR4ES -
Engine: Spark Plug Gap
.030"/ .76mm -
Chassis: Tire Pressure
13 psi / 90 kPa -
Engine: Engine Oil Type
filter chg 77 oz.(2.3 L); no filter chg 70 oz.(2.1 L); 10W-30 above -4F(-20C) or 5W-20 below 32F(0C) -
Drive System: Ground Speed
0-10 mph / 0-16kph -
Chassis: Height of Cut Range
1.5" - 5.5" (38-140mm) -
Engine: Ignition Coil Air Gap
0.011in (0.3mm) -
Drive System: Gearbox Lubricant
HYPR-OIL 500 / 20w-50 Synthetic Motor Oil


























