60V MAX* 21 in. (53cm) Stripe® Dual-Blade Self-Propel Lawn Mower - 7.5Ah Battery Included
Product Information
- Model #: 21623
- Serial #: 418000000 - 999999999
- Product Type: Walk Behind Mowers
Loading...
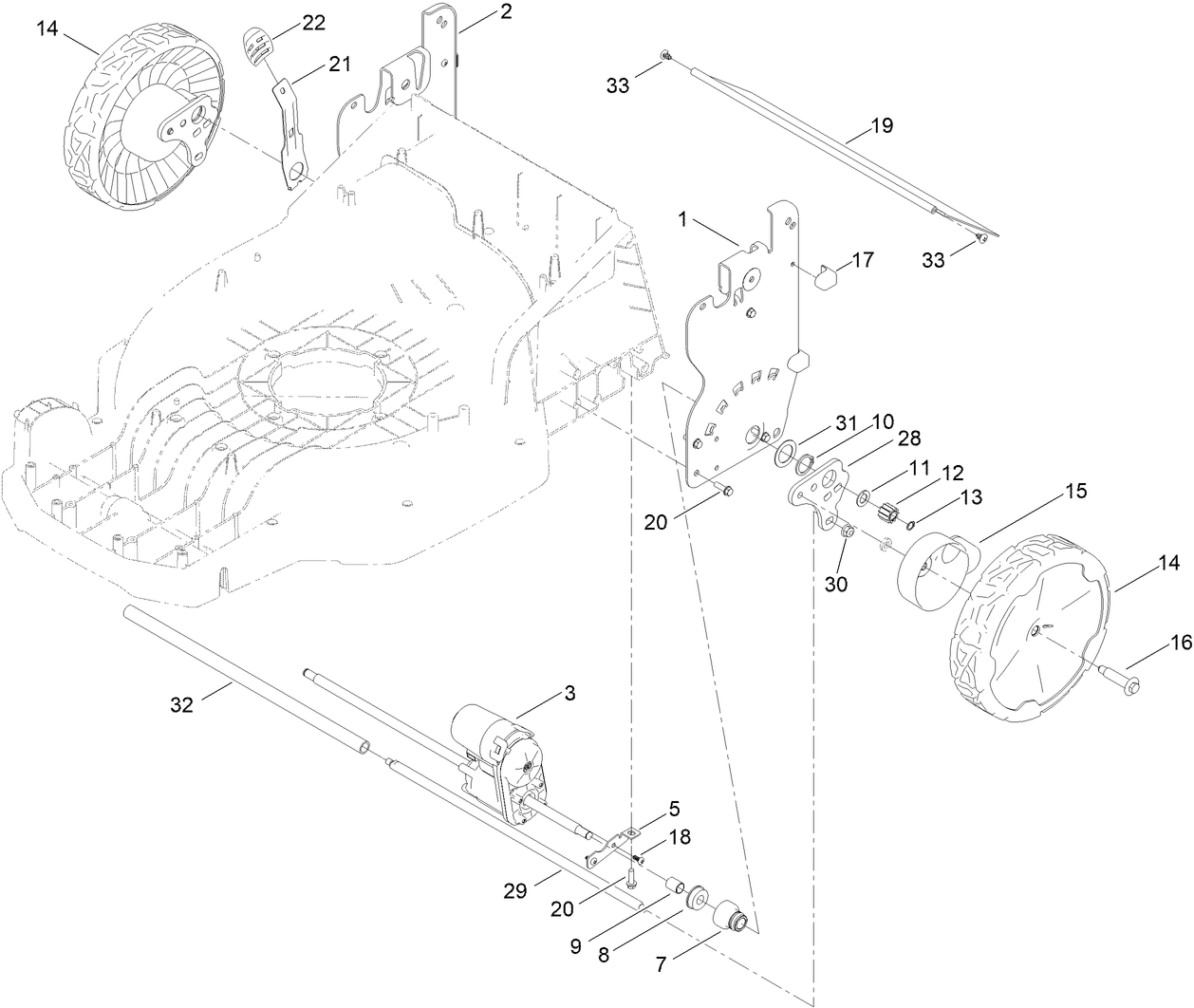
Assembly Drawings
Search for a part within assembly drawings:
-
Service Manual
-
Operator's Manual
-
Parts Catalog
-
Product Warranty
Striping Kit for Walk-Behind Mowers (Part # 20601)
The Toro Lawn Striping System provides you the ability to easily add professional-looking, ball-park quality stripes and patterns to your lawn, while you mow. Easily attaches to most walk-behind mowers and can be used with and without the bagger attached.
60V MAX* 21 in. (53 cm) Power Clear® e21 Single-Stage Snow Blower - Battery Not Included (Part # 39901T)
This bare tool snow blower is compatible with Toro® Flex-Force 60V batteries (sold separately). Save money by sharing batteries across multiple tools. Why spend more time in the snow and cold than you have to? With the Toro 21 in. Power Clear® 60V Max* Battery Snow Blower, you can clear a large area lightning-fast. Not only will it keep even the deepest snow flowing and throw it farther, it's also ready whenever you are, as it starts the first time, every time. The blower is ideal for concrete and asphalt surfaces and can clear an area of 9- to 18-parked-car driveway on average, with 2 - 9 in. of snow at a time. Plus, enjoy performance year-round with more products in the Flex-Force battery line, from blowers and string trimmers to mowers and more. And you can rest easy knowing that Toro stands behind this product with a full warranty, not just limited coverage. Count on it. (Battery Not Included)
Fold-down handle and chute make storage or transport simple. Storage dimensions: 27.1 in. x 22.4 x 25.4 (68.8 cm x 56.9 cm x 64.5 cm). Backed by Toro's Two-Year Full Snow Blower Warranty and Three-Year Full Battery Warranty.
*Battery manufacturer rating = 60V maximum & 54V typical usage. Actual voltage varies with load.
Fold-down handle and chute make storage or transport simple. Storage dimensions: 27.1 in. x 22.4 x 25.4 (68.8 cm x 56.9 cm x 64.5 cm). Backed by Toro's Two-Year Full Snow Blower Warranty and Three-Year Full Battery Warranty.
*Battery manufacturer rating = 60V maximum & 54V typical usage. Actual voltage varies with load.
Please contact your local dealer
Smart Stow Cover (Part # 490-2012)
The Toro SmartStow walk power mower cover protects your investment by offering all-season protection. Toro covers are constructed of tough, weather-resistant, tear and abrasion-resistant 600-Denier polyester and will provide years of carefree protection for your mower. Toro covers protect against snow, sun damage, rain, dust, birds, tree sap and more. This cover features an elastic opening to ensure a snug, secure fit.
Small Walk-Behind Mesh Bag (Part # 490-7318)
Use Toro mesh utility bags for personal storage or picking up trash while you mow. Equipped with on/off straps, the bag hangs conveniently behind your lawn mower.
Cover for 20 to 22 Inch Walk-Behind Mowers (Part # 490-7462)
The Toro Walk Power Mower Cover for 20 in. to 22 in. Walk-Behind Mowers offers all-season protection. This cover is constructed from tough, waterproof, tear and abrasion resistant 600-denier polyester.
60V MAX* 605 CFM Brushless Leaf Blower - Battery Not Included (Part # 51820T)
Take charge of yard clean-up and big leaf piles with the Toro 605 CFM 60V Max* Battery Leaf Blower (tool only - charger and battery sold separately). This cordless, 60V leaf blower can clear large piles of leaves in a snap with an impressive 605 CFM of air volume and 120 MPH air speed.** Have control at your finger tips with the variable-speed trigger and turbo-boost button. It's easy on the hands with the cruise control feature and ergonomic handle, designed to reduce arm fatigue. Make tasks easier with extended power, run time and product life, thanks to a high-performance brushless DC motor that outperforms brushed motors. With 135 watt-hours, the L135 battery provides up to 90 minutes of run time on low speed***. The L135 Smart battery has intelligent software that maximizes run time and performance. Enjoy performance year round with more products in the Flex-Force battery line, from mowers to string trimmers to snow blowers. The industry-leading expert in electric blowers and other outdoor equipment solutions, now offers powerful hand-held products that rival gas-powered products.
*Battery manufacturer rating = 60V maximum & 54V typical usage. Actual voltage varies with load.
**Up to 605 CFM and 120 MPH Max on turbo boost. Performance claims based on controlled laboratory testing.
****Based on L135 battery, at low speed in controlled laboratory testing of product.
*Battery manufacturer rating = 60V maximum & 54V typical usage. Actual voltage varies with load.
**Up to 605 CFM and 120 MPH Max on turbo boost. Performance claims based on controlled laboratory testing.
****Based on L135 battery, at low speed in controlled laboratory testing of product.
60V MAX* 16 in. (40.6 cm) Brushless String Trimmer - Battery Not Included (Part # 51830T)
Take charge of the overgrown grass with the Toro 14 in. / 16 in. 60V Max* Battery String Trimmer. Maximize run time or performance for the job by adjusting line size and/or cutting length. No spools required. Quick and easy line replacement. Just thread the line and spin the dial. Get more power and longer life out of your trimmer with the high-performance brushless DC motor that outperforms brushed motors. And, it's easy to match the speed to the job with the variable-speed trigger and two speed ranges to choose from. You can expect superior durability and performance with more motor torque and a cast aluminum direct-drive head. With 135 watt-hours, the L135 battery (sold separately) provides up to a range of 30 to 50 minutes of run time** based on the line settings. The innovative Flex-Force Power System features intelligent software that maximizes run time and performance. Enjoy performance year round with more products in the Flex-Force battery line, from mowers to leaf blowers to snowblowers. The industry-leading expert in outdoor equipment solutions, now offers powerful hand-held products that rival gas-powered products.
Backed by a 3-year limited warranty
*Battery manufacturer rating = 60V maximum & 54V typical usage. Actual voltage varies with load.
**Based on L135 battery, at low speed in controlled laboratory testing of product.
Backed by a 3-year limited warranty
*Battery manufacturer rating = 60V maximum & 54V typical usage. Actual voltage varies with load.
**Based on L135 battery, at low speed in controlled laboratory testing of product.
60V MAX* 24 in. (60.96 cm) Brushless Hedge Trimmer - Battery Not Included (Part # 51840T)
Spruce up your lawn care routine with the Toro 60V Max* Battery 24 in. Hedge Trimmer. It can tackle big jobs in no time with a 24 in. bar and 3/4 in. cut capacity. Get a cleaner, more efficient trim with less vibration with the crisscrossing, scissor-like blades of the dual-action cutting system. The handy handle is comfortable and designed to reduce arm fatigue. Plus, rotate the handle with the push of a button for quick, easy, and comfortable vertical trimming. Cut the cord with runtime up to 75 minutes on a full charge** with the L135 battery (battery not included and sold separately). Have peace of mind, as Toro stands behind its products with a 3-year limited warranty. Toro 60V is the one-stop-shop for all-season performance. Universal battery powers all tools in the Flex-Force line, from mowers to string trimmers to snow blowers. Choose Toro with confidence to save time, eliminate hassles, and have a great-looking yard. Count on it.
*Battery manufacturer rating = 60V maximum & 54V typical usage. Actual voltage varies with load.
**Based on L135 battery, at low speed in controlled laboratory testing of product.
*Battery manufacturer rating = 60V maximum & 54V typical usage. Actual voltage varies with load.
**Based on L135 battery, at low speed in controlled laboratory testing of product.
60V MAX* 16 in. (40.6 cm) Brushless Chainsaw - Battery Not Included (Part # 51850T)
Tackle tough jobs with the new addition to the Toro 60-Volt* Flex-Force Power System collection, an easy-to-use, lithium-ion chainsaw that delivers incredible power and performance. It is compatible with all Toro 60-Volt Flex-Force Power System tools. The 60V Cordless Chainsaw with 16 in. bar and chain starts easily every time and lets you cut big logs and timber like a pro. With a long runtime—a single charge can make up to 50 cuts of a 6 in.x6 in. timber^ — you can get more done quicker, and the 60V digitally controlled brushless motor means you have more power right when you need it. Ideal for storm cleanup, tree trimming and log-cutting, this chainsaw makes outdoor work a breeze. (Battery and charger not included and sold separately.)
*Battery manufacturer rating = 60V maximum & 54V typical usage. Actual voltage varies with load.
^Based on controlled laboratory testing. Actual runtime/number of cuts will vary based on conditions.
*Battery manufacturer rating = 60V maximum & 54V typical usage. Actual voltage varies with load.
^Based on controlled laboratory testing. Actual runtime/number of cuts will vary based on conditions.
60V MAX* Flex-Force 4.0Ah Lithium-Ion Battery (Part # 88640)
Take charge of the yard with the Toro Flex-Force Power System 60V L216 Lithium-Ion battery. Get maximum power, performance and runtime from the intelligent battery software. The Flex-Force Power System automatically optimizes the interchangeable battery's performance for each product/application, so you always get the most out of your experience. When it comes to reliability, Toro delivers replacement parts designed to the exact engineering specifications of our equipment. For peace of mind, insist on Toro genuine parts.
60V MAX* Flex-Force 5.0Ah Lithium-Ion Battery (Part # 88650)
Genuine OEM Parts
60V MAX* Flex-Force 6.0Ah Lithium-Ion Battery (Part # 88660)
The Toro 60V* Flex-Force Power System® is the most powerful battery in its class. Period. It's the one battery you need to finish everything without sacrificing anything. It offers the ultimate innovation with our "3P" configured stack for 3 times the power, higher max performance, and the ability to push your tools harder, for longer. It’s flexible enough to work across a full line of unbeatable Toro tools from handheld trimmers and edgers all the way up to the biggest and baddest in our lineup, including America’s #1 mower and snow blower brand. From tool to tool to tool, done and done and done. It’s 60 volts of all the things you want from a battery: Easier. Faster. Cleaner. Greener. Quieter. No cords. No mess. No hassles. Virtually no maintenance. That's power without compromise.
L324 battery is compatible with all Toro 60V Flex-Force Power System tools. Battery charger is compatible with all Toro Flex-Force tools (88602)
*Battery manufacturer rating = 60V maximum & 54V typical usage. Actual voltage varies with load.
L324 battery is compatible with all Toro 60V Flex-Force Power System tools. Battery charger is compatible with all Toro Flex-Force tools (88602)
*Battery manufacturer rating = 60V maximum & 54V typical usage. Actual voltage varies with load.
60V MAX* Flex-Force 7.5Ah Lithium-Ion Battery (Part # 88675)
Take charge of the yard with the Toro Flex-Force Power System 60-Volts L405 Lithium-Ion battery. Get maximum power, performance and runtime from the intelligent battery software. The Flex-Force Power System automatically optimizes the interchangeable battery's performance for each product/application, so you always get the most out of your experience.
-
Model #
21623 -
Serial #
418000000 - 999999999 -
Product Name
60V MAX* 21 in. (53cm) Stripe® Dual-Blade Self-Propel Lawn Mower - 7.5Ah Battery Included -
Product Brand
Toro -
Product Type
Walk Behind Mowers -
Product Series
Walk Power Mower, Electric -
Chassis Type
Walk Behind









