Groundsmaster 3500-D
Product Information
- Model #: 30821
- Serial #: 210000701 - 210999999
- Product Type: Riding Products
Loading...
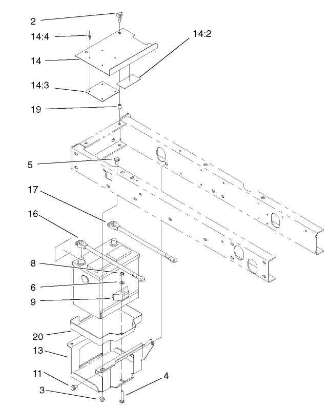
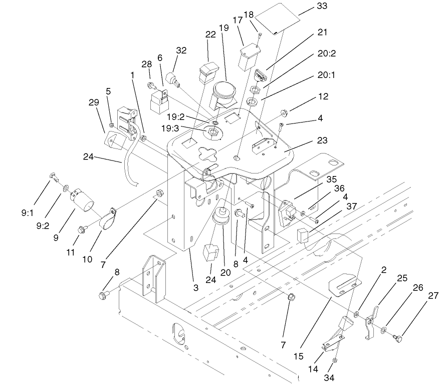
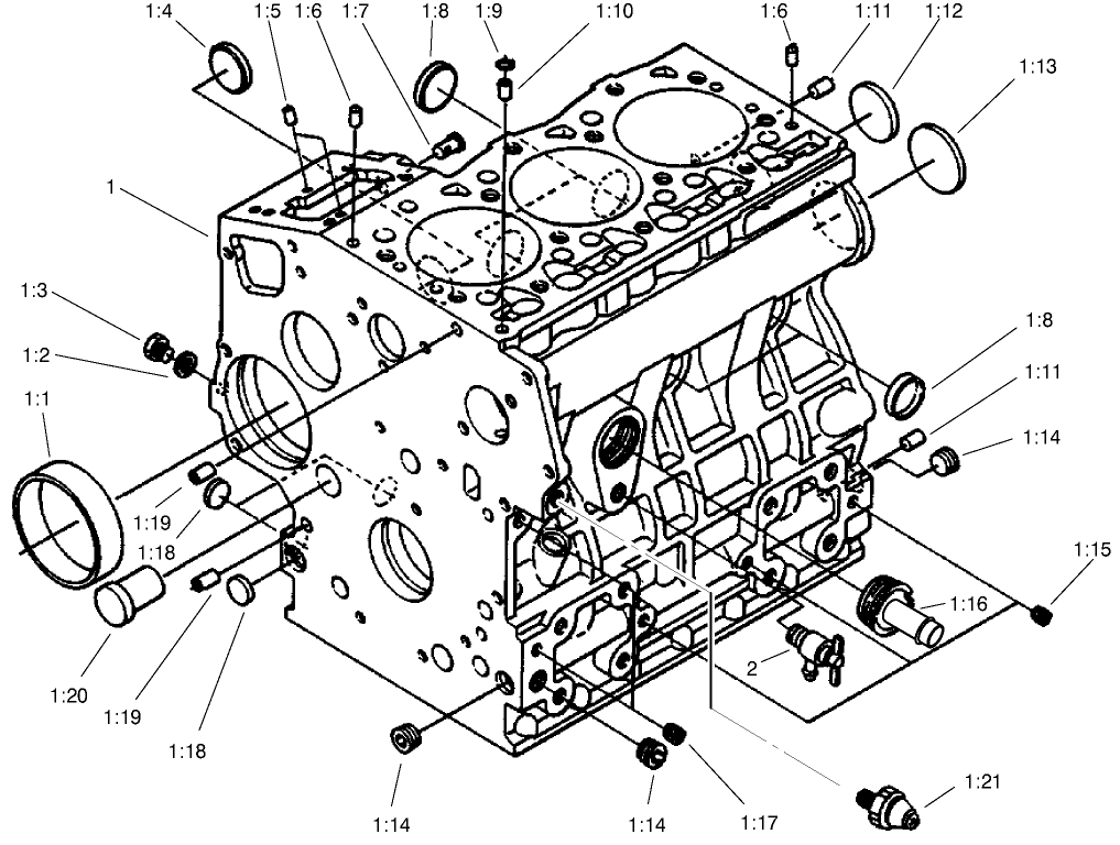
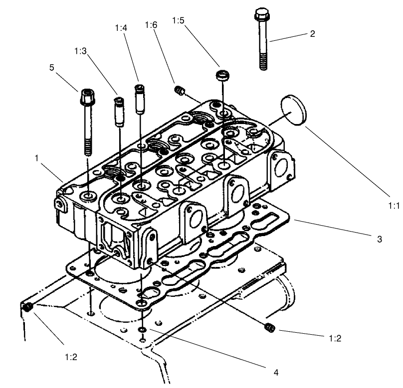
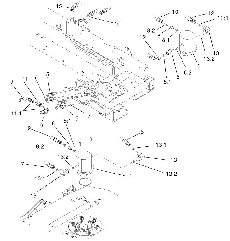
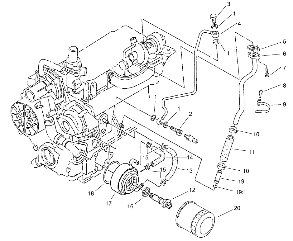
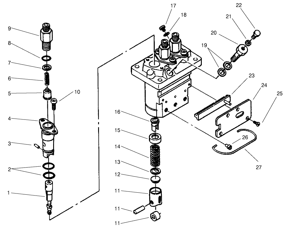
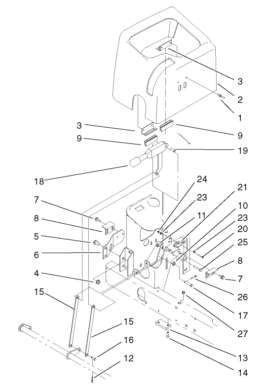
Assembly Drawings
Search for a part within assembly drawings:
-
Service Manual
-
Operator's Manual
-
Parts Catalog
-
Service Bulletin
Standard Seat Kit, Reelmaster 3100D (Part # 03224)
Deluxe Seat Kit, Reelmaster 3100-D (Part # 03225)
Arm Rest Kit (Part # 30707)
Built for comfort.
27" Rotary Cutting Unit, Groundsmaster 3500-D (Part # 30822)
Mulching Kit, 27" Rotary Cutting Unit for Groundsmaster 3500-D (Part # 30824)
RH Lift Arm Assy. (Part # 95-8553)
LH Lift Arm Assy. (Part # 95-8554)
-
Model #
30821 -
Serial #
210000701 - 210999999 -
Product Name
Groundsmaster 3500-D -
Product Brand
Toro -
Product Type
Riding Products -
Product Series
Attachments































































