Z400 Z Master, With 48in 7-Gauge Side Discharge Mower
Product Information
- Model #: 74418
- Serial #: 270002001 - 270999999
- Product Type: Riding Products
Loading...
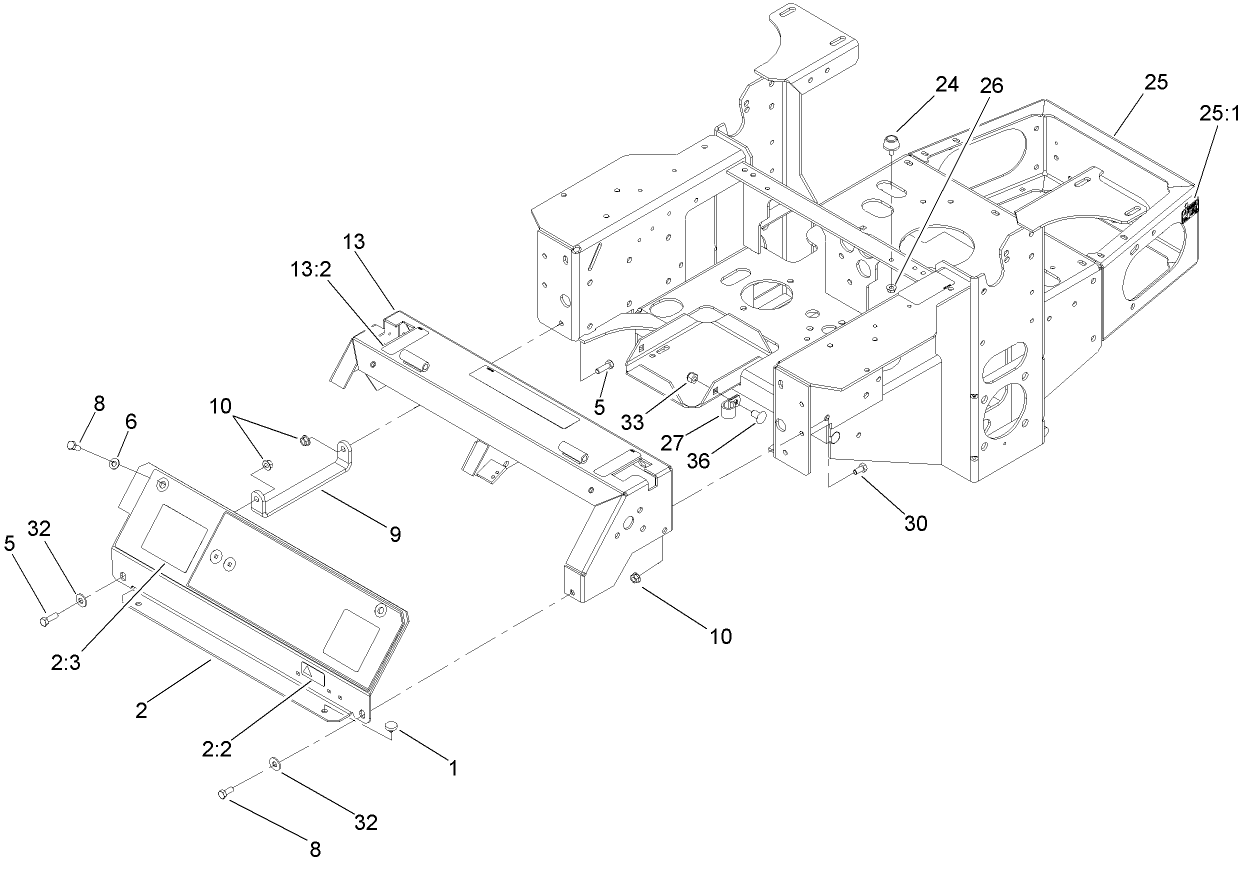
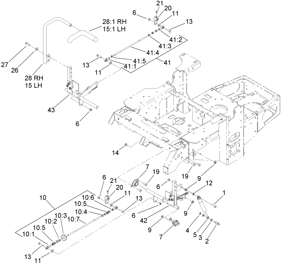
Assembly Drawings
Search for a part within assembly drawings:
-
Service Manual
-
Operator's Manual
-
Parts Catalog
-
Engine Evaporative Emission Warranty
-
Setup Instructions
48" Atomic Blade (Part # 107-1395-03)
Z-Master Deluxe Suspension Seat (Part # 107-1891)
Toro genuine suspension seat allows for maximum comfort in the field or on the road. Ergonomic contoured comfort cushions that recline make this a perfect seating solution for your Z-Master riding mower.
Suspension Kit for Standard Seat (Part # 107-1892)
Toro OEM suspension kits for standard seats. Give your Zero-Turn some additional comfort with this seat suspension kit. Genuine Toro Parts and accessories are designed specifically for your machine and built to exacting standards with tight tolerances. Other parts simply don't stack up to the quality, performance, and value of Genuine Toro Parts.
16.5 Inch Hi-Flow Blade (Part # 107-3192-03)
Toro 16.5 Inch OEM Hi-Flow blade. This sharp replacement Hi-Flow lawn mower blade provides a crisp, clean cut time after time. You can count on the quality and reliability of this Toro replacement Hi-Flow lawn mower blade. This Toro blade has multiple applications. Be sure to verify model and serial number to ensure the correct part.
16.5 Low Flow Blade (Part # 107-3193-03)
Toro 16.5 Inch OEM Low Flow blade. Low Flow mower blades have slightly curved ends that keep air Flow to a minimum. The lack of suction allows cut grass to exit the mower while keeping dust and debris levels down. Toro Low Flow mower blades cause less engine strain than Hi-Flow blades. This Toro blade has multiple applications. Be sure to verify model and serial number to ensure the correct part.
16.5 Medium Flow Blade (Part # 107-3194-03)
Toro 16.5 Inch OEM Medium Flow blade. Medium Flow mower straight edge, standard discharge blade. These blades have slight upward angle on the edges. Great blades for use when horsepower is a concern. Produce medium Flow but requires less horsepower than Hi-Flow blades. This Toro blade has multiple applications. Be sure to verify model and serial number to ensure the correct part.
16.5 Inch Recycler Blade (Part # 107-3196-03)
Toro 16.5 Inch OEM Recycler blade. Recycler straight edge, standard discharge blade. The blade is designed for a High quality cut and long-lasting durability. These blades are designed with “wings,” called “accelerators” that kind of act like a fan — forcing the tiny bits of grass back into the earth. This Toro blade has multiple applications. Be sure to verify model and serial number to ensure the correct part.
Z Stand Assembly (Part # 107-8599)
Genuine OEM Part
Z-Master Light Kit (Part # 107-9880)
Extend your mowing day with these Toro genuine high-intensity, low amperage LED light kit. This lighting kit is built in durable cast aluminum alloy housing with stainless steel mounting hardware and wiring harness and lighted rocker switch. When it comes to reliability, Toro delivers replacement parts designed to the exact engineering specifications of our equipment. For peace of mind, insist on Toro genuine parts.
48 Inch Recycler Kit (Part # 108-2209)
Genuine OEM Part
Lift Assist Kit (Part # 108-4090)
Genuine OEM Part
48 inch GrandStand bagging Enhancement Kit (Part # 108-4091)
Toro 48 inch GrandStand bagging Enhancement Kit. To best protect your investment and maintain optimal performance of your equipment, count on Toro genuine parts and accessories.
Please contact your local dealer
Z-Master Anti-Scalp Kit (Trim Side) (Part # 108-4140)
Toro OEM anti-scalp deck wheels. These wheels help prevent the deck from coming in contact with the ground when passing over a high spot, thus preventing the blade from slicing off or "scalping" large clumps of grass.
Hi-Flow Blade Pack (6) (Part # 110-0414)
Toro 16.5 Inch OEM Hi-Flow blade pack. (6) Hi-Flow blades. This sharp replacement Hi-Flow lawn mower blade provides a crisp, clean cut time after time. You can count on the quality and reliability of this Toro replacement Hi-Flow lawn mower blade. This Toro blade has multiple applications. Be sure to verify model and serial number to ensure the correct part.
Low Flow 16.5 Inch Blade Pack (6) (Part # 110-0415)
Toro 16.5 Inch OEM Low Flow blade pack. (6) Low Flow blades. Low Flow mower blades have slightly curved ends that keep air Flow to a minimum. The lack of suction allows cut grass to exit the mower while keeping dust and debris levels down. Toro Low Flow mower blades cause less engine strain than Hi-Flow blades. This Toro blade has multiple applications. Be sure to verify model and serial number to ensure the correct part.
Recycler 16.6 Inch Blade Pack (6) (Part # 110-0416)
Toro 16.5 Inch OEM Recycler blade pack. (6) Recycler blades. Recycler straight edge, standard discharge blade. The blade is designed for a High quality cut and long-lasting durability. These blades are designed with “wings,” called “accelerators” that kind of act like a fan — forcing the tiny bits of grass back into the earth. This Toro blade has multiple applications. Be sure to verify model and serial number to ensure the correct part.
Atomic 16.5 Inch Blade Pack (6) (Part # 110-0417)
Toro OEM Atomic blade pack. (6) 16.5 Inch Atomic blades. Atomic blade is commonly referenced as a “Gator Style” or “Gator Blade”. Provides the best quality of cut while mulching. This Toro blade has multiple applications. Be sure to verify model and serial number to ensure the correct part.
Mid Flow 16.5 Inch Blade Pack (6) (Part # 110-0418)
Toro 16.5 Inch OEM Medium Flow blade pack. (6) Medium Flow blades. Medium Flow mower straight edge, standard discharge blade. These blades have slight upward angle on the edges. Great blades for use when horsepower is a concern. Produce medium Flow but requires less horsepower than Hi-Flow blades. This Toro blade has multiple applications. Be sure to verify model and serial number to ensure the correct part.
Armrest Kit (Part # 110-5719)
Genuine OEM Part
Premium Tire Sealant (32 oz.) (Part # 110-8832)
Toro Premium Tire Sealant is installed quickly and easily through the valve stem. When the vehicle is driven, the fluid action of the solution causes the entire interior surface of the tire to be coated. The adhesion properties keep the solution in place at all times, ready to seal any source of air loss. The tire is now protected from any puncture or other leak for the remaining life of the tire. Toro Premium Tire Sealant in the tire also helps to dissipate the heat caused by road friction, allowing the tire to run much cooler.
When a puncture occurs, the centrifugal force of the rotating tire and internal pressure forces the tire sealant into the hole. This forms a temporary seal, and as the tire continues to turn, the flexing action causes more material to go into the puncture. A permanent seal is caused as the puncture is packed with fibers and other solids.
Please contact your local dealer
Premium Tire Sealant (gallon) (Part # 110-8833)
Toro Premium Tire Sealant is installed quickly and easily through the valve stem. When the vehicle is driven, the fluid action of the solution causes the entire interior surface of the tire to be coated. The adhesion properties keep the solution in place at all times, ready to seal any source of air loss. The tire is now protected from any puncture or other leak for the remaining life of the tire. Toro Premium Tire Sealant in the tire also helps to dissipate the heat caused by road friction, allowing the tire to run much cooler.
When a puncture occurs, the centrifugal force of the rotating tire and internal pressure forces the tire sealant into the hole. This forms a temporary seal, and as the tire continues to turn, the flexing action causes more material to go into the puncture. A permanent seal is caused as the puncture is packed with fibers and other solids.
Please contact your local dealer
Premium Tire Sealant (5 gallon) (Part # 110-8834)
Toro Premium Tire Sealant is installed quickly and easily through the valve stem. When the vehicle is driven, the fluid action of the solution causes the entire interior surface of the tire to be coated. The adhesion properties keep the solution in place at all times, ready to seal any source of air loss. The tire is now protected from any puncture or other leak for the remaining life of the tire. Toro Premium Tire Sealant in the tire also helps to dissipate the heat caused by road friction, allowing the tire to run much cooler.
When a puncture occurs, the centrifugal force of the rotating tire and internal pressure forces the tire sealant into the hole. This forms a temporary seal, and as the tire continues to turn, the flexing action causes more material to go into the puncture. A permanent seal is caused as the puncture is packed with fibers and other solids.
Tire Sealant Pump (for gallon) (Part # 110-8835)
Genuine OEM Part
Tire Sealant Pump (for 5 Gallon) (Part # 110-8836)
Pump for Toro - 5 Gallon Pail Tire Sealant (Part# 110-8834)
Channel Reinforcement Kit (Part # 112-8673)
Genuine OEM Part
3 Bushell Soft Collection Bag for GrandStand Mowers (Part # 30104)
3 Bushell Soft Collection Bag for GrandStand Mowers. To best protect your investment and maintain optimal performance of your equipment, count on Toro genuine parts and accessories.
Please contact your local dealer
Z-Master 52 inch Operator Chute Gate Kit (Part # 78521)
Toro OEM chute gate kit. Protect people and property from flying debris, keep grass out of flower beds and driveways, reducing raking, blowing and re-mowing.
Compact Z Hitch Kit (Part # 99-8924)
Genuine OEM Part
Cozy Cab Sun Shade (Part # A-11299)
-
Model #
74418 -
Serial #
270002001 - 270999999 -
Product Name
Z400 Z Master, With 48in 7-Gauge Side Discharge Mower -
Product Brand
Toro -
Product Type
Riding Products -
Product Series
Zero Radius Turn, 400 Series -
Chassis Type
ZRT - LCE -
Swath
48 inch -
Discharge
Side -
Engine/Motor Manufacturer
Kawasaki -
Engine/Motor Size
19 hp -
Engine/Motor Type
4 Cycle CARB3 2006, EPA2 -
Engine Starter
Electric -
Transmission Type
Hydrostatic


































