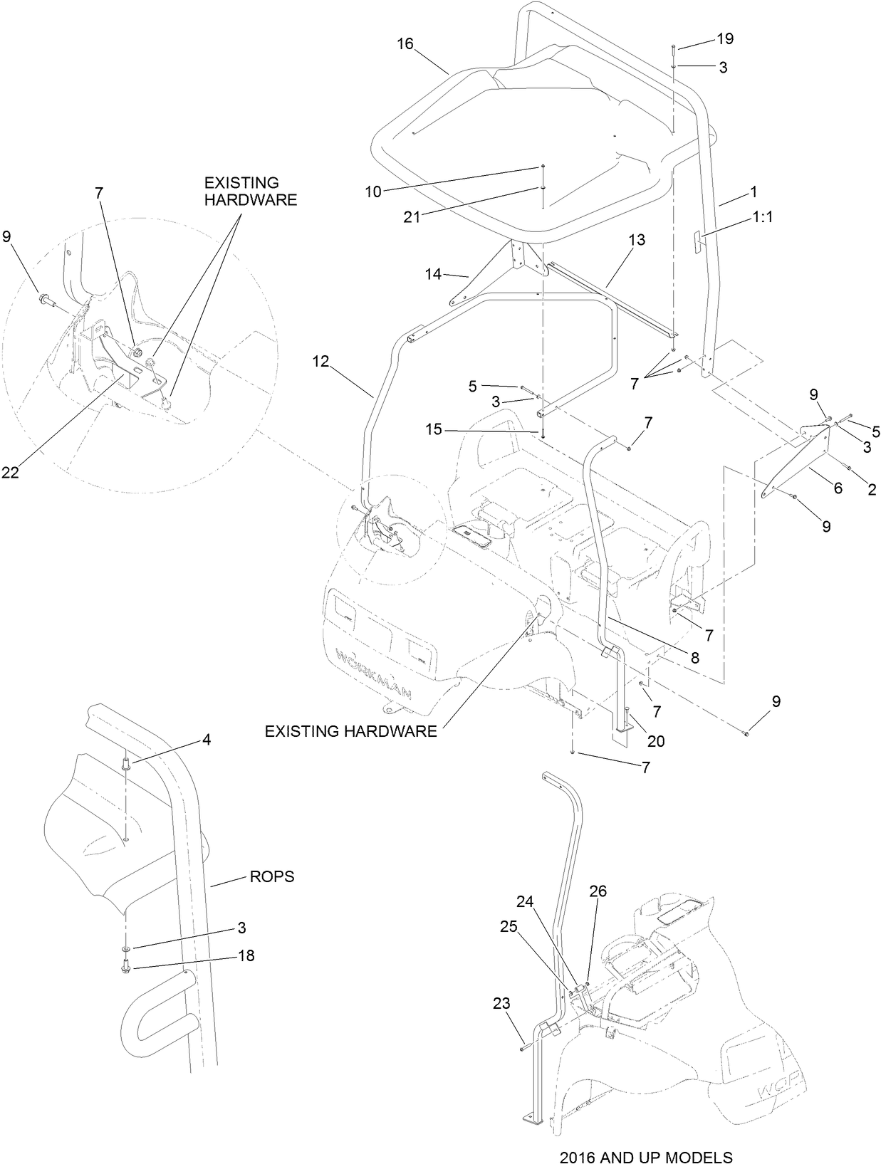
Canopy
Product Information
- Model #: 07324
- Serial #: None - None
- Product Type: Attachments
Loading...
Assembly Drawings
Search for a part within assembly drawings:
-
Parts Catalog
-
EU Declaration of Conformity
-
Installation Instructions
-
Model #
07324 -
Serial #
None - None -
Product Name
Canopy -
Product Brand
Toro -
Product Type
Attachments -
Product Series
Workman Series Accessories
