Groundsmaster 325-D 4 Wheel Drive
Product Information
- Model #: 30741
- Serial #: 60001 - 60151
- Product Type: Riding Products
Loading...
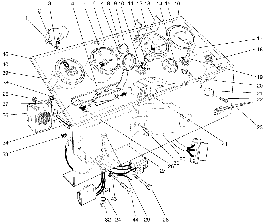
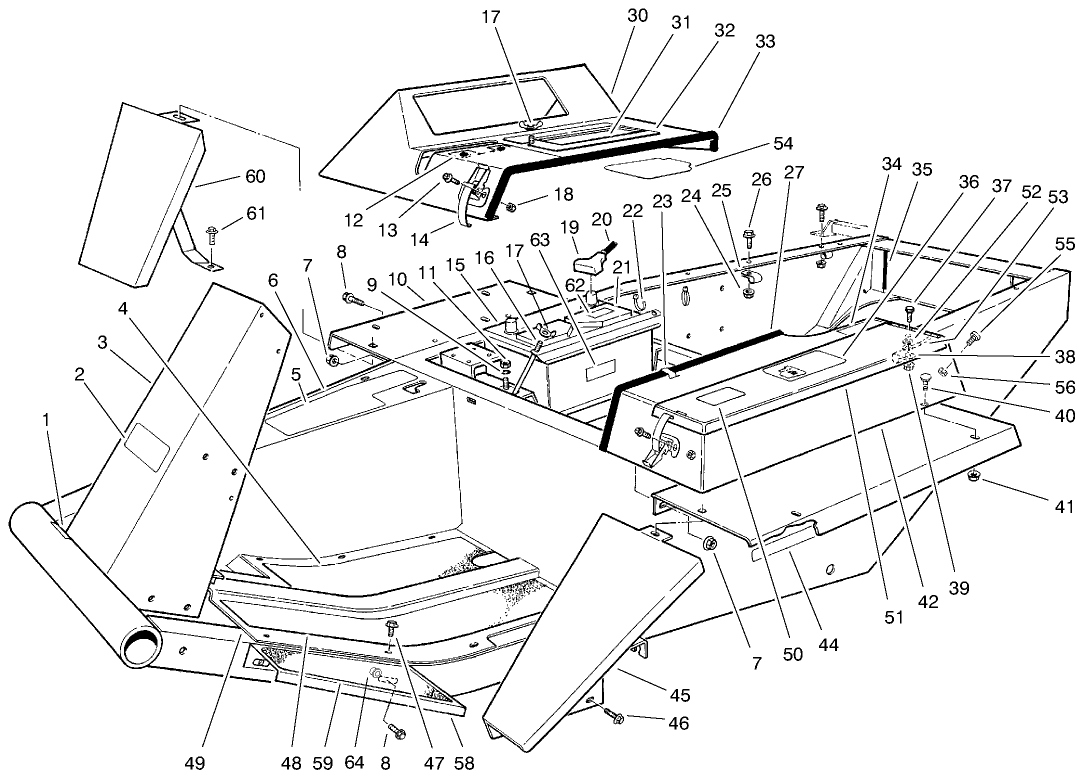
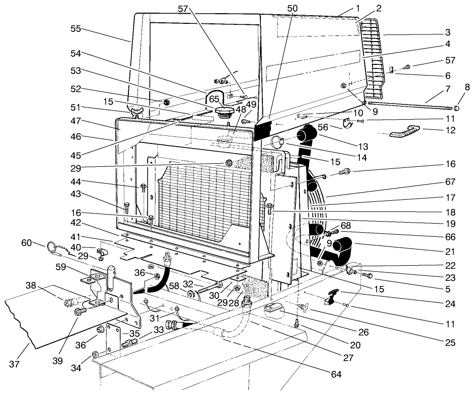
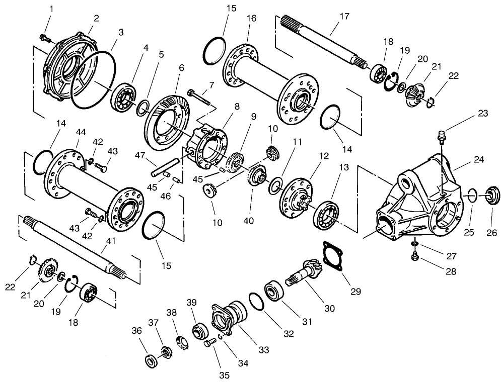
Assembly Drawings
Search for a part within assembly drawings:
-
Service Manual
-
Operator's Manual
-
Parts Catalog
-
Service Bulletin
-
Model #
30741 -
Serial #
60001 - 60151 -
Product Name
Groundsmaster 325-D 4 Wheel Drive -
Product Brand
Toro -
Product Type
Riding Products -
Product Series
Groundsmaster 300 Series







































