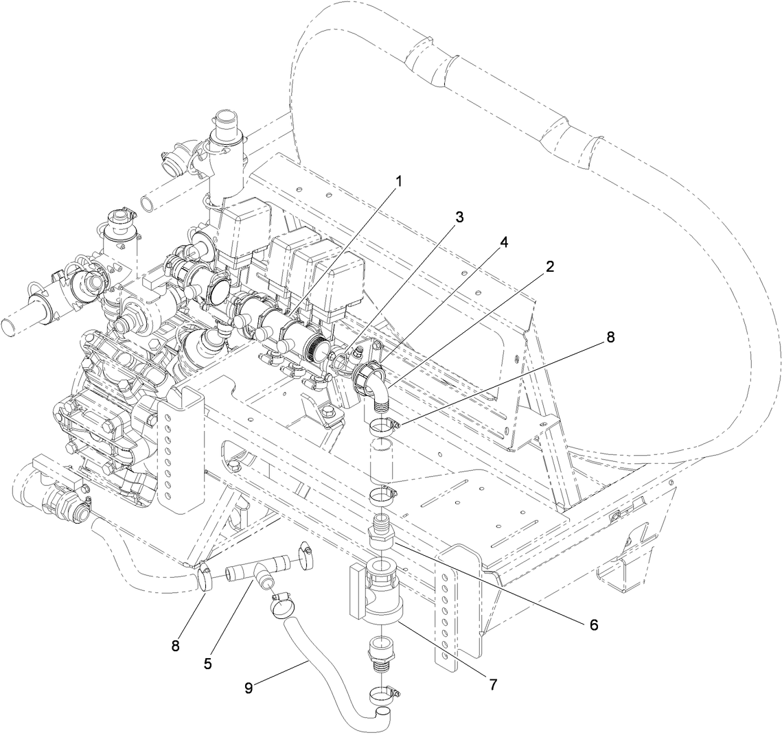
Manual Spray Mode Kit, Multi-Pro 5800 Turf Sprayer
Product Information
- Model #: 41616
- Serial #: None - None
- Product Type: Attachments
Loading...
Assembly Drawings
Search for a part within assembly drawings:
-
Parts Catalog
-
Installation Instructions
-
Service Bulletin
-
Model #
41616 -
Serial #
None - None -
Product Name
Manual Spray Mode Kit, Multi-Pro 5800 Turf Sprayer -
Product Brand
Toro -
Product Type
Attachments -
Product Series
Turf Maintenance Equipment
