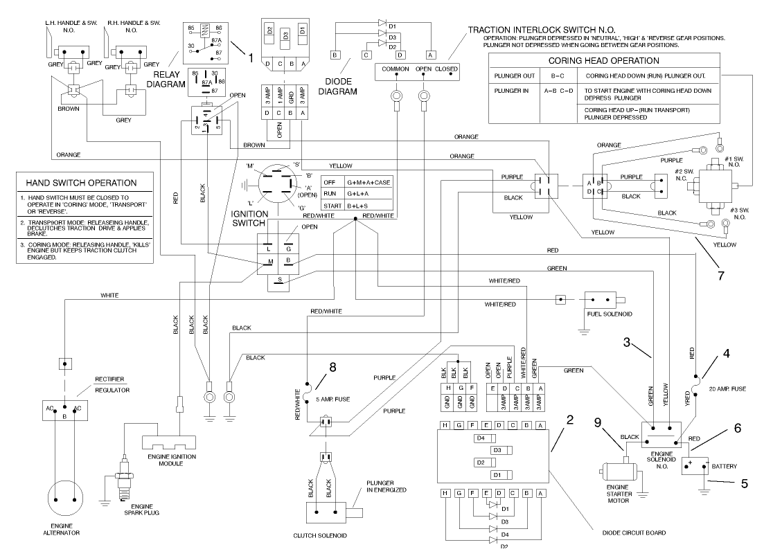
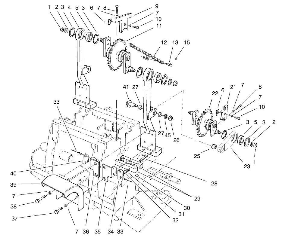
Greens Aerator
Product Information
- Model #: 09120
- Serial #: 70001 - 79999
- Product Type: Aerators
Loading...
Assembly Drawings
Search for a part within assembly drawings:
-
Service Manual
-
Operator's Manual
-
Parts Catalog
-
Service Bulletin
-
Model #
09120 -
Serial #
70001 - 79999 -
Product Name
Greens Aerator -
Product Brand
Toro -
Product Type
Aerators -
Product Series
Greens Aerator Series






























