Commercial Walk-Behind Mower, Floating Deck, Split Lever, Hydro Drive with 48in TURBO FORCE Cutting Unit
Product Information
- Model #: 30488
- Serial #: 312000001 - 312999999
- Product Type: Walk Behind Mowers
Loading...
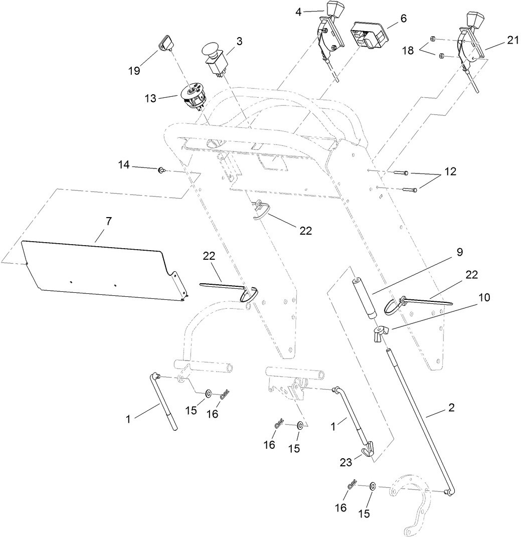
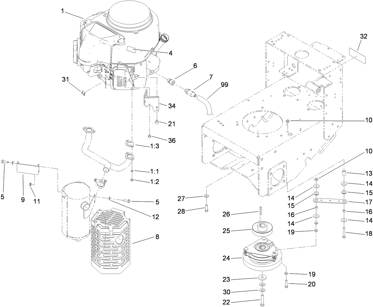
Assembly Drawings
Search for a part within assembly drawings:
-
Service Manual
-
Operator's Manual
-
Parts Catalog
-
Engine Evaporative Emission Warranty
-
Setup Instructions
16.5 Low Flow Blade (Part # 107-3193-03)
Toro 16.5 Inch OEM Low Flow blade. Low Flow mower blades have slightly curved ends that keep air Flow to a minimum. The lack of suction allows cut grass to exit the mower while keeping dust and debris levels down. Toro Low Flow mower blades cause less engine strain than Hi-Flow blades. This Toro blade has multiple applications. Be sure to verify model and serial number to ensure the correct part.
16.5 Medium Flow Blade (Part # 107-3194-03)
Toro 16.5 Inch OEM Medium Flow blade. Medium Flow mower straight edge, standard discharge blade. These blades have slight upward angle on the edges. Great blades for use when horsepower is a concern. Produce medium Flow but requires less horsepower than Hi-Flow blades. This Toro blade has multiple applications. Be sure to verify model and serial number to ensure the correct part.
16.5 Atomic Blade (Part # 107-3195-03)
Toro 16.5 Inch OEM Atomic blade. The Toro Atomic blade is commonly referenced as a “Gator Style” or “Gator Blade”. Provides the best quality of cut while mulching. This Toro blade has multiple applications. Be sure to verify model and serial number to ensure the correct part.
16.5 Inch Recycler Blade (Part # 107-3196-03)
Toro 16.5 Inch OEM Recycler blade. Recycler straight edge, standard discharge blade. The blade is designed for a High quality cut and long-lasting durability. These blades are designed with “wings,” called “accelerators” that kind of act like a fan — forcing the tiny bits of grass back into the earth. This Toro blade has multiple applications. Be sure to verify model and serial number to ensure the correct part.
48 inch GrandStand bagging Enhancement Kit (Part # 108-4091)
Toro 48 inch GrandStand bagging Enhancement Kit. To best protect your investment and maintain optimal performance of your equipment, count on Toro genuine parts and accessories.
Please contact your local dealer
Hi-Flow Blade Pack (6) (Part # 110-0414)
Toro 16.5 Inch OEM Hi-Flow blade pack. (6) Hi-Flow blades. This sharp replacement Hi-Flow lawn mower blade provides a crisp, clean cut time after time. You can count on the quality and reliability of this Toro replacement Hi-Flow lawn mower blade. This Toro blade has multiple applications. Be sure to verify model and serial number to ensure the correct part.
Low Flow 16.5 Inch Blade Pack (6) (Part # 110-0415)
Toro 16.5 Inch OEM Low Flow blade pack. (6) Low Flow blades. Low Flow mower blades have slightly curved ends that keep air Flow to a minimum. The lack of suction allows cut grass to exit the mower while keeping dust and debris levels down. Toro Low Flow mower blades cause less engine strain than Hi-Flow blades. This Toro blade has multiple applications. Be sure to verify model and serial number to ensure the correct part.
Recycler 16.6 Inch Blade Pack (6) (Part # 110-0416)
Toro 16.5 Inch OEM Recycler blade pack. (6) Recycler blades. Recycler straight edge, standard discharge blade. The blade is designed for a High quality cut and long-lasting durability. These blades are designed with “wings,” called “accelerators” that kind of act like a fan — forcing the tiny bits of grass back into the earth. This Toro blade has multiple applications. Be sure to verify model and serial number to ensure the correct part.
Atomic 16.5 Inch Blade Pack (6) (Part # 110-0417)
Toro OEM Atomic blade pack. (6) 16.5 Inch Atomic blades. Atomic blade is commonly referenced as a “Gator Style” or “Gator Blade”. Provides the best quality of cut while mulching. This Toro blade has multiple applications. Be sure to verify model and serial number to ensure the correct part.
Mid Flow 16.5 Inch Blade Pack (6) (Part # 110-0418)
Toro 16.5 Inch OEM Medium Flow blade pack. (6) Medium Flow blades. Medium Flow mower straight edge, standard discharge blade. These blades have slight upward angle on the edges. Great blades for use when horsepower is a concern. Produce medium Flow but requires less horsepower than Hi-Flow blades. This Toro blade has multiple applications. Be sure to verify model and serial number to ensure the correct part.
48 Inch Recycler Kit (Part # 110-2060)
Genuine OEM Part
GrandStand 15 lbs Cast Weight (Part # 112-7059-01)
GrandStand 15 lbs Cast Weight for Toro Grandstand models. Helps distribute weight for a smooth ride and an even cut on rough terrain. When it comes to reliability, Toro delivers replacement parts designed to the exact engineering specifications of our equipment. For peace of mind, insist on Toro genuine parts.
Midsize Weight Kit (Part # 112-9971)
Genuine OEM Parts
Anti-Scalp Kit (Trim Side) (Part # 115-1015)
Genuine OEM Part
Anti-Scalp Kit (Part # 115-1016)
Genuine OEM Parts
48/52/60 Inch Midsize Chute Gate Kit (Part # 115-4195)
Genuine OEM Part
3 Bushell Soft Collection Bag for GrandStand Mowers (Part # 30104)
3 Bushell Soft Collection Bag for GrandStand Mowers. To best protect your investment and maintain optimal performance of your equipment, count on Toro genuine parts and accessories.
Please contact your local dealer
-
Model #
30488 -
Serial #
312000001 - 312999999 -
Product Name
Commercial Walk-Behind Mower, Floating Deck, Split Lever, Hydro Drive with 48in TURBO FORCE Cutting Unit -
Product Brand
Toro -
Product Type
Walk Behind Mowers -
Product Series
Mid-Size ProLine Mower -
Chassis Type
Mid-size - Floating Deck -
Swath
48 inch -
Discharge
Side -
Engine/Motor Manufacturer
Kawasaki -
Engine/Motor Size
18.5 hp -
Engine/Motor Type
4 Cycle -
Engine Starter
Electric -
Transmission Type
Hydrostatic -
Traction Type
2wd
-
Drive System: Ground Speed
Fwd. 0 - 6.0 Rev. 0 - 2.5 mph -
Engine: Battery
12V 300CCA -
Engine: Engine Speed
3600±100 RPM -
Engine: Spark Plug
NGK BPR4ES -
Engine: Spark Plug Gap
.030"/ .76mm -
Engine: Ignition Coil Air Gap
.008-.016" / .2-.4mm -
Chassis: Height of Cut Range
1-4.5", 1/4" increments -
Chassis: Tire Pressure
12-14 psi rear -
Engine: Engine Oil Type
67 oz. (2.1 Liter) SAE 10W-30 or 10W-40 -
Drive System: Gearbox Lubricant
HYPR-OIL 500 / 15w-50 Synthetic Motor Oil



















