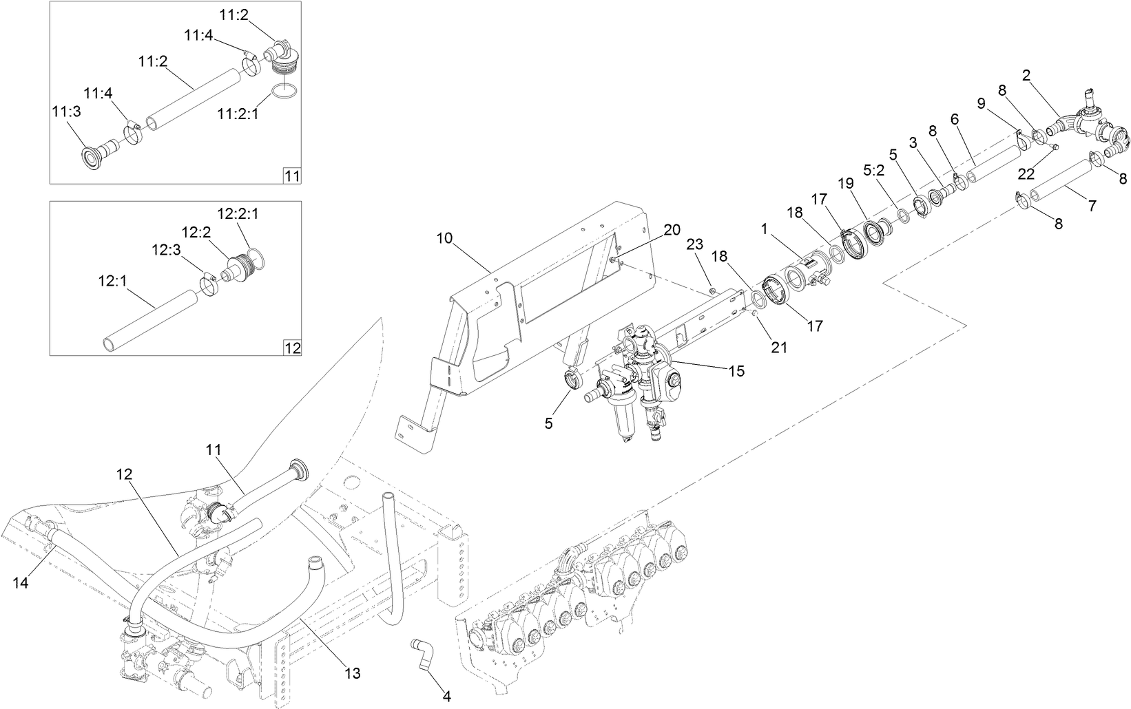
GeoLink Spray System Finishing Kit, Serial Number 314999999 and Before Multi Pro 5800 Turf Sprayer
Product Information
- Model #: 131-7262
- Serial #: None - None
- Product Type: Sprayers
Loading...
Assembly Drawings
Search for a part within assembly drawings:
-
Parts Catalog
-
Installation Instructions
-
Model #
131-7262 -
Serial #
None - None -
Product Name
GeoLink Spray System Finishing Kit, Serial Number 314999999 and Before Multi Pro 5800 Turf Sprayer -
Product Brand
Toro -
Product Type
Sprayers











