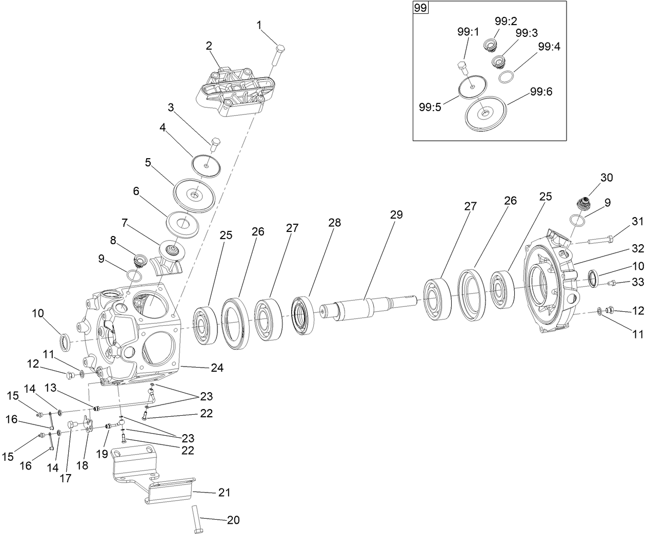
Pump Service Kit, Multi Pro WM or 5800 Series Turf Sprayer
Product Information
- Model #: 136-2254
- Serial #: None - None
- Product Type: Sprayers
Loading...
Assembly Drawings
Search for a part within assembly drawings:
-
Parts Catalog
-
Installation Instructions
-
Model #
136-2254 -
Serial #
None - None -
Product Name
Pump Service Kit, Multi Pro WM or 5800 Series Turf Sprayer -
Product Brand
Toro -
Product Type
Sprayers

