TRX-300 Walk-Behind Trencher
Product Information
- Model #: 22984
- Serial #: 400000000 - 405599999
- Product Type: Trenchers
Loading...
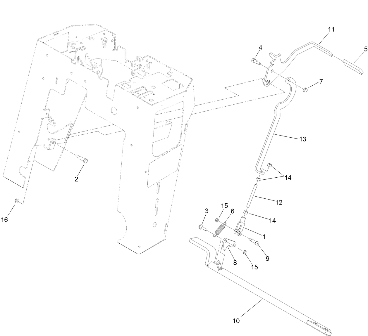
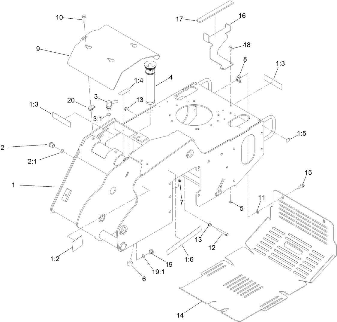
Assembly Drawings
Search for a part within assembly drawings:
-
Operator's Manual
-
Parts Catalog
-
Product Warranty
-
Schematic Drawing - Electrical
-
Schematic Drawing - Hydraulic
-
EU/UK Declaration of Conformity
ASM-TRAILER (Part # 115-4802)
8-inch Chain Conversion Kit, Model 22490 36-inch Soil Chain (Part # 117-3480)
Toro 5 Gallon PX Extended Life Hydraulic Fluid (Part # 133-8086)
Toro 5 Gallon PX Extended Life Hydraulic Fluid. Designed for use in Toro equipment created by Toro engineers. If you are unsure of your equipment needs, do a model extreme serial number search to verify that this is the correct oil type for your equipment.
Toro 55 Gallon PX Extended Life Hydraulic Fluid (Part # 133-8087)
Toro 55 Gallon PX Extended Life Hydraulic Fluid. Designed for use in Toro equipment created by Toro engineers. If you are unsure of your equipment needs, do a model extreme serial number search to verify that this is the correct oil type for your equipment.
Toro Full Synthetic 10W-30 Engine Oil (32 oz.) (Part # 138-6053)
Toro full synthetic 10W-30 engine oil. The easy engine oil choice for any outdoor power equipment
to increase performance and reliability.
Toro PX Extended Life Hydraulic Fluid - 1 Gallon/4pack (Part # 138-9460)
Toro PX Extended Life Hydraulic Fluid. Designed for use in Toro equipment created by Toro engineers. If you are unsure of your equipment needs, do a model extreme serial number search to verify that this is the correct oil type for your equipment.
KIT-SPARE TIRE AND MOUNT (Part # 164-1449)
Trencher Crumber (Part # 22477)
Trencher accessory to help clean out trenches.
24" x 4" Soil Chain (Part # 22480)
2-pitch chain w/4-pitch tooth spacing (24 station).
24" x 4" Combo Chain (Part # 22481)
2-pitch chain w/soil and rock teeth (24 station).
24" x 4" Rock Chain (Part # 22482)
Welded shark chain 100% rock tooth (24 station).
24" x 6" Soil Chain (Part # 22483)
2-pitch chain with 4-pitch tooth spacing (24 station).
24" x 6" Combo Chain (Part # 22484)
2-pitch chain with soil and rock teeth (24 station).
24" x 6" Rock Chain (Part # 22485)
Welded shark chain 100% rock tooth (24 station).
36" x 4" Soil Chain (Part # 22486)
2-pitch chain with 4-pitch tooth spacing (32 station).
36" x 4" Combo Chain (Part # 22487)
2-pitch chain with soil and rock teeth (32 station).
36" x 4" Rock Chain (Part # 22488)
Welded shark chain 100% rock tooth (32 station).
36" x 6" Rock Chain (Part # 22489)
Welded shark chain 100% rock tooth (32 station).
36" x 6" Soil Chain (Part # 22490)
2-pitch chain with 4-pitch tooth spacing (32 station).
36" x 6" Combo Chain (Part # 22491)
2-pitch chain with soil and rock teeth (32 station).
48" x 4" Soil Chain (Part # 22492)
4-pitch chain with 4-pitch tooth spacing (20 station).
48" x 4" Combo Chain (Part # 22493)
4-pitch chain with soil and rock teeth (20 station).
48" x 6" Soil Chain (Part # 22494)
4-pitch chain with 4-pitch tooth spacing (20 station).
48" x 6" Combo Chain (Part # 22495)
4-pitch chain with soil and rock teeth (20 station).
24IN X 4IN BULLET CHAIN (Part # 22496)
24IN X 6IN BULLET CHAIN (Part # 22497)
36IN X 4IN BULLET CHAIN (Part # 22498)
36IN X 6IN BULLET CHAIN (Part # 22499)
24" Boom (Part # 22975)
24" trencher boom.
36" Boom (Part # 22976)
36" trencher boom.
48" Boom (Part # 22977)
48" trencher boom.
Bore Drive Attachment, TRX Trencher (Part # 22978)
Backfill Blade, TRX Trencher (Part # 22980)
10W30 4-Cycle Engine Oil - 32 oz. Bottle (Part # 38280)
The Toro 38280 Premium 4-Cycle Lawn Mower Engine Oil 10W-30 is specially formulated to meet specific 4-cycle engine manufacturer requirements calling for 10W-30. This lawn mower engine oil provides the ultimate protection for all 4-cycle OPE engines. The lawn mower engine oil is developed with Toro engineering to meet the standards for all air-cooled, liquid-cooled and diesel engines. To maximize the performance of your Toro lawn mower, we highly recommend using this Toro lawn mower engine oil, which has been specifically formulated for best results. The lawn mower engine oil provides extreme performance in all temperatures, enhancing the life of your lawn mower's engine.
Spark Arrestor Screen (Part # 94-8157)
-
Model #
22984 -
Serial #
400000000 - 405599999 -
Product Name
TRX-300 Walk-Behind Trencher -
Product Brand
Toro -
Product Type
Trenchers -
Engine/Motor Manufacturer
Kohler -
Engine/Motor Size
26.5 hp -
Engine/Motor Type
4 Cycle -
Engine Starter
Electric -
Transmission Type
Hydrostatic



















