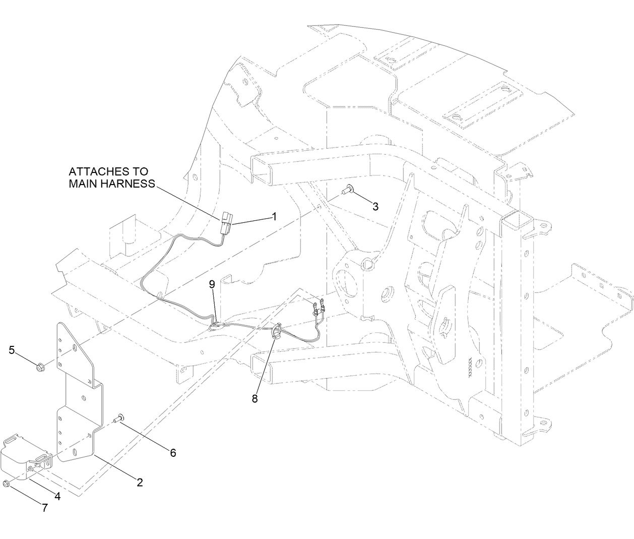
Backup Alarm Kit, Groundsmaster e3200 serial number 417500000 and up or e3300 Series Traction Unit
Product Information
- Model #: 31817
- Serial #: None - None
- Product Type: Riding Products
Loading...
Assembly Drawings
Search for a part within assembly drawings:
-
Parts Catalog
-
Installation Instructions
-
Model #
31817 -
Serial #
None - None -
Product Name
Backup Alarm Kit, Groundsmaster e3200 serial number 417500000 and up or e3300 Series Traction Unit -
Product Brand
Toro -
Product Type
Riding Products
