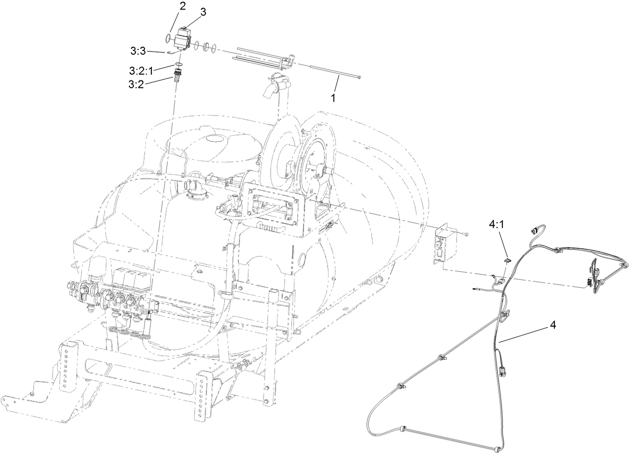
Pivoting Hose Reel Finishing Kit, 2014 and Before Multi-Pro 5800 Turf Sprayer
Product Information
- Model #: 131-3291
- Serial #: None - None
- Product Type: Attachments
Loading...
Assembly Drawings
Search for a part within assembly drawings:
-
Parts Catalog
-
Installation Instructions
-
Service Bulletin
-
Model #
131-3291 -
Serial #
None - None -
Product Name
Pivoting Hose Reel Finishing Kit, 2014 and Before Multi-Pro 5800 Turf Sprayer -
Product Brand
Toro -
Product Type
Attachments -
Product Series
Attachments
