e-Dingo® 500 Wheeled
Product Information
- Model #: 22218
- Serial #: 411800000 - 999999999
- Product Type: Compact Utility Loaders
Loading...
Assembly Drawings
Search for a part within assembly drawings:
-
Service Manual
-
Operator's Manual
-
Parts Catalog
-
Product Warranty
-
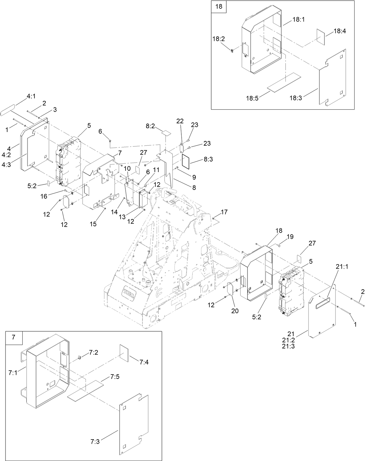
Schematic Drawing - Electrical
-
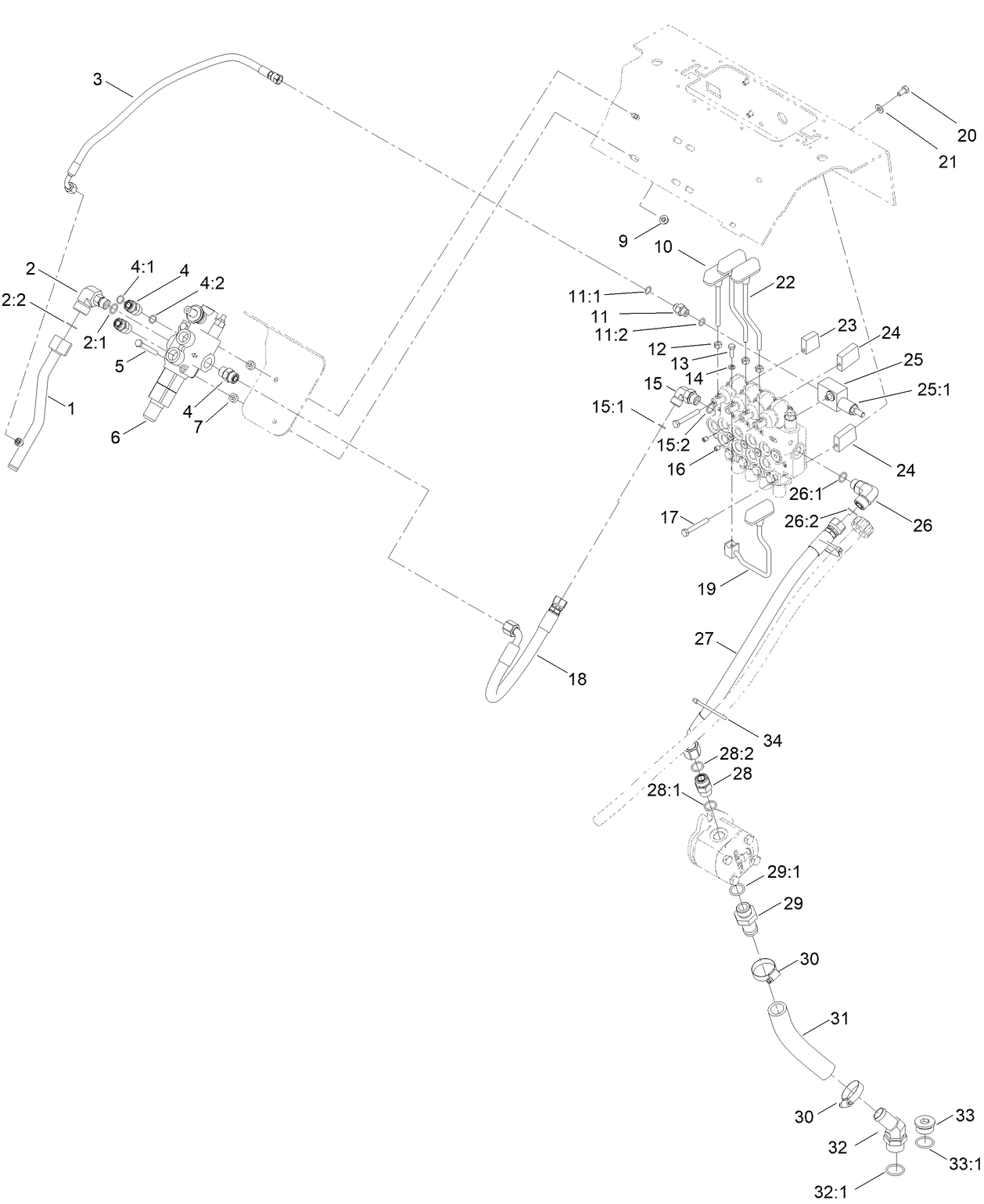
Schematic Drawing - Hydraulic
-
ACMA Declaration of Conformity
-
EU/UK Declaration of Conformity
KIT, LIGHT ASM (Part # 139-7677)
SPARE TIRE KIT ASM (Part # 144-0105)
Adjustable Forks, TX 1000 Compact Utility Loaders (Part # 22341)
Loader Bucket Attachment (Part # 22409)
Use this standard bucket for moving rock, dirt, sand or other materials off and around the job site. The hardened steel cutting edge offers improved cutting and digging capability for better performance to handle tough digging conditions and affords superior wear. Capacity = 4 cubic feet (1 cu. m.).
Light Materials Loader Bucket Attachment (Part # 22410)
Designed for moving light materials like chip-bark, mulch, snow and loam. The larger capacity bucket, 6.4 cubic feet (.2 cu. m.), is great for handling larger loads of lighter materials. The hardened steel cutting edge allows for improved cutting and digging capability for better performance to handle tough digging conditions and affords superior wear.
Utility Blade Attachment (Part # 22414)
The Toro Dingo hydraulic blade greatly increases the versatility of your Dingo system. This incredibly versatile attachment can be used for a variety of earth or snow moving jobs. Fill trenches where rows of trees have been planted or irrigation pipes have been installed. Keep your hydraulic blade working in the winter by pushing snow from sidewalks in one pass.
Tree Fork Attachment (Part # 22438)
The Toro Dingo hydraulic tree forks can help you plant trees and large shrubs quickly and effortlessly, plus move all sorts of materials around your garden center or nursery. The Dingo Compact Utility Loader is especially easy to maneuver, helping you transport and position trees or shrubs exactly where you want them.
4-in-1 Bucket Loader Bucket Attachment (Part # 22478)
Designed to be used on the Dingo 323, 320-D, e-Dingo, TX 427, TX 525 and TX 1000 models, this attachment offers the versatility of 4 attachments. Use as a standard bucket, a leveler, a grapple rake and a blade.
Narrow Loader Bucket Attachment (Part # 22520)
Handle compact construction and remodeling sites by moving through 36" (91.4 cm) gates without a problem. This 35" (88 cm) wide bucket allows you to get through narrow spaces, including gates and doorways. Move rock, dirt, sand or other materials off and around the job site. Great for use on any Dingo® model equipped with narrow wheels and tires.
Grapple Rake, Compact Utility Loaders (Part # 22521)
Floor Scraper Attachment (Part # 22670)
The Toro eDingo floor scraper has an all-steel construction that makes flooring removal simple. It displaces vinyl, quarry, and ceramic tile, as well as carpet squares, paint, glue, and more.
Track Loader Auger Attachment (Part # 22806)
This attachment swivels in all directions to create plumb holes on uneven terrain. The higher speed of this auger power head is ideal for augers up to 24" (61cm) in diameter. Quickly change between auger bit sizes to dig holes for fence posts, footings, irrigation heads and more!
6" Full Flight Auger Bit (Part # 22820)
6" full flight auger bit requires auger power head attachment 22805 or 22806.
9" Full Flight Auger Bit (Part # 22821)
9" full flight auger bit requires auger power head attachment 22805 or 22806.
12" Full Flight Auger Bit (Part # 22822)
12" full flight auger bit requires auger power head attachment 22805 or 22806.
Concrete Breaker, Dingo Compact Utility Loaders (Part # 23135)
Leveler Attachment (Part # 23165)
This versatile and highly productive tool is a must have attachment for all job sites. Use to grade, finish, and spread landscape materials, backfill trenches, and break up the turf. Also great for carrying and transporting materials around the job site.
-
Model #
22218 -
Serial #
411800000 - 999999999 -
Product Name
e-Dingo® 500 Wheeled -
Product Brand
Toro -
Product Type
Compact Utility Loaders


























