Vista 4-Passenger EFI Gas
Product Information
- Model #: 08914
- Serial #: 400000000 - 416499999
- Product Type: Vehicles
Loading...
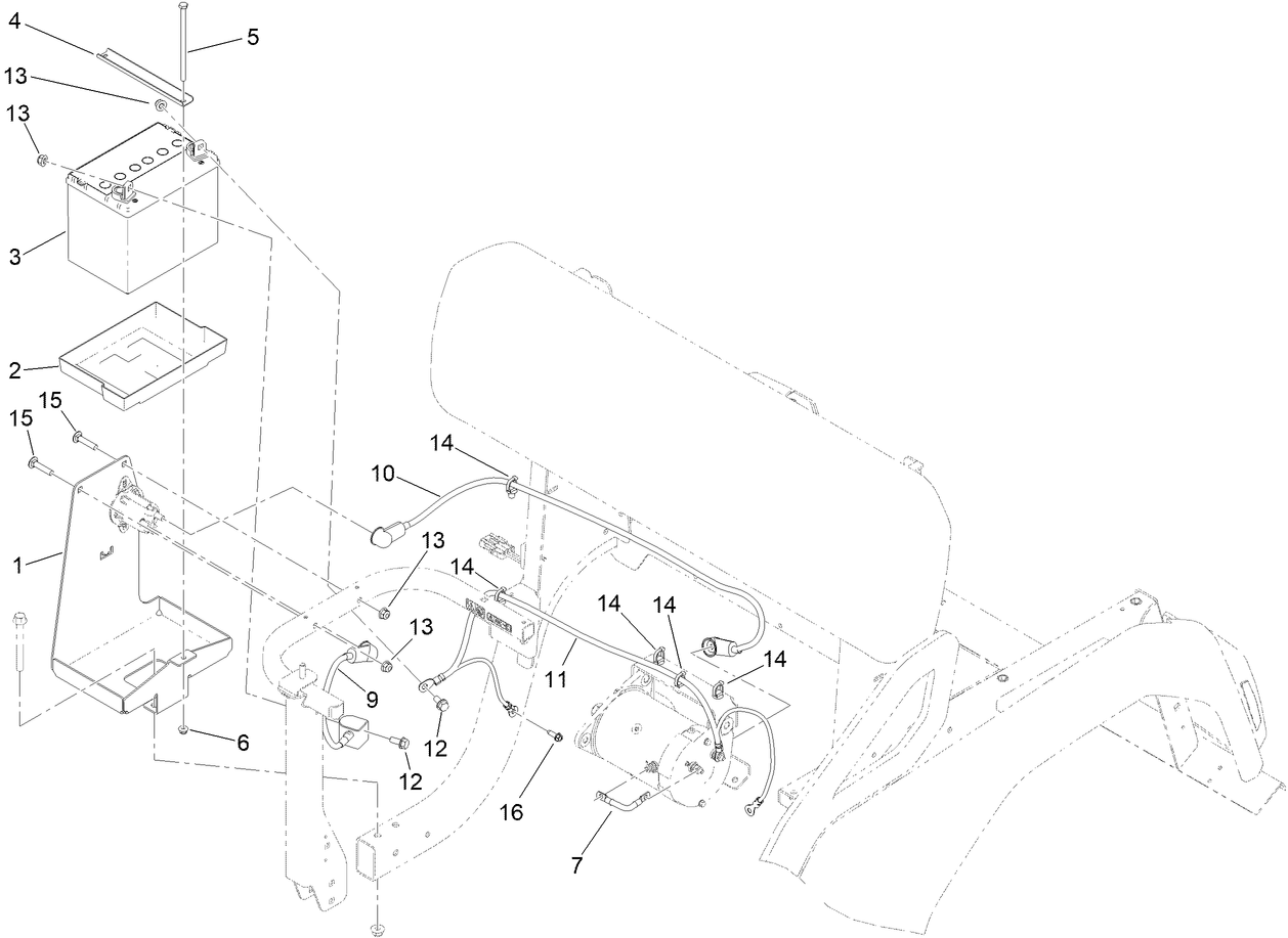
Assembly Drawings
Search for a part within assembly drawings:
-
Operator's Manual
-
Parts Catalog
-
Product Warranty
-
Schematic Drawing - Electrical
-
ACMA Declaration of Conformity
Rear View Mirror Kit (Part # 08141)
Operator and passenger side mounted rear view mirrors for enhancing all around visibility. Externally mounted to the cab frame.
Folding Windshield Kit (Part # 08220)
Made to best meet your needs.
Beacon Kit (Part # 08225)
Mounts to top of cab.
Beige Canopy, Vista 4 Passenger Shuttle Vehicle (Part # 08226)
Providing protection from sun, rain, and other natural elements.
Limiter Shim (Part # 119-0807)
Wide Angle Mirror Kit (Part # 133-1009)
See more and ride safer with the wide-angle mirror.
Wide Angle Mirror Kit (Part # 133-1038)
See more and ride safer with the wide-angle mirror.
Wireless Hour Meter Kit (Part # 144-2436)
Turn Signal Kit, Vista Shuttle Vehicle (Part # 144-5587)
Side Mirrors Kit, Vista Shuttle Vehicle (Part # 145-7140)
-
Model #
08914 -
Serial #
400000000 - 416499999 -
Product Name
Vista 4-Passenger EFI Gas -
Product Brand
Toro -
Product Type
Vehicles




















